< Page:Popular Science Monthly Volume 63.djvu
This page has been validated.

560

POPULAR SCIENCE MONTHLY.

ceiver is as follows: When the wave strikes the aerial it sets up in it electrical oscillations with a potential antinode at the summit, and at the same time a potential antinode is created at the outer end of the spiral attached near the base of the aerial; this spiral being called by Professor Slaby a multiplicator. As long as the coherer tube remains non-conductive, the local cell can not send a current through the relay, but, as soon as the resistance is broken down by the impact of a wave, the local cell sends a current through the coherer tube which, passing down to the earth through the base of the aerial and up through the earth connection to the condenser, completes its circuit through the relay. Many variations of this arrangement have been made by Slaby and Von Arco and by the Allgemeine Elektricitäts Gesellschaft of Berlin.

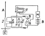
In 1898, Mr. Marconi made a great advance in the construction of his receiving apparatus by the insertion of his 'jigger' or oscillation [1]Fig. 20. Marconi Receiver. A, aerial; J, jigger; CC, condensers; F, filings tube; T, tapper; R, relay; B, battery; M, Morse printer. transformer in the aerial receiving circuit. In this arrangement, the primary coil of an air core transformer wound in a particular way is inserted between the receiving aerial and the earth, and the secondary circuit is cut in the middle and connected to the two surfaces of a condenser, these surfaces being also connected through the circuit of an ordinary telegraphic relay and a single cell (see Fig. 30). The ends of the secondary circuit of this oscillation transformer are also connected to the terminals of the coherer tube, and these again are short-circuited by a small condenser.

The operation of this receiver is as follows: The oscillations set up in the aerial pass through the primary circuit of the jigger, and these induce other oscillations in the secondary circuit: the electromotive force or difference of potential between the primary terminals being transformed up in any desired ratio. It is this exalted electromotive force which is made to act on the coherer tube, and, inasmuch as the jigger operates in virtue of a current passing through its primary circuit and this current is at a maximum at the lower end of the aerial, the arrangement is exceedingly effective, because it, so to speak, converts current into voltage. At the lower end of the aerial, although the amplitude of the potential oscillations is a minimum, the amplitude of the current oscillations is a maximum, and the jigger transforms these large current oscillations into large potential oscillations, provided it is constructed in the light manner. We can also transform up or increase the amplitude of the small potential variations near the bottom of the aerial by employing the principle of


  1. ↑ See G. Marconi, British Patent Specification, No. 12,326, of June 1, 1898.
This article is issued from Wikisource. The text is licensed under Creative Commons - Attribution - Sharealike. Additional terms may apply for the media files.