4

I think I burned out one digital time switch and don't want to damage the replacement I bought. Can someone take a look at the diagram I drew and complete the wiring?

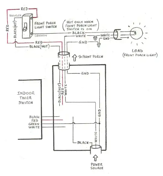
The wiring diagram that came with the 'Woods in wall digital timer, model 59018/59028', is nothing like that in my fixture.

I have the timer fitted inside, next to my front door. It is to control the outside front porch light, where there is also a single pole-double throw on/off switch.

I'd be very grateful if someone would lend a hand and tell me which wires I need to connect to the timer, given the existing wiring shown in my diagram.

enter image description here

Gerard
  • 39
  • 1
  • 4

4 Answers4

3

There are multiple options here:

Bypass the switch

Use Tester101's instructions :)

Use the switch as an override-ON

In this case, turning the switch on overrides the timer and turns the light ON until the switch is turned back off, giving control back to the timer.

This can be accomplished by nutting all the blacks together and all the reds together in the timer box, along with all the whites and all the grounds. If you wish, you can also replace the switch with a single pole one -- join the incoming red with the outgoing black and a pigtail to one switch terminal and connect the incoming black to the other switch terminal.

Use the switch as an override-OFF

In this case, turning the switch ON allows the timer to control the light, while turning the switch OFF forces the light off. Connect the black wire from the incoming cable to the black wire on the timer, connect the red wire from the outgoing cable to the red wire on the timer, nut the black wire on the outgoing cable off, and connect all the whites together and the grounds together.

Get a 3-way timer instead of your existing one

In that case, the timer will have 5 connections instead of 4, or be able to operate without a neutral in the box. Keep in mind the latter timers have limitations on what loads they can control due to needing to send a "trickle" of operating power through the load in order to maintain memory.

Install a SPDT Relay to adapt your existing timer to the 3-way configuration

You'll need to use a UL listed relay like the Functional Devices RIBU1C for this job.

  • The White/Yellow wire on the relay goes to the White wire on the timer and the White wires in the incoming and outgoing cables.
  • The White/Blue wire on the relay can be nutted off as it's not used here.
  • The White/Black wire on the relay goes to the Red wire on the timer.
  • The Yellow wire on the relay goes to the Black wire on the timer and the incoming Black wire from the power source.
  • The Blue and Orange wires on the relay go to the Red and Black wires on the outgoing cable.
  • Finally, the Green wire on the timer goes to the bare ground wires on the incoming and outgoing cables.

(You also may need a mudring or extension box in order to fit all the wires inside it -- run the box fill computations please!)

Note that with this configuration, the outside switch will invert the sense of the timer's operation -- flipping the switch will convert timer ON times into timer OFF times and vice versa.

ThreePhaseEel
  • 79,142
  • 28
  • 127
  • 220
2

The switch doesn't have the capability of being a 3-way switch (like your outside switch), so you are faced with few options:

Remove the outdoor switch

Only the timer would control the light.

  • Indoor timer would be wired just like the manual.
  • Red wire going outside would be capped at both ends
  • Black wires in the existing outdoor switch would be connected together

You'd also need to get a blank face plate to cover where the old porch switch was.

Get a 3-way-compatible wall timer switch

Several exist on the market, and are generally drop-in replacements for an existing 3-way switch. Be sure to check the manual first to ensure your wiring is compatible; but seeing as you have neutral and constant power at the timer location, I suspect any 3-way compatible timer will work.

Have the porch switch override the timer

You can wire the porch switch so it can force the light to be either:

  • always off (regardless of timer) or on when the timer turns it on (but you can't force it on)
  • always on (regardless of timer) or only on when the timer turns it on (but you can't force it off)

You can't do both without having a 3-way compatible timer switch. I can explain the wiring if you want one of these two options.

gregmac
  • 28,726
  • 15
  • 82
  • 159
1

You're going to want to return the timer, and buy a 3-way compatible timer instead. Or check the installation instructions for the timer, and see if it provides instructions for a 3-way installation.

If you don't care about controlling the light from two locations, you could bypass the other switch.

  1. Connect black (traveler) to black (common) at other switch location.
  2. Cap red wire at other switch location.
  3. Connect black from power source to black on timer.
  4. Connect red from timer to black going to other switch.
  5. Connect white from timer to white from power source and white to other switch.
  6. Connect all grounds together.
  7. Cover other switch location with blank faceplate.
Tester101
  • 130,386
  • 77
  • 314
  • 605
1

Thanks for all the valuable info.

I got another digital timer switch, the Honeywell RPLS530A (see attached). It was advertised as "multi mode" switch. Would it work, without disabling the outdoor switch?

Now I'm OK with using the switch as an override-ON, but if my beloved wife is not happy, I'll return the switch and look for a 3-way model, which I thought I had purchased when I got the Woods 59019. But I'll wait to learn from you if the Honeywell RPLS530A model will work as a three way switch.

Again, thanks for lending a hand.

Honeywell digital timer switch, model RPLS530A

Gerard
  • 39
  • 1
  • 4