I am pulling the permit and installing the electrical wiring for my Waterfurnace 7 Series 4-ton Ground Source Heat Pump / Furnace. These are the components:
- 7 SERIES 700A11 Model 048 (Reference Installation Manual)
- Auxiliary Heater Model EAL(H)10*
My questions:
- Is it fair to say I need two separate circuits for this equipment? That seems clear to me, but I feel I should ask.
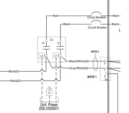
- 6/2 wiring should suffice for both of these circuits in terms of amperage for the equipment in question, correct? The maximum amperage as I understand for 6 gauge wire is 55A. Per the documentation and screenshots below, the aux heater should draw a maximum of 40A at 240 V; and the furnace is requiring a 50A breaker, meaning the breaker will trip before it reaches the maximum of 55A for the wire gauge.
The unit is being installed in an unfinished basement, replacing a propane furnace. I will be running all wiring from the panel, to the unit. Wiring will be 6/2 romex from the top of the load center / breaker box, traveling along the sill and along the joists, stapled every 12"-16". While not fully required (because the panel is within direct eyesight of the furnace), but best practice, I am installing 60A physical disconnects on a plywood panel at eye level for each circuit. Where the wiring departs the joists and travels to the disconnects, I am using flexible non-metal 'liquid proof' conduit for ease of install over PVC or metal conduit.
My circuit plans are as followed:
- A 50A breaker with 6/2 romex for the furnace
- A 60A breaker with 6/2 romex for the auxiliary heater
Technical Details of Equipment:
Auxiliary Heater Wiring Diagram:
Please let me know if you have any questions or clarifications. I appreciate any tips, advice, critiques, or feedback. I'll be happy to answer any questions I haven't addressed. Thank you!



