This antique cast iron tool is apparently for carpenters and incorporates a router section with an adjustable fence. What is it called and who made it?
-
1Picture not coming/bad link. – crip659 Jul 30 '22 at 22:34
-
3looks like you added the picture and then deleted the link to the picture, so the picture isn't added after all. [edit] and try again, and don't delete the gobbledegook it puts at the bottom of the edit box... – Ecnerwal Jul 30 '22 at 22:58
-
2Not sure who did a -1 on a new user with a good question and some technical issues, but welcome aboard and likely a +1 from me and many others once you get the picture figured out. – statueuphemism Jul 31 '22 at 00:12
-
2Also, once you fix the photo problem, click "reopen". A few other people should follow along and this will reopen the question. – DoxyLover Jul 31 '22 at 05:19
-
@DoxyLover I don't see "reopen" anywhere. – Hot Licks Aug 01 '22 at 02:37
-
@HotLicks - It should be at the bottom of the post, just below the "cast-iron" and "antique" tags. Several options in the next line - share, edit, follow, reopen, and flag. – Mark Aug 01 '22 at 02:44
-
@Mark I guess I don't have enough rep. – Hot Licks Aug 01 '22 at 03:08
-
@HotLicks - That may be. You've got two votes now, it shouldn't take long to get another one. – Mark Aug 01 '22 at 03:30
2 Answers
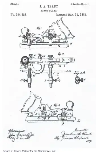
This is a Combination Plane, probably from the 19th century.
It combines all or some of the tool functions offered by "a skewed cutter plow, dado, filletster and match plane".
If it's a Stanley brand, the brand would be readable on the side. If not, it could be one of many imitations. Perhaps it's number "45", types 1 to 4. Later models have more adjustment screws.
The “combination plane” was developed to create a woodworking tool that would perform multiple functions and free a workman from having to own a large number of individual planes. Over a 50-year time span in the second half of the 19th century numerous inventors patented and produced a broad array of combination planes.
Ref: eaiainfo.org
There are several patents of this tool.
Images:
- 15,457
- 26
- 49
-
-
@billd. depends on the features (how many adjustments possible) and the accessories not depicted, if any. On ebay these vintage tools are around $80-$200. If it doesn't function because the screws have seized then its only ornamental, so less value. Where did you find it? – P2000 Aug 02 '22 at 14:19
-
1
-
@billd. ok well have fun with it. Glad this was useful. Remember to mark off the answer you liked best. That's a separate action in addition to any upvotes. – P2000 Aug 13 '22 at 23:45
This looks like a rebate (or rabbet) plane. A quick search shows brand new ones which look very similar in design. The further away part is a basic manual plane and the nearest part an adjustable fence to guide where the planing happens. I have no idea who made this specific one however.
- 830
- 4
- 9


