I am rewiring my entire house after a major malfunction of two antique knob and tube circuits. I'm up against a challenge with some outdoor lights. Here's the situation: I have a detached garage. It has a porch light over the service door, and it works on a pair of three way switches located in the garage and in my kitchen. The porch light over the kitchen door also works with this garage light - they are both controlled by the same 3 way switches. I'm a really big fan of this setup, and I hope to save it.
The garage is powered by an underground 10-3 romex cable connected to a 2 pole 30 amp breaker in my brand new 200 amp main service panel in my basement. It goes to an old QO service panel in the garage that has no main breaker and no ground bar. There is also a 12-3 romex cable going to the garage to make the three way switches between the two buildings function. Neither cable has a ground wire. Both cables are buried under my blacktop driveway and not in conduit, so they are so hard to replace that let's just assume it's impossible.
I know I need to replace the load center in my garage with a new, grounded unit. Remember, I'm rewiring a whole, enormous old house built in 1878, so getting the lights back on is first priority - I'll get to the garage when the house is done.
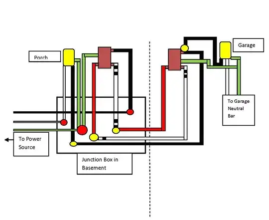
My question concerns the 3 way circuit controlling those two porch lights. It seems like it shouldn't work with only 3 conductors travelling between the switches and lights on both ends, but somebody did all kinds of janky stuff with the old knob and tube wiring to make it work (It wasn't me!). I'm thinking about doing something that maybe isn't quite as janky as that, but I need to know whether it's safe. There is no building inspector where I live, so just go by National Codes and personal experience I guess.
Here is a diagram of what I'm thinking about doing. Basically I would run a fairly normal 3 way circuit, except that when it gets to the switch in the garage I would wire nut the black wire from a piece of romex to the wire coming off the common and run it to my porch light. Then I would take another piece of romex and use the white wire in it to get a neutral connection in the garage's load center for the garage light. Ground wires in the garage would just run to the neutral bar until I get a new load center out there. Grounds in the basement would be wired properly to my new load center in there. Between the switches there would be no ground since I can't add one to the underground cable.
Will this work?
Is it safe?
If the "power source" is the "load" side of a GFCI outlet, will it constantly trip since the current on the neutral from that garage light isn't returning through it? All help is appreciated.



