CHAPTER III
THE CHOICE OF A MOTOR
By Alfred c. Harmsworth
Few undertakings require more care and caution than the choice of a motor-car. Of the three or four hundred types and varieties now in existence, many are of no practical use, some are extremely complicated, not a few dangerous, and many more or less faulty in construction. The difficulty of the choice is increased by the fact that almost every enthusiast recommends the particular kind of carriage he himself possesses, and in addition every manufacturer claims, and possibly believes, that his is the only possible automobile.
My own experience, though not nearly so extensive as that of such veterans as Mr. Rolls and many others, is, I venture to believe, as varied as that of most chauffeurs, and I think I can claim to be free from prejudice. I am running at present four cars of French construction, two of American, two of English, and some others which are practically English. Three are driven by petrol, three by steam, and two by electricity.
I shall speak quite frankly of each method of propulsion. To-day my own experience teaches me that in the year 1902 a good petrol engine is infinitely the best for all-round work. That is to say, if one intends to own a single motor-car only, and desires occasionally to travel for long journeys, there can in my judgment be no doubt that a petrol engine, with a Daimler or some similar type of motor, is the wisest purchase. The point is a contentious one; but I selected this type of engine as the best for use five years ago, and since then time has brought almost every motor manufacturer to my side. One after another the Continental makers have copied the shape and design of the Panhard carriages, which are in most respects similar to those of the English and German Daimlers. Among the many advantages of this type of engine is that it is easy to get at, is simple in construction, understood by more mechanics than any other engine except perhaps the De Dion in France, and so lasting in quality that Mr. Evelyn Ellis, who brought the first four-horse motor to this country in 1894, still has it, though it now does duty as a fire-engine.[1] My own six-horse Panhard, which was one of the earliest of that type, is as good
_0067.jpg.webp)
The English Daimler Company's 22 h.-p. Car[2]
to-day as it was in 1896, and my six-horse Daimler, though only two years old, has done an enormous amount of rough work, and is in every respect as good as on the day it was made. My steam-engines have given me some trouble, though improvements are being devised with great rapidity; but in the smaller types the necessity of taking water, nominally every fifty miles but in reality much oftener than that, their fragility of construction and difficulty of management in a high wind, render them at present only useful to those who thoroughly enjoy a mechanical task.
Quite the most perfect cars are my two electric carriages, one a Columbia phaeton, and the other a small brougham supplied by the City and Suburban Electric Carriage Company; but—and it is a big but—they are limited to a range of fifty miles, and though there are constant improvements in batteries, and electric charging stations are springing up all over the country, I can only at present recommend them for a twenty-mile radius round a house in town or country—for that work they are not to be excelled. Only those who have suffered the experience of seeing a valuable pair of horses losing their step and style
_0068.jpg.webp)
A Benz
can realise what a help to a stable it is to have one electric carriage on the premises. For shopping, theatre and station work, an electric carriage is an inestimable boon.
In considering the purchase of a motor-car I will assume that the reader desires only one, and that it will be required to do all kinds of work. This involves, then, that such a carriage must be either closed or else so made that a top can be fixed to it. Altogether insufficient attention has been paid to the question of covered carriages in England, but not so in France. One of the most noticeable features of the Exhibition of December 1901 was a recognition of the fact that a motor is not a mere fine-weather phaeton, but a carriage to be used at all seasons.
Assuming, again, that the reader has decided on a petrol car, the matter becomes a question of cost. We have been told for a number of years that the motor-car would soon be very much cheaper, but so far this is only partially true. The day of fancy prices caused by the demand of very rich people for something of which the output is very limited is almost gone, but it is difficult to suppose that one will ever be able to buy a well-built carriage, drawn by a complicated and beautifully
_0069.jpg.webp)
Eight h.-p. Peugeot (1902).
constructed piece of machinery, for anything approaching the price of a mere brougham or victoria. Yet that is what many people are expecting, forgetful of the fact that a motor-car is a horse and carriage in one, that its stable bill is of the smallest, that it ceases to consume oil or spirit immediately it is at rest, and that although its tyre bill, and accounts for occasional repairs, may be high, it is not subject to half the troubles that worry the owner of even the best-conducted horse stables.
LIGHT CARRIAGES AND VOITURETTES
De Dions, Decauvilles, Darracqs—their name is legion. The owners of large cars are sometimes apt to despise the little
_0070a.jpg.webp)
The Darracq Light Car
cars, as the driver of the four-in-hand disregards the pony-chaise. Some of these little cars are somewhat trying to people
_0070b.jpg.webp)
Eight h.-p. De Dion Light Car
with sensitive nerves. They have big single-cylindered motors which run at high speeds, and their clatter is intense. But they are frequently swift and easy to manage. The very light voiturette is giving way to the light car. Perhaps the most perfect model of the newer type is the 7 h.-p. Panhard. The 'tum-tum-tum' of its double-cylindered motor is by many considered a little objectionable, but otherwise the car is delightful. It may be said to be the direct outcome of racing.
_0071.jpg.webp)
Five h.-p. Renault Voiturette
Its top speed is thirty miles an hour, and it will average twenty miles an hour in any country. But far cheaper vehicles can be purchased which are sound and serviceable carriages. One costing 250l. ran without a hitch through the Automobile Club's Glasgow trial of 535 miles, and climbed the hills at good speeds. I cannot do better than refer readers to the results of that trial, some of which will be found in the chapter on Records, and to the results of the club trials generally,
_0072a.jpg.webp)
Delahaye Light Car
which may be obtained by the public by writing to the Automobile Club, London.
Light carriages known as voiturettes can be purchased for 120l. upwards, and many of them are good of their kind.
_0072b.jpg.webp)
Seven h.-p. New Orleans Car
Assuming that the purchaser has 500l. to lay out, for that sum he can get a six or seven horse-power carriage with the Daimler type of engine, capable of carrying four people including the driver, with a covered top for wet weather. Nay, if he is satisfied with a light and frail open carriage he could obtain one of much higher horse-power, and a speed up to between thirty and forty miles an hour but this is a mere racing machine for those who desire to travel speedily without any protection against the weather.
If the purchaser intends to run his car on economical lines let me advise mixed tyres, that is, solid tyres on the back wheels and pneumatic on the front. Although the speed is considerably reduced, a great source of expenditure is avoided. I am inclined to think that the pneumatic tyre craze has been
_0073.jpg.webp)
The 40 h.-p. Panhard and Levassor Racing Car which was driven by Mr. C. Jarrott in the Paris-Berlin race of 1901, and finished eighth
altogether overdone by motor-car owners. At the present time I am using solid tyres entirely on one car, on another mixed tyres, and on another, an American one, single-tube tyres (very excellent these); on yet another pneumatic tyres shod with metal, excellent for town use, and on a large and fast car, pneumatic tyres all through. The pneumatic tyres are undoubtedly the most comfortable of all, they are beyond question more speedy, but they are very costly—my own tyre bill last year was over 500l. They are also very liable to puncture in hot weather, more prone to cause side-slip, and in other ways a luxury that has to be paid for. I advance these points to prevent the purchaser from definitely committing himself to pneumatic tyres because other people use them. I admit that the Michelin tyre is a beautiful piece of constructive work, still for some time past I have been gradually increasing the proportion of solid tyres in my stable.
In referring to horse-power, though I do not wish to encroach on the mechanical portion of this book, I would point out that to the lay mind the term is very misleading. It was thus that the earlier motor-cars were greatly under-powered. The average man imagined that a one-horse engine was equal to one horse, that therefore a six-horse was equal to six horses, and that a carriage propelled by six horses was good enough for anyone. The term horse-power is open to much misconstruction, it is very loosely used by manufacturers in their advertisements, and, as to advertisements generally, I advise considerable caution in accepting their statements. No manufacturer would decry his wares, and the statements of the leading firms of makers may, as a rule, be received; nevertheless, any person who has carefully considered the pages of advertisements in the motor-car papers will long ago have come to the conclusion that for ways that are dark the motor-car agent is, in some cases, a long way in advance of the horse-dealer.
A good motor carriage, of course, requires constant care and attention and skill. I was talking recently to the owner of several very good cars on which he had spent some thousands of pounds. They had been turned over to the care of a coachman, with the result that, though the poor fellow did his best, the vehicles began to be regarded as a mere nuisance. One would not dream of putting a coachman in charge of a printing machine, a steam launch, or a cathedral organ; yet each of these exquisite pieces of mechanism is as little associated with a stable and a coachman as a motor-car. Coachmen can be taught to drive motor-cars, but there is a great difference between mere driving and a mechanical comprehension of the machinery. In the case of the electric carriage, a shrewd coachman or groom can easily be trained to take complete charge.
A good many people interested in motor-car matters are prone to the assumption that the motor-car question is a very simple one. To the horror of a good many of my enthusiastic friends I have always been bold enough to make two statements, first, that in unskilled hands the motor-car is very dangerous to its owner, its passengers, and others; and secondly, that the motor-car is as complicated as the horse. In skilled hands undoubtedly the motor-car has no compeer; it is a safer means of travel even than the railway. The chief danger is 'side-slip,' and in an article which I had the pleasure of contributing to the 'Badminton Magazine' I made the following remarks:
Personally I regard a twelve-horse power automobile as almost as dangerous as a four-in-hand. I object to driving behind a
_0075.jpg.webp)
Baron de Zuylen's six-seated 20 h.-p. Panhard and Levassor Car, which ran in the Tourist Section of the Paris-Berlin race of 1901
spirited team unless in proper hands. I refuse to drive in a motor-car unless I know the abilities of the driver. The automobile is free from the dangers that follow shying, bolting, rearing and running away, but it has an equally dangerous enemy in sideslip. Nearly every motor accident one reads of is an exaggerated account of a side-slip; and yet nearly every side-slip is avoidable. Side-slip amounts to this, that one cannot rapidly apply the brakes on greasy wood, asphalte, oolite, macadam, or stone blocks. The result of such application is invariably unpleasant, sometimes dangerous. There are patent tyres which minimise the danger, but let every person who purchases a motor-car recognise that it is a danger, and one that cannot be avoided by the most skilful driver unless he proceeds slowly on dangerous road material.
The causes of side-slip are discussed by other writers in this book, but one cannot be too careful in touring, in mountain country especially, to watch the road material as one goes along, and to be ready at any time for very careful driving. There are certain conditions of some kinds of roads when it is almost impossible to drive a motor-car with safety even with non-slipping tyres.
An extremely bad piece of road on a very wet day, for example, is that into Cannes. Coming into Cannes from Marseilles there is a slight declivity just outside the Hôtel Beausite. I have driven up and down that piece of road many scores of times, but on one bad day I found it practically impossible to steer properly. Some of those roads in Kent and other parts of England in which the chalk surface has become exposed require careful negotiation. But the most dangerous road of all is during a partial thaw after a heavy frost. I can offer no suggestion for driving under these conditions. In the course of a winter tour during which one goes in a few minutes from green plains into half-frozen mountain roads, it is difficult to know how to continue one's journey. Mr. Mayhew, one of the best drivers in England, lately described in the gazette of the Automobile Club an experience in which he came rapidly backwards down a hill during a wintry run unable to exercise any control over his car. Fortunately, however, these incidents very rarely occur. I have made a three-thousand-mile journey in France without any occurrence of the kind; on the other hand, I have had a week of travelling on snowy and wet roads on which one had to fight against side-slip all day long.
Of the safety tyres it is yet too early for me to speak as regards their winter use. I have given them a trial on a heavy carriage, and the only objection I found is that they make a little noise when travelling over stone sets, and that they skid on snow. They certainly, however, enable one to stop instantly on surfaces where it would be impossible to check speed with pneumatic tyres. For this particular travelling-carriage I am describing, in the course of the description of which I have
![]() |
|
| GEORGES RICHARD 10-H.P. CAR Without Chains or Belts. |
35-H.P. MERCEDES With Kellner Body |
![]() |
|
| LIGHT CAR Hozier Engineering Co. |
DURYEA MOTOR SURREY |
FOUR TYPICAL MOTOR CARS
intentionally wandered to side issues, I have three sets of tyres, ordinary pneumatic, steel-shod safety, and solid. Each has its advantages. The pneumatic are obviously the most comfortable and the speediest, but they puncture easily and are prone to side-slip. The solid are much heavier and slower, but they do not puncture and are less liable to side-slip. The Gallus tyres are, I think, heavy, and do not look as though they would stand very long journeys at high speed, but they are very much safer, if costly. Still, I presume that those who are able to indulge in the somewhat expensive amusement of land yachting, which is, however, economical by comparison with the humblest kind of ocean yachting, will not hesitate at a few pounds in order to secure the comfort of safety. On such a tour stringent economies are not wise, though it is not necessary to be extravagant.
It would be grossly unfair to many excellent makers if I attempted only to support the Daimler and De Dion types of engines. Other good ones are in existence, and the next few years will doubtless see further developments. The danger to be faced by beginners is that they should be over-persuaded by enthusiastic inventors and makers to purchase a machine the description of which reads excellently on paper, which makes a very good trial trip, but which is of no real practical use. For this reason I would always urge that the actual purchase of a motor-car should be deferred until the last possible moment, until by experience and by enquiry real knowledge has been gained. For this purpose membership of the Automobile Club of Great Britain is a practical economy. Many automobilists have saved their entrance fee and subscription again and again by the opportunities offered by the Club of gleaning information. Other practical advantages of membership are pointed out elsewhere in this work, but I consider that in the present chrysalis state of the movement the opportunity of receiving unbiassed information such as is ungrudgingly accorded by one member of the Club to another is of the greatest possible assistance. Among its enormous membership will be found owners of almost every known make.
To a man of leisure who is also of a mechanical turn of mind the management of a motor-car is doubtless a pleasure, but a very considerable amount of time is required for keeping the engine in order.
For some years I have made long Continental journeys in motor-cars, and have hitherto been exceptionally fortunate in avoiding breakdowns of any kind. My friends have been surprised at the punctuality with which we start in the morning and-arrive at our destination, some two hundred miles off,
_0080.jpg.webp)
Twenty h.-p. Wolseley Car
in the evening. They are unaware that my engineers have spent at least an hour on each car before starting in the morning. Such care may not be necessary, but it is certainly wise.
One need not run to the other extreme of constantly tinkering with the machinery, a very common fault with amateurs. The desire to 'take the thing to pieces, put it together again,' and say afterwards that one has done so is very great.
The numerous difficulties of cars, the little things that happen, are ably dealt with in the other portions of this work, which should be carefully read by everyone before purchasing a motor. My own experience is that a long run on a wet day in hilly country will, as a rule, find out what is wrong.
One must not on the other hand be too critical. In showing off a horse or a motor-car it not seldom, unfortunately, happens that neither is seen at its best. I remember in the summer of 1901 going for five months without a puncture of any kind in a certain twelve-horse car. I was punished for a little bragging by the occurrence of no fewer than three punctures one afternoon, while conveying a friend, to whom I had been congratulating myself, on a comparatively short journey.
Hardly any class of motor-car is so generally useful for country-house work as an omnibus. Wishing for something more speedy than an eight-horse Panhard, I purchased a twelve, and converted my old friend into an omnibus, which has proved eminently satisfactory for station work. Carrying four inside and one beside the driver, with ample room for luggage, it is a great relief to a horse stable in very hot or very wintry weather. It is geared down to twelve miles an hour, and pneumatic tyres have given way to solid. Were I ordering a new omnibus, I should not do so without at least a twelve-horse engine and seating capacity for ten, with luggage; and for heavy work in hilly country an even higher horse-power would be very desirable. My carriage was converted by an ordinary firm of London carriage-builders, who made no pretence of building lightly, and who were not aware that long journeys at twelve miles an hour will in time cause the windows to shake. These, however, are the only defects we have discovered in the converted carriage, which has frequently made journeys of a hundred miles a day with passengers and luggage. The form, of course, is not suited for long distances, as sitting sideways all day becomes very fatiguing.
There are now so many forms of covered vehicles that it is difficult to recommend one particular shape in preference to another. One form, however, possesses a danger with which I should like to deal. I refer to those carriages which are entered by raising the front seat, which have no other means of entrance or exit, and in which the passengers are in a trap; but it is difficult at present with the Daimler type of engine to have a satisfactory carriage by which one enters from the sides.
The most comfortable motor-car, and in many ways the most satisfactory, with which I am acquainted is my own Serpollet, modelled on the lines of the travelling-carriages of our grandfathers. It was specially designed for me by M. Kellner, senior, of the well-known firm of Kellner, Paris, who is old enough to have travelled across Europe in a genuine Berlin. I have made many long journeys on the Continent
_0082.jpg.webp)
Napier Car
in it. There is room for an engineer and valet in front and four passengers inside, though for long-distance travelling it is much more comfortable with only two passengers. The driver is protected from wind, rain, and snow by a glass in front, which may be raised if necessary, and by two side curtains. These front glasses have the disadvantage that they may become obscured by heavy rain, frost, or dust, and for this reason, under certain conditions of weather, they must be constantly rubbed over from the outside, as it is essential that the driver should be able to see distinctly. The side curtains, too, have the effect of keeping out sound, which is a slight disadvantage, though considering that a motor-car is the most rapidly travelling vehicle on the road, the danger is not so much to be feared from behind as from something within sight. Over the driver's head is a wire luggage basket which conveys the heavier impedimenta of the tourists. Under the two back seats are locked drawers for valuables and anything that may be wanted en route. Under the front seat inside
the carriage are electric batteries for the lamps with which the interior is lighted. The front seat can be let down if necessary, and its place taken by a net into which it is convenient to throw such things as books, cameras, a sponge-bag (containing materials for a hasty toilet on the road), maps, newspapers, fruit, and the hundred and one odds and ends one collects in a day's travel.
The material with which the interior of the carriage is lined is that pale buff cloth familiar to travellers in French first-class railway carriages. I feared that it would easily soil, but M. Kellner assured me that experience has proved it to be the best material, and he was entirely right; the carriage has now been running a year, it has been all over France and England, and it looks as good as new. The sides are a mass of pockets in which we stow all manner of unconsidered trifles. It is remarkable, indeed, what can be got in and upon a carriage of this sort; for, in addition to the personal belongings of the tourists, there are the engineer's and servant's spare clothes, and always a certain amount of special lubricating oil.
As the Serpollet boiler is heated by ordinary paraffin, we have not the petrol difficulty, for paraffin, or, as it is called in France, pétrole ordinaire, is procurable everywhere in almost any civilised or uncivilised country; indeed, it is as easy to obtain as water, which is, however, occasionally not so readily found as one might think — on the great plains of central France one may occasionally travel for an hour or two without being able to replenish one's water supply. My advice to travellers generally by steam automobiles is to take in water whenever they can, and, so far as the Serpollet is concerned, the cleanest water they can get.
One of the electric lamps for lighting the interior of a travelling motor-carriage should be movable and have a long wire, so that it can be placed behind one for reading purposes, and be used for searching in drawers. I never allow the mechanical portion of the motor-car to interfere with the interior of the carriage, a rule which experience has taught me to be very necessary. Your motor-car engineer as a rule gives but little heed to the carriage part of his vehicle; to him the engine is all in all, and he will not hesitate to thrust some of his oily belongings into the interior of one's vehicle unless such a rule as that which I have made is strictly laid down and sternly kept. So far as the outside of the car is concerned, on a long journey I do not go in for appearances, but I will not permit the inside to be disfigured with oily waste or black finger-marks.
The heating of such a carriage is not at all difficult to achieve by steam, but a very convenient warmer is known as the 'Instra.' It is, I believe, the invention of Lord Dundonald. It will be very well known to many readers as a small portable foot or hand warmer, consuming some form of charcoal. An ordinary carriage hot-water tin, however, does very well. Technically my carriage is known as a landaulet, and I am acquainted with no more delightful way of travelling in hot weather or indeed in winter. The advantage of such a carriage is that one is oblivious of the weather, and its only drawback (I do not refer to the Serpollet engine — that is dealt with elsewhere) is risk of side-slip.
As to touring, if one has a party it is pleasant to take two cars, one faster than the other. The fast one can be sent on ahead so that dinner and rooms for the night may be ordered. It is never wise on such a journey to attempt too great distances in the course of a day; personally, I am quite satisfied with a minimum of 120 miles, and in the short days of winter less is enough. To try a greater distance means very early rising or proceeding in the
![]() PANHARD |
![]() 5-H.-P. RENAULT | |
![]() MERCEDES |
![]() SERPOLLET TRAVELLING CARRIAGE | |
![]() ELECTRIC DUC |
![]() ELECTRIC SPIDER |
SIX TYPICAL MOTOR CARS
dusk on strange roads — always an unwise thing to do. My Serpollet can travel very easily twenty-five miles an hour on an ordinary give-and-take road, even when fully loaded. Faster than that is not comfortable and is not necessary. Averaging twenty miles an hour and allowing two hours for meals, exercise and sight-seeing, one finds that eight hours of a winter's day are gone when one's 120 miles are finished. In the summer, when touring is of course pleasanter, one can travel two hundred miles a day with the greatest ease and without discomfort.
A very useful form of motor-car is a beaters' or luggage-car, that is to say, a long wagonette. Mr. John Scott-Montagu has pointed out, in his interesting contribution to this book, the great utility of a car for conveying beaters or loaders. I would remark that such a carriage can also be used for conveying heavy goods and guests' luggage. It would not be difficult to get one made with an omnibus top for use if necessary.
There seems to be an impression that motor-cars should all be of a certain shape. The Tonneau body is at present the most popular. As a matter of fact one can get almost any shape one wishes, but experience has proved that forms of carriage which are suitable for horse-driven vehicles are not always equally suited to motor-cars. With certain kinds of engines, too, it is difficult to adopt any other form of car than the Tonneau, or for the wet weather the Limousine. Some kind of carriage bodies are obviously heavier than others, and, therefore, take away from speed, but I regard the suppression of mere open carriages for use in warm weather only as a matter of the very near future.
Though I am the possessor of one of the most powerful motor-cars in England, I am not at all an admirer of them for ordinary use. Even with what is known as the 'throttle' system of governor, by which one can reduce the speed as much as one wishes, I consider that these heavy and powerful road engines are a mere passing freak of the hour. Their weight makes them comfortable on rough roads, but the amount of petrol required to drive them is a serious item of expense. So far as this country is concerned, there are very few roads on which they can, so to speak, be let loose. On the long, straight roads of France, it is pleasant to indulge in a sixty miles an hour spin now and then, but when one considers the rapidity with which these monsters consume tyres, the fact that they are not at all suited for the conveyance of ladies, and are most uncomfortable on wet, windy, or dusty days, I am inclined to think that a few years will see their disappearance.
Quite the most important point on which a purchaser should be satisfied is the hill-climbing power of the motor vehicle submitted to him. It is not only necessary that a car should take its full load up a steep hill, but it is essential for satisfactory touring that it should take its load up the steep hill at a good speed.
Many of the earlier cars were so under-powered (the engine-power being insufficient in relation to the weight of the carriage body and load) that on an incline of any steepness they could not pull their load at a speed of more than four miles an hour.
This matter is of urgent importance, and I propose to illustrate it very fully by showing the average speeds arrived at by one of these earlier cars and by a modern car respectively, over a distance of two miles, consisting of one mile up-hill and one mile down-hill.
If the old-fashioned car mounts the hill at four miles an hour and descends it at thirty miles an hour, its average speed for the two miles would be, in spite of the illegal and break-neck rush down hill, only a shade over seven miles per hour. If, on the other hand, the modern car goes up the hill at ten miles an hour and comes down at thirty miles an hour its average for the two miles will be fifteen miles an hour. At the foot of the descent the modern car would be nine minutes ahead of the old-fashioned car.
One may easily calculate what this difference would represent in a long day's run.
It is surprising to find that if a man who has been used to driving cars which go slowly up-hill changes to a high-powered car the temptation to rush down-hill vanishes. One's view of the road is reversed. Whereas in the under-powered car the temptation to rush down-hill came on one as a relief from the monotony of grinding and groaning up-hill, and consequently up-hills were dreaded and down-hills welcomed, with the high-powered modern car one pines for up-hills on account of the pleasure of annihilating them, and having arrived at the top the car is allowed to meander leisurely down the other side. Horses, bicycles, railway trains go slowly on up-grades. The modern motor appears to disregard the laws of gravity and to fly up-hill. The sense of conquest is glorious. The temptation to 'scorch' down-hill is gone. Undoubtedly the high-powered motor removes the temptation to excessive speed down-hill, and consequently removes a great danger. This is illustrated by referring again to our example. Supposing that the driver of the modern car wished to descend very cautiously, he could do so at six miles an hour and yet arrive at the foot of the hill a minute in advance of the old-fashioned car which ascended at four and descended at a speed of thirty miles an hour.
These illustrations will, I hope, bring home to buyers the necessity of purchasing a car which will ascend hills at a good speed, and of not being carried away by statements that a car will ascend 'one in four' without first ascertaining at what speed it will ascend 'one in ten.'
If a buyer finds that the car he is inspecting has not been submitted to the Automobile Club's 100 miles trial in which the speeds on hills are ascertained, he should insist on the seller carrying out a hill-climbing test in his presence.
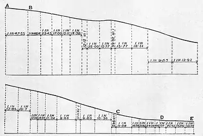
Near London he cannot find a better ascent for this purpose than Petersham Hill, which leads from the Star and Garter Hotel at Richmond down to Petersham Road. The motor-car with its full complement of passengers should be timed from opposite the Dysart Arms in the Petersham Road, _0090.jpg.webp)
Petersham Hill, Richmond
A. Junction with Queen's Road. B. Opposite main entrance to Star and Garter Hotel. C. Junction with Petersham Road. D. Opposite Fountain, Petersham Road. E. Opposite Dysart Arms, Petersham Road.
and the time should be taken again at the main entrance to the Star and Garter Hotel. This is a distance of 1,800 feet, having a total rise of one in fifteen, but at parts the gradient is as steep as 1 in 912. The following are the times taken by cars travelling at average speeds of from four to twelve miles an hour respectively between the Dysart Arms and the Star and Garter on Petersham Hill: 5 min. 7 secs. = 4 miles per hour: 4 min. 5 secs. = 5 miles per hour: 3 min. 24 secs. = 6 miles per hour: 2 min. 55 secs. = 7 miles per hour: 2 min. 33 secs. = 8 miles per hour: 2 min. 16 secs. = 9 miles per hour: 2 min. 2 secs. = 10 miles per hour: 1 min. 51 secs. = 11 miles per hour: 1 min. 42 secs. = 12 miles per hour. As a matter of fact, the following results were obtained by experiments made during the winter when the roads were heavy between the Dysart Arms and Star and Garter entrance, with flying start:
| A car costing | 240l. | and carrying | 2 | persons ascended at | 8·8 miles | p. h. |
| " | 290l. | " | 4 | " | 7·8 | " |
| " | 328l. | " | 4 | " | 9·8 | " |
| " | 380l. | " | 4 | " | 10·8 | " |
| " | 450l. | " | 2 | " | 15·7 | " |
| " | 1,150l. | " | 4 | " | 16·8 | " |
| " | 1,150l. | " | 4 | " | 18·5 | " |
A contour of Petersham Hill is illustrated opposite.
Purchasers who live in hilly countries often ascertain from local surveyors what are the stiffest gradients on surrounding hills. They then go to London to purchase a car and ask the makers if it will ascend 1 in 812. An agent has been known to say 'yes,' and, in proof of this statement, the purchaser has been driven up to Savoy Street and has been told it is 1 in 812. In order to assist purchasers, the engineer of the City of Westminster has kindly supplied a correct contour of Savoy Street which is published (p. 60), and from this it will be seen that the average gradient is 1 in 13·4 and the steepest is 1 in 11·24. Another hill, a really steep one, has also been specially surveyed for the purpose of this book, and the contour is published (p. 61). This contour and the following particulars should be of considerable service to the purchaser from Devonshire or other hilly districts, and also to the maker of a good car, as the latter can prove by demonstration not only whether the car will go up a hill of known gradients but—a very important consideration—at what speed it will go up the hill.
The ascent to which I refer is situated in Richmond Park, and is usually known as the 'Test (or Broomfield) Hill.' On entering the Robin Hood Gate, the first turning to the left
_0092.jpg.webp)
should be taken. A gradual and winding ascent leads to the foot of the steep portion. Time should be taken on passing the second of two oak trees on the right,[3] the branches of which completely overhang the road. Time should also be taken at the last oak tree on the right at the top. The difference of altitude between these two trees is 75·03 feet. The average gradient is 1 in 11·3; and there are 72 feet having an average gradient of 1 in 7·8.
_0093.jpg.webp)
at average speeds of from four to twelve miles an hour respectively between the two oak trees above-named on the Test Hill in Richmond Park:—
| 2 min. 25 secs. = 4 | miles per hour. |
| 1 min. 55 secs. = 5 | " |
| 1 min. 36 secs. = 6 | " |
| 1 min. 22 secs. = 7 | " |
| 1 min. 12 secs. = 8 | " |
| 1 min. 4 secs. = 9 | " |
| 57 secs. = 10 | " |
| 52 secs. = 11 | " |
| 48 secs. = 12 | " |
The following speeds were attained in experiments held on the above-mentioned portion of this hill during the winter. The cars had flying starts:—
| A car costing | 290l. | and carrying | 2 | persons ascended at | 8·5 miles | per hour |
| " | 380l. | " | 1 | " | 10·9 | " |
| " | 450l. | " | 2 | " | 14·4 | " |
| " | 1,150l. | " | 4 | " | 15·2 | " |
Another hill which is fairly convenient to London, and is often used to test cars, is Netherhall Gardens, leading out of Fitzjohn's Avenue, near Swiss Cottage Station. This hill has been specially surveyed for the purpose of this book, and a contour is shown opposite.
PARAFFIN MOTORS
Many readers of the 'Badminton Library' will desire to know of cars which can be used where petrol is unobtainable. Messrs. Roots and Venables in England, Koch and others on the Continent, have for a long time studied the problem of the paraffin internal combustion engine. The advantages of motor-cars fitted with these engines for use in hot climates and places where petrol cannot be purchased are obvious. Ordinary lamp-paraffin can be found in almost any part of the globe.
_0095.jpg.webp)
A. Line of Forecourt fence east side of Finchley. B. Drain-Grating in the middle of bend. C. Opposite first lamp-post (L.P.). D. Danger lamp in the middle of the road. E. Grating. L. A point in centre of road opposite the party fence on the left between Nos. 57 and 59. N. The kerb-line on the west side of Fitzjohn's Avenue. P.L.B. Pillar letter-box. L.P. Lamp-post.
MOTOR-CARS FOR DOCTORS
Motor-cars will before long be used by all doctors whose practices involve much road travel. The question of cost is the important one. Space does not permit of this being dealt with here, but the question was very fully discussed in a nine-page article which appeared in the 'Autocar' of October 7, 1899, p. 888, and to a smaller degree in the same issue on p. 907; also in the 'Autocar' of October 14, 1899, p. 921, and December 8, 1900, p. 1189.
Many doctors who use motors have joined the Automobile Club, and these are always willing to give information to their fellow-members.
SECOND-HAND CARS
I do not advise the purchase of a second-hand car, but if it is considered necessary to effect a very doubtful economy I urge attention to the following points:—
(1) Pay no attention to paint, varnish, and upholstery. These things cost a few pounds only, and often hide a multitude of defects.
(2) Insist on a whole day's trial on a hilly road.
(3) Let the engine be taken to pieces after the trial, to ascertain condition of cylinders, gear, and bearings. Should the cylinders prove to have been heated on any occasion drop the idea of purchasing the car. Cylinders are often covered with aluminium paint to hide this fatal defect.
(4) See that the axles are straight and that the four wheels run true and parallel.
(5) Ascertain number and type of engine, and write to manufacturers for real date of issue.
(6) In buying a second-hand electric car look carefully to the state of the batteries. Batteries, like petrol engines, can be 'faked.' Let batteries be discharged through a recording voltmeter and amperemeter, and see that the amperage of discharge is equal to the force required for running the car on a level road. See that the commutator is not worn.
(7) Second-hand steam cars of American make are worth little. Beware of them. Second-hand Serpollets are probably out of date. There are many about, and my experience proves them to be worthless. In the new type (issued since September 1901) see that the boiler tubes are in good order, and have not been scraped for effect. See also that there is no play on the bearings of the cam shaft.
(7) Generally speaking, approach second-hand cars with grave suspicion. My remarks will be unpalatable to dealers therein, but this book is not written for them. It would be grossly unfair to a respectable body of tradesmen to stigmatise them as dishonest, but there are unfortunately many black sheep in the fold.
MOTOR ENGINEERS
A prime difficulty of the establishment of a motor-car is the chauffeur or engineer.
The perfect motor servant should be a combination of gentleman and engineer. He is a new type of man, and will require the wages of other engineers. I do not think that a competent, cool-headed, skilful, well-mannered engineer will ever be obtainable for 30s. a week. On the other hand, the simplification of the motor engine and the establishment of garages will render the employment of highly educated engineers unnecessary in private establishments. As to public garages, some are well managed, others are not. Beware of those which offer to house your car very cheaply. They will make up the deficiency by overcharging you for repairs.
- ↑ See the illustration in Chapter I.
- ↑ The illustrations in this chapter are given simply to represent some of the types of cars now in use.
- ↑ Marked A on plan.
_0078a.jpg.webp)
_0078c.jpg.webp)
_0086a.jpg.webp)
_0086b.jpg.webp)
_0086c.jpg.webp)
_0086d.jpg.webp)
_0086e.jpg.webp)
_0086f.jpg.webp)