IRON AND STEEL.[1] 1. Iron, the most abundant and the cheapest of the heavy metals, the strongest and most magnetic of known substances, is perhaps also the most indispensable of all save the air we breathe and the water we drink. For one kind of meat we could substitute another; wool could be replaced by cotton, silk or fur; were our common silicate glass gone, we could probably perfect and cheapen some other of the transparent solids; but even if the earth could be made to yield any substitute for the forty or fifty million tons of iron which we use each year for rails, wire, machinery, and structural purposes of many kinds, we could not replace either the steel of our cutting tools or the iron of our magnets, the basis of all commercial electricity. This usefulness iron owes in part, indeed, to its abundance, through which it has led us in the last few thousands of years to adapt our ways to its properties; but still in chief part first to the single qualities in which it excels, such as its strength, its magnetism, and the property which it alone has of being made at will extremely hard by sudden cooling and soft and extremely pliable by slow cooling; second, to the special combinations of useful properties in which it excels, such as its strength with its ready welding and shaping both hot and cold; and third, to the great variety of its properties. It is a very Proteus. It is extremely hard in our files and razors, and extremely soft in our horse-shoe nails, which in some countries the smith rejects unless he can bend them on his forehead; with iron we cut and shape iron. It is extremely magnetic and almost non-magnetic; as brittle as glass and almost as pliable and ductile as copper; extremely springy, and springless and dead; wonderfully strong, and very weak; conducting heat and electricity easily, and again offering great resistance to their passage; here welding readily, there incapable of welding; here very infusible, there melting with relative ease. The coincidence that so indispensable a thing should also be so abundant, that an iron-needing man should be set on an iron-cored globe, certainly suggests design. The indispensableness of such abundant things as air, water and light is readily explained by saying that their very abundance has evolved a creature dependent on them. But the indispensable qualities of iron did not shape man’s evolution, because its great usefulness did not arise until historic times, or even, as in case of magnetism, until modern times.
These variations in the properties of iron are brought about in part by corresponding variations in mechanical and thermal treatment, by which it is influenced profoundly, and in part by variations in the proportions of certain foreign elements which it contains; for, unlike most of the other metals, it is never used in the pure state. Indeed pure iron is a rare curiosity. Foremost among these elements is carbon, which iron inevitably absorbs from the fuel used in extracting it from its ores. So strong is the effect of carbon that the use to which the metal is put, and indeed its division into its two great classes, the malleable one, comprising steel and wrought iron, with less than 2.20% of carbon, and the unmalleable one, cast iron, with more than this quantity, are based on carbon-content. (See Table I.)
| Containing very little Carbon (say, less than 0.30%). |
Containing an Intermediate Quantity of Carbon (say, between 0.30 and 2.2%). |
Containing much Carbon (say, from 2.2 to 5%). | ||
| Slag-bearing or ”Weld-metal” Series. |
Wrought Iron. Puddled and bloomary, or Charcoal- hearth iron belong here. |
Weld Steel. Puddled and blister steel belong here. |
||
| Slagless or “Ingot- Metal” Series. | Low-Carbon or Mild Steel, sometimes called “ingot-iron.” |
Half-Hard and High-Carbon Steels sometimes called “ingot-steel.” |
Cast Iron. | |
| It may be either Bessemer, open- hearth, or crucible steel. |
They may be either Bessemer, open- hearth, or crucible steel. Malleable cast iron also often belongs here. |
Normal cast iron, ”washed” metal, and most “malleable cast iron” belong here. | ||
| Alloy Steels. Nickel, manganese, tungsten, and chrome steels belong here. |
Alloy Cast Irons.* Spiegeleisen, ferro-manganese, and silico-spiegel belong here. | |||
the need of such a generic term rarely arises in the industry.
2. Nomenclature.—Until about 1860 there were only three important classes of iron—wrought iron, steel and cast iron. The essential characteristic of wrought iron was its nearly complete freedom from carbon; that of steel was its moderate carbon-content (say between 0.30 and 2.2%), which, though great enough to confer the property of being rendered intensely hard and brittle by sudden cooling, yet was not so great but that the metal was malleable when cooled slowly; while that of cast iron was that it contained so much carbon as to be very brittle whether cooled quickly or slowly. This classification was based on carbon-content, or on the properties which it gave. Beyond this, wrought iron, and certain classes of steel which then were important, necessarily contained much slag or “cinder,” because they were made by welding together pasty particles of metal in a bath of slag, without subsequent fusion. But the best class of steel, crucible steel, was freed from slag by fusion in crucibles; hence its name, “cast steel.” Between 1860 and 1870 the invention of the Bessemer and open-hearth processes introduced a new class of iron to-day called “mild” or “low-carbon steel,” which lacked the essential property of steel, the hardening power, yet differed from the existing forms of wrought iron in freedom from slag, and from cast iron in being very malleable. Logically it was wrought iron, the essence of which was that it was (1) “iron” as distinguished from steel, and (2) malleable, i.e. capable of being “wrought.” This name did not please those interested in the new product, because existing wrought iron was a low-priced material. Instead of inventing a wholly new name for the wholly new product, they appropriated the name “steel,” because this was associated in the public mind with superiority. This they did with the excuse that the new product resembled one class of steel—cast steel—in being free from slag; and, after a period of protest, all acquiesced in calling it “steel,” which is now its firmly established name. The old varieties of wrought iron, steel and cast iron preserve their old names; the new class is called steel by main force. As a result, certain varieties, such as blister steel, are called “steel” solely because they have the hardening power, and others, such as low-carbon steel, solely because they are free from slag. But the former lack the essential quality, slaglessness, which makes the latter steel, and the latter lack the essential quality, the hardening power, which makes the former steel. “Steel” has come gradually to stand rather for excellence than for any specific quality. These anomalies, however confusing to the general reader, in fact cause no appreciable trouble to important makers or users of iron and steel, beyond forming an occasional side-issue in litigation.
3. Definitions.—Wrought iron is slag-bearing malleable iron, containing so little carbon (0.30% or less), or its equivalent, that it does not harden greatly when cooled suddenly.
Steel is iron which is malleable at least in some one range of temperature, and also is either (a) cast into an initially malleable mass, or (b) is capable of hardening greatly by sudden cooling, or (c) is both so cast and so capable of hardening. (Tungsten steel and certain classes of manganese steel are malleable only when red-hot.) Normal or carbon steel contains between 0.30 and 2.20% of carbon, enough to make it harden greatly when cooled suddenly, but not enough to prevent it from being usefully malleable when hot.
Cast iron is, generically, iron containing so much carbon (2.20% or more) or its equivalent that it is not usefully malleable at any temperature. Specifically, it is cast iron in the form of castings other than pigs, or remelted cast iron suitable for such castings, as distinguished from pig iron, i.e. the molten cast iron as it issues from the blast furnace, or the pigs into which it is cast.
Malleable cast iron is iron which has been cast in the condition of cast iron, and made malleable by subsequent treatment without fusion.
Alloy steels and cast irons are those which owe their properties chiefly to the presence of one or more elements other than carbon.
Ingot iron is slagless steel with less than 0.30% of carbon.
Ingot steel is slagless steel containing more than 0.30% of carbon.
Weld steel is slag-bearing iron malleable at least at some one temperature, and containing more than 0.30% of carbon.
4. Historical Sketch.—The iron oxide of which the ores of iron consist would be so easily deoxidized and thus brought to the metallic state by the carbon, i.e. by the glowing coals of any primeval savage’s wood fire, and the resulting metallic iron would then differ so strikingly from any object which he had previously seen, that its very early use by our race is only natural. The first observing savage who noticed it among his ashes might easily infer that it resulted from the action of burning wood on certain extremely heavy stones. He could pound it out into many useful shapes. The natural steps first of making it intentionally by putting such stones into his fire, and next of improving his fire by putting it and these stones into a cavity on the weather side of some bank with an opening towards the prevalent wind, would give a simple forge, differing only in size, in lacking forced blast, and in details of construction, from the Catalan forges and bloomaries of to-day. Moreover, the coals which deoxidized the iron would inevitably carburize some lumps of it, here so far as to turn it into the brittle and relatively useless cast iron, there only far enough to convert it into steel, strong and very useful even in its unhardened state. Thus it is almost certain that much of the earliest iron was in fact steel. How soon after man’s discovery, that he could beat iron and steel out while cold into useful shapes, he learned to forge it while hot is hard to conjecture. The pretty elaborate appliances, tongs or their equivalent, which would be needed to enable him to hold it conveniently while hot, could hardly have been devised till a very much later period; but then he may have been content to forge it inconveniently, because the great ease with which it mashes out when hot, perhaps pushed with a stout stick from the fire to a neighbouring flat stone, would compensate for much inconvenience. However this may be, very soon after man began to practise hot-forging he would inevitably learn that sudden cooling, by quenching in water, made a large proportion of his metal, his steel, extremely hard and brittle, because he would certainly try by this very quenching to avoid the inconvenience of having the hot metal about. But the invaluable and rather delicate art of tempering the hardened steel by a very careful and gentle reheating, which removes its extreme brittleness though leaving most of its precious hardness, needs such skilful handling that it can hardly have become known until very long after the art of hot-forging.
The oxide ores of copper would be deoxidized by the savage’s wood fire even more easily than those of iron, and the resulting copper would be recognized more easily than iron, because it would be likely to melt and run together into a mass conspicuous by its bright colour and its very great malleableness. From this we may infer that copper and iron probably came into use at about the same stage in man’s development, copper before iron in regions which had oxidized copper ores, whether they also had iron ores or not, iron before copper in places where there were pure and easily reduced ores of iron but none of copper. Moreover, the use of each metal must have originated in many different places independently. Even to-day isolated peoples are found with their own primitive iron-making, but ignorant of the use of copper.
If iron thus preceded copper in many places, still more must it have preceded bronze, an alloy of copper and tin much less likely than either iron or copper to be made unintentionally. Indeed, though iron ores abound in many places which have neither copper nor tin, yet there are but few places which have both copper and tin. It is not improbable that, once bronze became known, it might replace iron in a measure, perhaps even in a very large measure, because it is so fusible that it can be cast directly and easily into many useful shapes. It seems to be much more prominent than iron in the Homeric poems; but they tell us only of one region at one age. Even if a nation here or there should give up the use of iron completely, that all should is neither probable nor shown by the evidence. The absence of iron and the abundance of bronze in the relics of a prehistoric people is a piece of evidence to be accepted with caution, because the great defect of iron, its proneness to rust, would often lead to its complete disappearance, or conversion into an unrecognizable mass, even though tools of bronze originally laid down beside it might remain but little corroded. That the ancients should have discovered an art of hardening bronze is grossly improbable, first because it is not to be hardened by any simple process like the hardening of steel, and second because, if they had, then a large proportion of the ancient bronze tools now known ought to be hard, which is not the case.
Because iron would be so easily made by prehistoric and even by primeval man, and would be so useful to him, we are hardly surprised to read in Genesis that Tubal Cain, the sixth in descent from Adam, discovered it; that the Assyrians had knives and saws which, to be effective, must have been of hardened steel, i.e. of iron which had absorbed some carbon from the coals with which it had been made, and had been quenched in water from a red heat; that an iron tool has been found embedded in the ancient pyramid of Kephron (probably as early as 3500 B.C.); that iron metallurgy had advanced at the time of Tethmosis (Thothmes) III. (about 1500 B.C.) so far that bellows were used for forcing the forge fire; that in Homer’s time (not later than the 9th century B.C.) the delicate art of hardening and tempering steel was so familiar that the poet used it for a simile, likening the hissing of the stake which Ulysses drove into the eye of Polyphemus to that of the steel which the smith quenches in water, and closing with a reference to the strengthening effect of this quenching; and that at the time of Pliny (A.D. 23–79) the relative value of different baths for hardening was known, and oil preferred for hardening small tools. These instances of the very early use of this metal, intrinsically at once so useful and so likely to disappear by rusting away, tell a story like that of the single foot-print of the savage which the waves left for Robinson Crusoe’s warning. Homer’s familiarity with the art of tempering could come only after centuries of the wide use of iron.
5. Three Periods.—The history of iron may for convenience be divided into three periods: a first in which only the direct extraction of wrought iron from the ore was practised; a second which added to this primitive art the extraction of iron in the form of carburized or cast iron, to be used either as such or for conversion into wrought iron; and a third in which the iron worker used a temperature high enough to melt wrought iron, which he then called molten steel. For brevity we may call these the periods of wrought iron, of cast iron, and of molten steel, recognizing that in the second and third the earlier processes continued in use. The first period began in extremely remote prehistoric times; the second in the 14th century; and the third with the invention of the Bessemer process in 1856.
6. First Period.—We can picture to ourselves how in the first period the savage smith, step by step, bettered his control over his fire, at once his source of heat and his deoxidizing agent. Not content to let it burn by natural draught, he would blow it with his own breath, would expose it to the prevalent wind, would urge it with a fan, and would devise the first crude valveless bellows, perhaps the pigskin already familiar as a water-bottle, of which the psalmist says: “I am become as a bottle in the smoke.” To drive the air out of this skin by pressing on it, or even by walking on it, would be easy; to fill it again with air by pulling its sides apart with his fingers would be so irksome that he would soon learn to distend it by means of strings. If his bellows had only a single opening, that through which they delivered the blast upon the fire, then in inflating them he would draw back into them the hot air and ashes from the fire. To prevent this he might make a second or suction hole, and thus he would have a veritable engine, perhaps one of the very earliest of all. While inflating the bellows he would leave the suction port open and close the discharge port with a pinch of his finger; and while blowing the air against the fire he would leave the discharge port open and pinch together the sides of the suction port.
The next important step seems to have been taken in the 4th century when some forgotten Watt devised valves for the bellows. But in spite of the activity of the iron manufacture in many of the Roman provinces, especially England, France, Spain, Carinthia and near the Rhine, the little forges in which iron was extracted from the ore remained, until the 14th century, very crude and wasteful of labour, fuel, and iron itself: indeed probably not very different from those of a thousand years before. Where iron ore was found, the local smith, the Waldschmied, converted it with the charcoal of the surrounding forest into the wrought iron which he worked up. Many farmers had their own little forges or smithies to supply the iron for their tools.
The fuel, wood or charcoal, which served both to heat and to deoxidize the ore, has so strong a carburizing action that it would turn some of the resultant metal into “natural steel,” which differs from wrought iron only in containing so much carbon that it is relatively hard and brittle in its natural state, and that it becomes intensely hard when quenched from a red heat in water. Moreover, this same carburizing action of the fuel would at times go so far as to turn part of the metal into a true cast iron, so brittle that it could not be worked at all. In time the smith learnt how to convert this unwelcome product into wrought iron by remelting it in the forge, exposing it to the blast in such a way as to burn out most of its carbon.
7. Second Period.—With the second period began, in the 14th century, the gradual displacement of the direct extraction of wrought iron from the ore by the intentional and regular use of this indirect method of first carburizing the metal and thus turning it into cast iron, and then converting it into wrought iron by remelting it in the forge. This displacement has been going on ever since, and it is not quite complete even to-day. It is of the familiar type of the replacing of the simple but wasteful by the complex and economical, and it was begun unintentionally in the attempt to save fuel and labour, by increasing the size and especially the height of the forge, and by driving the bellows by means of water-power. Indeed it was the use of water-power that gave the smith pressure strong enough to force his blast up through a longer column of ore and fuel, and thus enabled him to increase the height of his forge, enlarge the scale of his operations, and in turn save fuel and labour. And it was the lengthening of the forge, and the length and intimacy of contact between ore and fuel to which it led, that carburized the metal and turned it into cast iron. This is so fusible that it melted, and, running together into a single molten mass, freed itself mechanically from the “gangue,” as the foreign minerals with which the ore is mixed are called. Finally, the improvement in the quality of the iron which resulted from thus completely freeing it from the gangue turned out to be a great and unexpected merit of the indirect process, probably the merit which enabled it, in spite of its complexity, to drive out the direct process. Thus we have here one of these cases common in the evolution both of nature and of art, in which a change, made for a specific purpose, has a wholly unforeseen advantage in another direction, so important as to outweigh that for which it was made and to determine the path of future development.
With this method of making molten cast iron in the hands of a people already familiar with bronze founding, iron founding, i.e. the casting of the molten cast iron into shapes which were useful in spite of its brittleness, naturally followed. Thus ornamental iron castings were made in Sussex in the 14th century, and in the 16th cannons weighing three tons each were cast.
The indirect process once established, the gradual increase in the height and diameter of the high furnace, which has lasted till our own days, naturally went on and developed the gigantic blast furnaces of the present time, still called “high furnaces” in French and German. The impetus which the indirect process and the acceleration of civilization in the 15th and 16th centuries gave to the iron industry was so great that the demands of the iron masters for fuel made serious inroads on the forests, and in 1558 an act of Queen Elizabeth’s forbade the cutting of timber in certain parts of the country for iron-making. Another in 1584 forbade the building of any more iron-works in Surrey, Kent, and Sussex. This increasing scarcity of wood was probably one of the chief causes of the attempts which the iron masters then made to replace charcoal with mineral fuel. In 1611 Simon Sturtevant patented the use of mineral coal for iron-smelting, and in 1619 Dud Dudley made with this coal both cast and wrought iron with technical success, but through the opposition of the charcoal iron-makers all of his many attempts were defeated. In 1625 Stradda’s attempts in Hainaut had no better success, and it was not till more than a century later that iron-smelting with mineral fuel was at last fully successful. It was then, in 1735, that Abraham Darby showed how to make cast iron with coke in the high furnace, which by this time had become a veritable blast furnace.
The next great improvement in blast-furnace practice came in 1811, when Aubertot in France used for heating steel the furnace gases rich in carbonic oxide which till then had been allowed to burn uselessly at the top of the blast furnace. The next was J. B. Neilson’s invention in 1828 of heating the blast, which increased the production and lessened the fuel-consumption of the furnace wonderfully. Very soon after this, in 1832, the work of heating the blast was done by means of the waste gases, at Wasseralfingen in Bavaria.
Meanwhile Henry Cort had in 1784 very greatly simplified the conversion of cast iron into wrought iron. In place of the old forge, in which the actual contact between the iron and the fuel, itself an energetic carburizing agent, made decarburization difficult, he devised the reverberatory puddling furnace (see fig. 14 below), in which the iron lies in a chamber apart from the fire-place, and is thus protected from the carburizing action of the fuel, though heated by the flame which that fuel gives out.
The rapid advance in mechanical engineering in the latter part of this second period stimulated the iron industry greatly, giving it in 1728 Payn and Hanbury’s rolling mill for rolling sheet iron, in 1760 John Smeaton’s cylindrical cast-iron bellows in place of the wooden and leather ones previously used, in 1783 Cort’s grooved rolls for rolling bars and rods of iron, and in 1838 James Nasmyth’s steam hammer. But even more important than these were the advent of the steam engine between 1760 and 1770, and of the railroad in 1825, each of which gave the iron industry a great impetus. Both created a great demand for iron, not only for themselves but for the industries which they in turn stimulated; and both directly aided the iron master: the steam engine by giving him powerful and convenient tools, and the railroad by assembling his materials and distributing his products.
About 1740 Benjamin Huntsman introduced the “crucible process” of melting steel in small crucibles, and thus freeing it from the slag, or rich iron silicate, with which it, like wrought iron, was mechanically mixed, whether it was made in the old forge or in the puddling furnace. This removal of the cinder very greatly improved the steel; but the process was and is so costly that it is used only for making steel for purposes which need the very best quality.
8. Third Period.—The third period has for its great distinction the invention of the Bessemer and open-hearth processes, which are like Huntsman’s crucible process in that their essence is their freeing wrought iron and low carbon steel from mechanically entangled cinder, by developing the hitherto unattainable temperature, rising to above 1500° C., needed for melting these relatively infusible products. These processes are incalculably more important than Huntsman’s, both because they are incomparably cheaper, and because their products are far more useful than his.
Thus the distinctive work of the second and third periods is freeing the metal from mechanical impurities by fusion. The second period, by converting the metal into the fusible cast iron and melting this, for the first time removed the gangue of the ore; the third period by giving a temperature high enough to melt the most infusible forms of iron, liberated the slag formed in deriving them from cast iron.
In 1856 Bessemer not only invented his extraordinary process of making the heat developed by the rapid oxidation of the impurities in pig iron raise the temperature above the exalted melting-point of the resultant purified steel, but also made it widely known that this steel was a very valuable substance. Knowing this, and having in the Siemens regenerative gas furnace an independent means of generating this temperature, the Martin brothers of Sireuil in France in 1864 developed the open-hearth process of making steel of any desired carbon-content by melting together in this furnace cast and wrought iron. The great defect of both these processes, that they could not remove the baneful phosphorus with which all the ores of iron are associated, was remedied in 1878 by S. G. Thomas, who showed that, in the presence of a slag rich in lime, the whole of the phosphorus could be removed readily.
9. After the remarkable development of the blast furnace, the Bessemer, and the open-hearth processes, the most important work of this, the third period of the history of iron, is the birth and growth of the science and art of iron metallography. In 1868 Tschernoff enunciated its chief fundamental laws, which were supplemented in 1885 by the laws of Brinell. In 1888 F. Osmond showed that the wonderful changes which thermal treatment and the presence of certain foreign elements cause were due to allotropy, and from these and like teachings have come a rapid growth of the use of the so-called “alloy steels” in which, thanks to special composition and treatment, the iron exists in one or more of its remarkable allotropic states. These include the austenitic or gamma non-magnetic manganese steel, already patented by Robert Hadfield in 1883, the first important known substance which combined great malleableness with great hardness, and the martensitic or beta “high speed tool steel” of White and Taylor, which retains its hardness and cutting power even at a red heat.
10. Constitution of Iron and Steel.—The constitution of the various classes of iron and steel as shown by the microscope explains readily the great influence of carbon which was outlined in §§ 2 and 3. The metal in its usual slowly cooled state is a conglomerate like the granitic rocks. Just as a granite is a conglomerate or mechanical mixture of distinct crystalline grains of three perfectly definite minerals, mica, quartz, and felspar, so iron and steel in their usual slowly cooled state consist of a mixture of microscopic particles of such definite quasi-minerals, diametrically unlike. These are cementite, a definite iron carbide, Fe3C, harder than glass and nearly as brittle, but probably very strong under gradually and axially applied stress; and ferrite, pure or nearly pure metallic α-iron, soft, weak, with high electric conductivity, and in general like copper except in colour. In view of the fact that the presence of 1% of carbon implies that 15% of the soft ductile ferrite is replaced by the glass-hard cementite, it is not surprising that even a little carbon influences the properties of the metal so profoundly.
But carbon affects the properties of iron not only by giving rise to varying proportions of cementite, but also both by itself shifting from one molecular state to another, and by enabling us to hold the iron itself in its unmagnetic allotropic forms, β- and γ-iron, as will be explained below. Thus, sudden cooling from a red heat leaves the carbon not in definite combination as cementite, but actually dissolved in β- and γ-allotropic iron, in the conditions known as martensite and austenite, not granitic but glass-like bodies, of which the “hardened” and “tempered” steel of our cutting tools in large part consists. Again, if more than 2% of carbon is present, it passes readily into the state of pure graphitic carbon, which, in itself soft and weak, weakens and embrittles the metal as any foreign body would, by breaking up its continuity.
11. The Roberts-Austen or carbon-iron diagram (fig. 1), in which vertical distances represent temperatures and horizontal ones the percentage of carbon in the iron, aids our study of these constituents of iron. If, ignoring temporarily and for simplicity the fact that part of the carbon may exist in the state of graphite, we consider the behaviour of iron in cooling from the molten state, AB and BC give the temperature at which, for any given percentage of carbon, solidification begins, and Aa, aB, and Bc that at which it ends. But after solidification is complete and the metal has cooled to a much lower range of temperature, usually between 900° and 690° C., it undergoes a very remarkable series of transformations. GHSa gives the temperature at which, for any given percentage of carbon, these transformations begin, and PSP′ that at which they end.
![]() |
| Fig. 1.—Roberts-Austen or Carbon-Iron diagram. The Cementite-Austenite or Metastable form. |
These freezing-point curves and transformation curves thus divide the diagram into 8 distinct regions, each with its own specific state or constitution of the metal, the molten state for region 1, a mixture of molten metal and of solid austenite for region 2, austenite alone for region 4 and so on. This will be explained below. If the metal followed the laws of equilibrium, then whenever through change of temperature it entered a new region, it would forthwith adopt the constitution normal to that region. But in fact the change of constitution often lags greatly, so that the metal may have the constitution normal to a region higher than that in which it is, or even a patchwork constitution, representing fragments of those of two or more regions. It is by taking advantage of this lagging that thermal treatment causes such wonderful changes in the properties of the cold metal.
12. With these facts in mind we may now study further these different constituents of iron.
Austenite, gamma (γ) iron.—Austenite is the name of the solid solution of an iron carbide in allotropie γ-iron of which the metal normally consists when in region 4. In these solid solutions, as in aqueous ones, the ratios in which the different chemical substances are present are not fixed or definite, but vary from case to case, not per saltum as between definite chemical compounds, but by infinitesimal steps. The different substances are as it were dissolved in each other in a state which has the indefiniteness of composition, the absolute merging of identity, and the weakness of reciprocal chemical attraction, characteristic of aqueous solutions.
On cooling into region 6 or 8 austenite should normally split up into ferrite and cementite, after passing through the successive stages of martensite, troostite and sorbite, FexC = Fe3C + Fe(x−3). But this change may be prevented so as to preserve the austenite in the cold, either very incompletely, as when high-carbon steel is “hardened,” i.e. is cooled suddenly by quenching in water, in which case the carbon present seems to act as a brake to retard the change; or completely, by the presence of a large quantity of manganese, nickel, tungsten or molybdenum, which in effect sink the lower boundary GHSa of region 4 to below the atmospheric temperature. The important manganese steels of commerce and certain nickel steels are manganiferous and niccoliferous austenite, unmagnetic and hard but ductile.
Austenite may contain carbon in any proportion up to about 2.2%. It is non-magnetic, and, when preserved in the cold either by quenching or by the presence of manganese, nickel, &c., it has a very remarkable combination of great malleability with very marked hardness, though it is less hard than common carbon steel is when hardened, and probably less hard than martensite. When of eutectoid composition, it is called “hardenite.” Suddenly cooled carbon steel, even if rich in austenite, is strongly magnetic because of the very magnetic α-iron which inevitably forms even in the most rapid cooling from region 4. Only in the presence of much manganese, nickel, or their equivalent can the true austenite be preserved in the cold so completely that the steel remains non-magnetic.
13. Beta (β) iron, an unmagnetic, intensely hard and brittle allotropic form of iron, though normal and stable only in the little triangle GHM, is yet a state through which the metal seems always to pass when the austenite of region 4 changes into the ferrite and cementite of regions 6 and 8. Though not normal below MHSP′, yet like γ-iron it can be preserved in the cold by the presence of about 5% of manganese, which, though not enough to bring the lower boundary of region 4 below the atmospheric temperature and thus to preserve austenite in the cold, is yet enough to make the transformation of β into α iron so sluggish that the former remains untransformed even during slow cooling.
Again, β-iron may be preserved incompletely as in the “hardening of steel,” which consists in heating the steel into the austenite state of region 4, and then cooling it so rapidly, e.g. by quenching it in cold water, that, for lack of the time needed for the completion of the change from austenite into ferrite and cementite, much of the iron is caught in transit in the β state. According to our present theory, it is chiefly to beta iron, preserved in one of these ways, that all of our tool steel proper, i.e. steel used for cutting as distinguished from grinding, seems to owe its hardness.
14. Martensite, Troostite and Sorbite are the successive stages through which the metal passes in changing from austenite into ferrite and cementite. Martensite, very hard because of its large content of β-iron, is characteristic of hardened steel, but the two others, far from being definite substances, are probably only roughly bounded stages of this transition. Troostite and sorbite, indeed, seem to be chiefly very finely divided mixtures of ferrite and cementite, and it is probably because of this fineness that sorbitic steel has its remarkable combination of strength and elasticity with ductility which fits it for resisting severe vibratory and other dynamic stresses, such as those to which rails and shafting are exposed.
15. Alpha (α) iron is the form normal and stable for regions 5, 6 and 8, i.e. for all temperatures below MHSP′. It is the common, very magnetic form of iron, in itself ductile but relatively soft and weak, as we know it in wrought iron and mild or low-carbon steel.
16. Ferrite and cementite, already described in § 10, are the final products of the transformation of austenite in slow-cooling. β-ferrite and austenite are the normal constituents for the triangle GHM, α-ferrite (i.e. nearly pure α-iron) with austenite for the space MHSP, cementite with austenite for region 7, and α-ferrite and cementite jointly for regions 6 and 8. Ferrite and cementite are thus the normal and usual constituents of slowly cooled steel, including all structural steels, rail steel, &c., and of white cast iron (see § 18).
17. Pearlite.—The ferrite and cementite present interstratify habitually as a “eutectoid”[2] called “pearlite” (see Alloys, Pl., fig. 11), in the ratio of about 6 parts of ferrite to 1 of cementite, and hence containing about 0.90% of carbon. Slowly cooled steel containing just 0.90% of carbon (S in fig. 1) consists of pearlite alone. Steel and white cast iron with more than this quantity of carbon consist typically of kernels of pearlite surrounded by envelopes of free cementite (see Alloys, Pl., fig. 13) sufficient in quantity to represent their excess of carbon over the eutectoid ratio; they arc called “hyper-eutectoid,” and are represented by region 8 of Fig. 1. Steel containing less than this quantity of carbon consists typically of kernels of pearlite surrounded by envelopes of ferrite (see Alloys, Pl., fig. 12) sufficient in quantity to represent their excess of iron over this eutectoid ratio; is called “hypo-eutectoid”; and is represented by region 6 of Fig. 1. This typical “envelope and kernel” structure is often only rudimentary. The percentage of pearlite and of free ferrite or cementite in these products is shown in fig. 2, in which the ordinates of the line ABC represent the percentage of pearlite corresponding to each percentage of carbon, and the intercept ED, MN or KF, of any point H, P or L, measures the percentage of the excess of ferrite or cementite for hypo- and hyper-eutectic steel and white cast iron respectively.
![]() |
| Fig. 2.—Relation between the carbon-content and the percentage of the several constituents of slowly cooled steel and white cast iron. |
18. The Carbon-Content, i.e. the Ratio of Ferrite to Cementite, of certain typical Steels.—Fig. 3 shows how, as the carbon-content rises from 0 to 4.5%, the percentage of the glass-hard cementite, which is 15 times that of the carbon itself, rises, and that of the soft copper-like ferrite falls, with consequent continuous increase of hardness and loss of malleableness and ductility. The tenacity or tensile strength increases till the carbon-content reaches about 1.25%, and the cementite about 19%, and then in turn falls, a result by no means surprising. The presence of a small quantity of the hard cementite ought naturally to strengthen the mass, by opposing the tendency of the soft ferrite to flow under any stress applied to it; but more cementite by its brittleness naturally weakens the mass, causing it to crack open under the distortion which stress inevitably causes. The fact that this decrease of strength begins shortly after the carbon-content rises above the eutectoid or pearlite ratio of 0.90% is natural, because the brittleness of the cementite which, in hyper-eutectoid steels, forms a more or less continuous skeleton (Alloys, Pl., fig. 13) should be much more effective in starting cracks under distortion than that of the far more minute particles of cementite which lie embedded, indeed drowned, in the sixfold greater mass of ferrite with which they are associated in the pearlite itself. The large massive plates of cementite which form the network or skeleton in hyper-eutectoid steels should, under distortion, naturally tend to cut, in the softer pearlite, chasms too serious to be healed by the inflowing of the plastic ferrite, though this ferrite flows around and immediately heals over any cracks which form in the small quantity of cementite interstratified with it in the pearlite of hypo-eutectoid steels.
![]() |
| Fig. 3.—Physical properties and assumed microscopic constitution of the pearlite series, graphiteless steel slowly cooled and white cast iron. By “total ferrite” is meant both that which forms part of the pearlite and that which is in excess of the pearlite, taken jointly. So with the “total cementite.” |
As the carbon-content increases the welding power naturally decreases rapidly, because of the rapid fall of the “solidus curve” at which solidification is complete (Aa of fig. 1), and hence of the range in which the steel is coherent enough to be manipulated, and, finally, of the attainable pliancy and softness of the metal. Clearly the mushy mixture of solid austenite and molten iron of which the metal in region 2 consists cannot cohere under either the blows or the pressure by means of which welding must be done. Rivet steel, which above all needs extreme ductility to endure the distortion of being driven home, and tube steel which must needs weld easily, no matter at what sacrifice of strength, are made as free from carbon, i.e. of as nearly pure ferrite, as is practicable. The distortion which rails undergo in manufacture and use is incomparably less than that to which rivets are subjected, and thus rail steel may safely be much richer in carbon and hence in cementite, and therefore much stronger and harder, so as to better endure the load and the abrasion of the passing wheels. Indeed, its carbon-content is made small quite as much because of the violence of the shocks from these wheels as because of any actual distortion to be expected, since, within limits, as the carbon-content increases the shock-resisting power decreases. Here, as in all cases, the carbon-content must be the result of a compromise, neither so small that the rail flattens and wears out like lead, nor so great that it snaps like glass. Boiler plates undergo in shaping and assembling an intermediate degree of distortion, and therefore they must be given an intermediate carbon-content, following the general rule that the carbon-content and hence the strength should be as great as is consistent with retaining the degree of ductility and the shock-resisting power which the object will need in actual use. Thus the typical carbon-content may be taken as about 0.05% for rivets and tubes, 0.20% for boiler plates, and 0.50 to 0.75% for rails, implying the presence of 0.75% of cementite in the first two, 3% in the third and 7.5% to 11.25% in the last.
19. Carbon-Content of Hardened Steels.—Turning from these cases in which the steel is used in the slowly cooled state, so that it is a mixture of pearlite with ferrite or cementite, i.e. is pearlitic, to those in which it is used in the hardened or martensitic state, we find that the carbon-content is governed by like considerations. Railway car springs, which are exposed to great shock, have typically about 0.75% of carbon; common tool steel, which is exposed to less severe shock, has usually between 0.75 and 1.25%; file steel, which is subject to but little shock, and has little demanded of it but to bite hard and stay hard, has usually from 1.25 to 1.50%. The carbon-content of steel is rarely greater than this, lest the brittleness be excessive. But beyond this are the very useful, because very fusible, cast irons with from 3 to 4% of carbon, the embrittling effect of which is much lessened by its being in the state of graphite.
20. Slag or Cinder, a characteristic component of wrought iron, which usually contains from 0.20 to 2.00% of it, is essentially a silicate of iron (ferrous silicate), and is present in wrought iron simply because this product is made by welding together pasty granules of iron in a molten bath of such slag, without ever melting the resultant mass or otherwise giving the envelopes of slag thus imprisoned a chance to escape completely.
21. Graphite, nearly pure carbon, is characteristic of “gray cast iron,” in which it exists as a nearly continuous skeleton of very thin laminated plates or flakes (fig. 27), usually curved, and forming from 2.50% to 3.50% of the whole. As these flakes readily split open, when a piece of this iron is broken rupture passes through them, with the result that, even though the graphite may form only some 3% of the mass by weight (say 10% by volume), practically nothing but graphite is seen in the fracture. Hence the weakness and the dark-grey fracture of this iron, and hence, by brushing this fracture with a wire brush and so detaching these loosely clinging flakes of graphite, the colour can be changed nearly to the very light-grey of pure iron. There is rarely any important quantity of graphite in commercial steels. (See § 26.)
22. Further Illustration of the Iron-Carbon Diagram.—In order to illustrate further the meaning of the diagram (fig. 1), let us follow by means of the ordinate QUw the undisturbed slow cooling of molten hyper-eutectoid steel containing 1% of carbon, for simplicity assuming that no graphite forms and that the several transformations occur promptly as they fall due. When the gradually falling temperature reaches 1430° (q), the mass begins to freeze as γ-iron or austenite, called “primary” to distinguish it from that which forms part of the eutectic. But the freezing, instead of completing itself at a fixed temperature as that of pure water does, continues until the temperature sinks to r on the line Aa. Thus the iron has rather a freezing-range than a freezing-point. Moreover, the freezing is “selective.” The first particles of austenite to freeze contain about 0.33% of carbon (p). As freezing progresses, at each successive temperature reached the frozen austenite has the carbon-content of the point on Aa which that temperature abscissa cuts, and the still molten part or “mother-metal” has the carbon-content horizontally opposite this on the line AB. In other words, the composition of the frozen part and that of the mother-metal respectively are p and q at the beginning of the freezing, and r and t′ at the end; and during freezing they slide along Aa and AB from p to r and from q to t′. This, of course, brings the final composition of the frozen austenite when freezing is complete exactly to that which the molten mass had before freezing began.
The heat evolved by this process of solidification retards the fall of temperature; but after this the rate of cooling remains regular until T (750°) on the line Sa (Ar3) is reached, when a second retardation occurs, due to the heat liberated by the passage within the pasty mass of part of the iron and carbon from a state of mere solution to that of definite combination in the ratio Fe3C, forming microscopic particles of cementite, while the remainder of the iron and carbon continue dissolved in each other as austenite. This formation of cementite continues as the temperature falls, till at about 690° C., (U, called Ar2−1) so much of the carbon (in this case about 0.10%) and of the iron have united in the form of cementite, that the composition of the remaining solid-solution or “mother-metal” of austenite has reached that of the eutectoid, hardenite; i.e. it now contains 0.90 % of carbon. The cementite which has thus far been forming may be called “pro-eutectoid” cementite, because it forms before the remaining austenite reaches the eutectoid composition. As the temperature now falls past 690°, this hardenite mother-metal in turn splits up, after the fashion of eutectics, into alternate layers of ferrite and cementite grouped together as pearlite, so that the mass as a whole now becomes a mixture of pearlite with cementite. The iron thus liberated, as the ferrite of this pearlite, changes simultaneously to α-ferrite. The passage of this large quantity of carbon and iron, 0.90% of the former and 12.6 of the latter, from a state of mere solution as hardenite to one of definite chemical union as cementite, together with the passage of the iron itself from the γ to the α state, evolves so much heat as actually to heat the mass up so that it brightens in a striking manner. This phenomenon is called the “recalescence.”
This change from austenite to ferrite and cementite, from the γ through the β to the α state, is of course accompanied by the loss of the “hardening power,” i.e. the power of being hardened by sudden cooling, because the essence of this hardening is the retention of the β state. As shown in Alloys, Pl., fig. 13, the slowly cooled steel now consists of kernels of pearlite surrounded by envelopes of the cementite which was born of the austenite in cooling from T to U.
23. To take a second case, molten hypo-eutectoid steel of 0.20% of carbon on freezing from K to x passes in the like manner to the state of solid austenite, γ-iron with this 0.20% of carbon dissolved in it. Its further cooling undergoes three spontaneous retardations, one at K′ (Ar3 about 820°), at which part of the iron begins to isolate itself within the austenite mother-metal in the form of envelopes of β-ferrite, i.e. of free iron of the β allotropic modification, which surrounds the kernels or grains of the residual still undecomposed part of the austenite. At the second retardation, K″ (Ar2, about 770°) this ferrite changes to the normal magnetic α-ferrite, so that the mass as a whole becomes magnetic. Moreover, the envelopes of ferrite which began forming at Ar3 continue to broaden by the accession of more and more ferrite born from the austenite progressively as the temperature sinks, till, by the time when Ar1 (about 690°) is reached, so much free ferrite has been formed that the remaining mother-metal has been enriched to the composition of hardenite, i.e. it now contains 0.90% of carbon. Again, as the temperature in turn falls past Ar1 this hardenite mother-metal splits up into cementite and ferrite grouped together as pearlite, with the resulting recalescence, and the mass, as shown in Alloys, Pl., fig. 12, then consists of kernels of pearlite surrounded by envelopes of ferrite. All these phenomena are parallel with those of 1.00% carbon steel at this same critical point Ar1. As such steel cools slowly past Ar3, Ar2 and Ar1, it loses its hardening power progressively.
In short, from Ar3 to Ar1 the excess substance ferrite or cementite, in hypo- and hyper-eutectoid steels respectively, progressively crystallizes out as a network or skeleton within the austenite mother-metal, which thus progressively approaches the composition of hardenite, reaching it at Ar1, and there splitting up into ferrite and cementite interstratified as pearlite. Further, any ferrite liberated at Ar3 changes there from γ to β, and any present at Ar2 changes from β to α. Between H and S, Ar3 and Ar2 occur together, as do Ar2 and Ar1 between S and P′ and Ar3, Ar2 and Ar1 at S itself; so that these critical points in these special cases are called Ar3−2, Ar2−1 and Ar3−2−1 respectively. The corresponding critical points which occur during rise of temperature, with the reverse transformations, are called Ac1, Ac2, Ac3, &c. A (Tschernoff) is the generic name, r refers to falling temperature (refroidissant) and c to rising temperature (chauffant, Osmond).
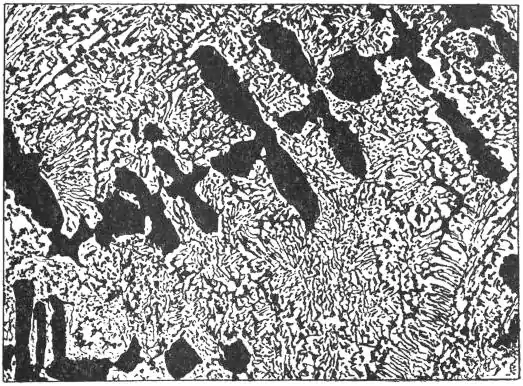
24. The freezing of molten cast iron of 2.50% of carbon goes on selectively like that of these steels which we have been studying, till the enrichment of the molten mother-metal in carbon brings its carbon-contents to B, 4.30%, the eutectic[3] carbon-content, i.e. that of the greatest fusibility or lowest melting-point. At this point selection ceases; the remaining molten metal freezes as a whole, and in freezing splits up into a conglomerate eutectic of (1) austenite of about 2.2 % of carbon, and therefore saturated with that element, and (2) cementite; and with this eutectic is mixed the “primary” austenite which froze out as the temperature sank from v to v′. The white-hot, solid, but soft mass is now a conglomerate of (1) “primary” austenite, (2) “eutectic” austenite and (3) “eutectic” cementite. As the temperature sinks still farther, pro-eutectoid cementite (see § 22) forms progressively in the austenite both primary and eutectic, and this pro-eutectoid cementite as it comes into existence tends to assemble in the form of a network enveloping the kernels or grains of the austenite from which it springs. The reason for its birth, of course, is that the solubility of carbon in austenite progressively decreases as the temperature falls, from about 2.2% at 1130° (a), to 0.90% at 690° (Ar1), as shown by the line aS, with the consequence that the austenite keeps rejecting in the form of this pro-eutectoid cementite all carbon in excess of its saturation-point for the existing temperature. Here the mass consists of (1) primary austenite, (2) eutectic austenite and cementite interstratified and (3) pro-eutectoid cementite.
This formation of cementite through the rejection of carbon by both the primary and the eutectic austenite continues quite as in the case of 1.00% carbon steel, with impoverishment of the austenite to the hardenite or eutectoid ratio, and the splitting up of that hardenite into pearlite at Ar1, so that the mass when cold finally consists of (1) the primary austenite now split up into kernels of pearlite surrounded by envelopes of pro-eutectoid cementite, (2) the eutectic of cementite plus austenite, the latter of which has in like manner split up into a mixture of pearlite plus cementite. Such a mass is shown in fig. 4. Here the black bat-like patches are the masses of pearlite plus pro-eutectoid cementite resulting from the splitting up of the primary austenite. The magnification is too small to show the zebra striping of the pearlite. In the black-and-white ground mass the white is the eutectic cementite, and the black the eutectic austenite, now split up into pearlite and pro-eutectoid cementite, which cannot here be distinguished from each other.
![]() |
| Fig. 4.—The constitution of hypo-eutectic white or cementitiferous cast iron (washed metal), W. Campbell. The black bat-like areas are the primary austenite, the zebra-marked ground mass the eutectic, composed of white stripes of cementite and black stripes of austenite. Both the primary and eutectic austenite have changed in cooling into a mixture of pearlite and pro-eutectoid cementite, too fine to be distinguished here. |
25. As we pass to cases with higher and higher carbon-content, the primary austenite which freezes in cooling across region 2 forms a smaller and smaller proportion of the whole, and the austenite-cementite eutectic which forms at the eutectic freezing-point, 1130° (aB), increases in amount until, when the carbon-content reaches the eutectic ratio, 4.30%, there is but a single freezing-point, and the whole mass when solid is made up of this eutectic. If there is more than 4.30% of carbon, then in cooling through region 3 the excess of carbon over this ratio freezes out as “primary” cementite. But in any event the changes which have just been described for cast iron of 2.50% of carbon occur in crossing region 7, and at Ar1 (PSP′).
Just as variations in the carbon-content shift the temperature of the freezing-range and of the various critical points, so do variations in the content of other elements, notably silicon, phosphorus, manganese, chromium, nickel and tungsten. Nickel and manganese lower these critical points, so that with 25% of nickel Ar3 lies below the common temperature 20° C. With 13% of manganese Ar3 is very low, and the austenite decomposes so slowly that it is preserved practically intact by sudden cooling. These steels then normally consist of γ-iron, modified by the large amount of nickel or manganese with which it is alloyed. They are non-magnetic or very feebly magnetic. But the critical points of such nickel steel though thus depressed, are not destroyed; and if it is cooled in liquid air below its Ar2, it passes to the α state and becomes magnetic.
26. Double Nature of the Carbon-Iron Diagram.—The part played by graphite in the constitution of the iron-carbon compounds, hitherto ignored for simplicity, is shown in fig. 5. Looking at the matter in a broad way, in all these carbon-iron alloys, both steel and cast irons, part of the carbon may be dissolved in the iron, usually as austenite, e.g. in regions 2, 4, 5 and 7 of Fig. 1; the rest, i.e. the carbon which is not dissolved, or the “undissolved carbon,” forms either the definite carbide, cementite, Fe3C, or else exists in the free state as graphite. Now, just as fig. 1 shows the constitution of these iron-carbon alloys for all temperatures and all percentages of carbon when the undissolved carbon exists as cementite, so there should be a diagram showing this constitution when all the undissolved carbon exists as graphite. In short, there are two distinct carbon-iron diagrams, the iron-cementite one shown in fig. 1 and studied at length in §§ 22 to 25, and the iron-graphite one shown in fig. 5 in unbroken lines, with the iron-cementite diagram reproduced in broken lines for comparison. What here follows represents our present rather ill-established theory. These two diagrams naturally have much the same general shape, but though the boundaries of the several regions in the iron-cementite diagram are known pretty accurately, and though the relative positions of the boundaries of the two diagrams are probably about as here shown, the exact topography of the iron-graphite diagram is not yet known. In it the normal constituents are, for region II., molten metal + primary austenite; for region III., molten metal + primary graphite; for region IV., primary austenite; for region VII., eutectic austenite, eutectic graphite, and a quantity of pro-eutectoid graphite which increases as we pass from the upper to the lower part of the region, together with primary austenite at the left of the eutectic point B′ and primary graphite at the right of that point. Thus when iron containing 2.50% of carbon (v. fig. 1) solidifies, its carbon may form cementite following the cementite-austenite diagram so that white, i.e. cementitiferous, cast iron results; or graphite, following the graphite-austenite diagram, so that ultra-grey, i.e. typical graphitic cast iron results; or, as usually happens, certain molecules may follow one diagram while the rest follow the other diagram, so that cast iron which has both cementite and graphite results, as in most commercial grey cast iron, and typically in “mottled cast iron,” in which there are distinct patches of grey and others of white cast iron.
Though carbon passes far more readily under most conditions into the state of cementite than into that of graphite, yet of the two graphite is the more stable and cementite the less stable, or the “metastable” form. Thus cementite is always tending to change over into graphite by the reaction Fe3C = 3Fe + Gr, though this tendency is often held in check by different causes; but graphite never changes back directly into cementite, at least according to our present theory. The fact that graphite may dissolve in the iron as austenite, and that when this latter again breaks up it is more likely to yield cementite than graphite, is only an apparent and not a real exception to this law of the greater stability of graphite than of cementite.
Slow cooling, slow solidification, the presence of an abundance of carbon, and the presence of silicon, all favour the formation of graphite; rapid cooling, the presence of sulphur, and in most cases that of manganese, favour the formation of cementite. For instance, though in cast iron, which is rich in carbon, that carbon passes comparatively easily into the state of graphite, yet in steel, which contains much less carbon, but little graphite forms under most conditions. Indeed, in the common structural steels which contain only very little carbon, hardly any of that carbon exists as graphite.
27. Thermal Treatment.—The hardening, tempering and annealing of steel, the chilling and annealing of cast iron, and the annealing of malleable cast iron are explained readily by the facts just set forth.
28. The hardening of steel consists in first transforming it into austenite by heating it up into region 4 of fig. 1, and then quenching it, usually in cold water, so as to cool it very suddenly, and thus to deny the time which the complete transformation of the austenite into ferrite and cementite requires, and thereby to catch much of the iron in transit in the hard brittle β state. In the cold this transformation cannot take place, because of molecular rigidity or some other impediment. The suddenly cooled metal is hard and brittle, because the cold β-iron which it contains is hard and brittle.
![]() |
| Fig. 5.—Graphite-austenite or stable carbon-iron, diagram. |
The degree of hardening which the steel undergoes increases with its carbon-content, chiefly because, during sudden cooling, the presence of carbon acts like a brake to impede the transformations, and thus to increase the quantity of β-iron caught in transit, but probably also in part because the hardness of this β-iron increases with its carbon-content. Thus, though sudden cooling has very little effect on steel of 0.10% of carbon, it changes that of 1.50% from a somewhat ductile body to one harder and more brittle than glass.
29. The Tempering and Annealing of Steel.—But this sudden cooling goes too far, preserving so much β-iron as to make the steel too brittle for most purposes. This brittleness has therefore in general to be mitigated or “tempered,” unfortunately at the cost of losing part of the hardness proper, by reheating the hardened steel slightly, usually to between 200° and 300° C., so as to relax the molecular rigidity and thereby to allow the arrested transformation to go on a little farther, shifting a little of the β-iron over into the α state. The higher the tempering-temperature, i.e. that to which the hardened steel is thus reheated, the more is the molecular rigidity relaxed, the farther on does the transformation go, and the softer does the steel become; so that, if the reheating reaches a dull-red heat, the transformation from austenite into ferrite and cementite completes itself slowly, and when now cooled the steel is as soft and ductile as if it had never been hardened. It is now said to be “annealed.”
30. Chilling cast iron, i.e. hastening its cooling by casting it in a cool mould, favours the formation of cementite rather than of graphite in the freezing of the eutectic at aBc, and also, in case of hyper-eutectic iron, in the passage through region 3. Like the hardening of steel, it hinders the transformation of the austenite, whether primary or eutectic, into pearlite + cementite, and thus catches part of the iron in transit in the hard β state. The annealing of such iron may occur in either of two degrees—a small one, as in making common chilled cast iron objects, such as railway car wheels, or a great one, as in making malleable cast iron. In the former case, the objects are heated only to the neighbourhood of Ac1, say to 730° C., so that the β-iron may slip into the a state, and the transformation of the austenite into pearlite and cementite may complete itself. The joint effect of such chilling and such annealing is to make the metal much harder than if slowly cooled, because for each 1% of graphite which the chilling suppresses, 15% of the glass-hard cementite is substituted. Thus a cast iron which, if cooled slowly, would have been “grey,” i.e. would have consisted chiefly of graphite with pearlite and ferrite (which are all relatively soft bodies), if thus chilled and annealed consists of cementite and pearlite. But in most such cases, in spite of the annealing, this hardness is accompanied by a degree of brittleness too great for most purposes. The process therefore is so managed that only the outer shell of the casting is chilled, and that the interior remains graphitic, i.e. grey cast iron, soft and relatively malleable.
31. In making malleable castings the annealing, i.e. the change towards the stable state of ferrite + graphite, is carried much farther by means of a much longer and usually a higher heating than in the manufacture of chilled castings. The castings, initially of white cast iron, are heated for about a week, to a temperature usually above 730° C. and often reaching 900° C. (1346° and 1652° F.). For about 60 hours the heat is held at its highest point, from which it descends extremely slowly. The molecular freedom which this high temperature gives enables the cementite to change gradually into a mixture of graphite and austenite with the result that, after the castings have been cooled and their austenite has in cooling past Ac1 changed into pearlite and ferrite, the mixture of cementite and pearlite of which they originally consisted has now given place to one of fine or “temper” graphite and ferrite, with more or less pearlite according to the completeness of the transfer of the carbon to the state of graphite.
Why, then, is this material malleable, though the common grey cast iron, which is made up of about the same constituents and often in about the same proportion, is brittle? The reason is that the particles of temper graphite which are thus formed within the solid casting in its long annealing are so finely divided that they do not break up the continuity of the mass in a very harmful way; whereas in grey cast iron both the eutectic graphite formed in solidifying, and also the primary graphite which, in case the metal is hyper-eutectic, forms in cooling through region 3 of fig. 1, surrounded as it is by the still molten mother-metal out of which it is growing, form a nearly continuous skeleton of very large flakes, which do break up in a most harmful way the continuity of the mass of cast iron in which they are embedded.
In carrying out this process the castings are packed in a mass of iron oxide, which at this temperature gradually removes the fine or “temper” graphite by oxidizing that in the outer crust to carbonic oxide, whereon the carbon farther in begins diffusing outwards by “molecular migration,” to be itself oxidized on reaching the crust. This removal of graphite doubtless further stimulates the formation of graphite, by relieving the mechanical and perhaps the osmotic pressure. Thus, first, for the brittle glass-hard cementite there is gradually substituted the relatively harmless temper graphite; and, second, even this is in part removed by surface oxidation.
32. Fineness of Structure.—Each of these ancient processes thus consists essentially in so manipulating the temperature that, out of the several possible constituents, the metal shall actually consist of a special set in special proportions. But in addition there is another very important principle underlying many of our thermal processes, viz. that the state of aggregation of certain of these constituents, and through it the properties of the metal as a whole, are profoundly affected by temperature manipulations. Thus, prior exposure to a temperature materially above Ac3 coarsens the structure of most steel, in the sense of giving it when cold a coarse fracture, and enlarging the grains of pearlite, &c., later found in the slowly cooled metal. This coarsening and the brittleness which accompanies it increase with the temperature to which the metal has been exposed. Steel which after a slow cooling from about 722° C. will bend 166° before breaking, will, after slow cooling from about 1050° C., bend only 18° before breaking. This injury fortunately can be cured either by reheating the steel to Ac3 when it “refines,” i.e. returns spontaneously to its fine-grained ductile state (cooling past Ar3 does not have this effect); or by breaking up the coarse grains by mechanical distortion, e.g. by forging or rolling. For instance, if steel has been coarsened by heating to 1400° C., and if, when it has cooled to a lower temperature, say 850° C. we forge it, its grain-size and ductility when cold will be approximately those which it would have had if heated only to 850°. Hence steel which has been heated very highly, whether for welding, or for greatly softening it so that it can be rolled to the desired shape with but little expenditure of power, ought later to be refined, either by reheating it from below Ar3 to slightly above Ac3 or by rolling it after it has cooled to a relatively low temperature, i.e. by having a low “finishing temperature.” Steel castings have initially the extremely coarse structure due to cooling without mechanical distortion from their very high temperature of solidification; they are “annealed,” i.e. this coarseness and the consequent brittleness are removed, by reheating them much above Ac3, which also relieves the internal stresses due to the different rates at which different layers cool, and hence contract, during and after solidification. For steel containing less than about 0.13% of carbon, the embrittling temperature is in a different range, near 700° C., and such steel refines at temperatures above 900° C.
33. The Possibilities of Thermal Treatment.—When we consider the great number of different regions in fig. 1, each with its own set of constitutents, and remember that by different rates of cooling from different temperatures we can retain in the cold metal these different sets of constituents in widely varying proportions; and when we further reflect that not only the proportion of each constituent present but also its state of aggregation can be controlled by thermal treatment, we see how vast a field is here opened, how great a variety of different properties can be induced in any individual piece of steel, how enormous the variety of properties thus attainable in the different varieties collectively, especially since for each percentage of carbon an incalculable number of varieties of steel may be made by alloying it with different proportions of such elements as nickel, chromium, &c. As yet there has been only the roughest survey of certain limited areas in this great field, the further exploration of which will enormously increase the usefulness of this wonderful metal.
34. Alloy steels have come into extensive use for important special purposes, and a very great increase of their use is to be expected. The chief ones are nickel steel, manganese steel, chrome steel and chrome-tungsten steel. The general order of merit of a given variety or specimen of iron or steel may be measured by the degree to which it combines strength and hardness with ductility. These two classes of properties tend to exclude each other, for, as a general rule, whatever tends to make iron and steel hard and strong tends to make it correspondingly brittle, and hence liable to break treacherously, especially under shock. Manganese steel and nickel steel form an important exception to this rule, in being at once very strong and hard and extremely ductile. Nickel steel, which usually contains from 3 to 3.50% of nickel and about 0.25% of carbon, combines very great tensile strength and hardness, and a very high limit of elasticity, with great ductility. Its combination of ductility with strength and hardening power has given it very extended use for the armour of war-vessels. For instance, following Krupp’s formula, the side and barbette armour of war-vessels is now generally if not universally made of nickel steel containing about 3.25% of nickel, 0.40% of carbon, and 1.50% of chromium, deeply carburized on its impact face. Here the merit of nickel steel is not so much that it resists perforation, as that it does not crack even when deeply penetrated by a projectile. The combination of ductility, which lessens the tendency to break when overstrained or distorted, with a very high limit of elasticity, gives it great value for shafting, the merit of which is measured by its endurance of the repeated stresses to which its rotation exposes it whenever its alignment is not mathematically straight. The alignment of marine shafting, changing with every passing wave, is an extreme example. Such an intermittently applied stress is far more destructive to iron than a continuous one, and even if it is only half that of the limit of elasticity, its indefinite repetition eventually causes rupture. In a direct competitive test the presence of 3.25% of nickel increased nearly sixfold the number of rotations which a steel shaft would endure before breaking.
35. As actually made, manganese steel contains about 12% of manganese and 1.50% of carbon. Although the presence of 1.50% of manganese makes steel relatively brittle, and although a further addition at first increases this brittleness, so that steel containing between 4 and 5.5% can be pulverized under the hammer, yet a still further increase gives very great ductility, accompanied by great hardness—a combination of properties which was not possessed by any other known substance when this remarkable alloy, known as Hadfield’s manganese steel, was discovered. Its ductility, to which it owes its value, is profoundly affected by the rate of cooling. Sudden cooling makes the metal extremely ductile, and slow cooling makes it brittle. Its behaviour in this respect is thus the opposite of that of carbon steel. But its great hardness is not materially affected by the rate of cooling. It is used extensively for objects which require both hardness and ductility, such as rock-crushing machinery, railway crossings, mine-car wheels and safes. The burglar’s blow-pipe locally “draws the temper,” i.e. softens a spot on a hardened carbon steel or chrome steel safe by simply heating it, so that as soon as it has again cooled he can drill through it and introduce his charge of dynamite. But neither this nor any other procedure softens manganese steel rapidly. Yet this very fact that it is unalterably hard has limited its use, because of the great difficulty of cutting it to shape, which has in general to be done with emery wheels instead of the usual iron-cutting tools. Another defect is its relatively low elastic limit.
36. Chrome steel, which usually contains about 2% of chromium and 0.80 to 2% of carbon, owes its value to combining, when in the “hardened” or suddenly cooled state, intense hardness with a high elastic limit, so that it is neither deformed permanently nor cracked by extremely violent shocks. For this reason it is the material generally if not always used for armour-piercing projectiles. It is much used also for certain rock-crushing machinery (the shoes and dies of stamp-mills) and for safes. These are made of alternate layers of soft wrought iron and chrome steel hardened by sudden cooling. The hardness of the hardened chrome steel resists the burglar’s drill, and the ductility of the wrought iron the blows of his sledge.
Vanadium in small quantities, 0.15 or 0.20%, is said to improve steel greatly, especially in increasing its resistance to shock and to often-repeated stress. But the improvement may be due wholly to the considerable chromium content of these so-called vanadium steels.
37. Tungsten steel, which usually contains from 5 to 10% of tungsten and from 1 to 2% of carbon, is used for magnets, because of its great retentivity.
38. Chrome-tungsten or High-speed Steel.—Steel with a large content of both chromium and tungsten has the very valuable property of “red-hardness,” i.e. of retaining its hardness and hence its power of cutting iron and other hard substances, even when it is heated to dull redness, say 600° C. (1112° F.) by the friction of the work which it is doing. Hence a machinist can cut steel or iron nearly six times as fast with a lathe tool of this steel as with one of carbon steel, because with the latter the cutting speed must be so slow that the cutting tool is not heated by the friction above say 250° C. (482° F.), lest it be unduly softened or “tempered” (§ 29). This effect of chromium, tungsten and carbon jointly consists essentially in raising the “tempering temperature,” i.e. that to which the metal, in which by suitable thermal treatment the iron molecules have been brought to the allotropic γ or β state or a mixture of both, can be heated without losing its hardness through the escape of that iron into the α state. In short, these elements seem to impede the allotropic change of the iron itself. The composition of this steel is as follows:—
| The usual limits. | Apparently the best. | |
| Carbon | 0.32 to 1.28 | 0.68 to 0.67 |
| Manganese | 0.03 to 0.30 | 0.07 to 0.11 |
| Chromium | 2.23 to 7.02 | 5.95 to 5.47 |
| Tungsten | 9.25 to 25.45 | 17.81 to 18.19 |
39. Impurities.—The properties of iron and steel, like those of most of the metals, are profoundly influenced by the presence of small and sometimes extremely small quantities of certain impurities, of which the most important are phosphorus and sulphur, the former derived chiefly from apatite (phosphate of lime) and other minerals which accompany the iron ore itself, the latter from the pyrite found not only in most iron ores but in nearly all coal and coke. All commercial iron and steel contain more or less of both these impurities, the influence of which is so strong that a variation of 0.01%, i.e. of one part in 10,000, of either of them has a noticeable effect. The best tool steel should not contain more than 0.02% of either, and in careful practice it is often specified that the phosphorus and sulphur respectively shall not exceed 0.04 and 0.05% in the steel for important bridges, or 0.06 and 0.07% in rail steel, though some very prudent engineers allow as much as .085% or even 0.10% of phosphorus in rails.
40. The specific effect of phosphorus is to make the metal cold-short, i.e. brittle in the cold, apparently because it increases the size and the sharpness of demarcation of the crystalline grains of which the mass is made up. The specific effect of sulphur is to make the metal red-short, i.e. brittle, when at a red heat, by forming a network of iron sulphide which encases these crystalline grains and thus plays the part of a weak link in a strong chain.
41. Oxygen, probably dissolved in the iron as ferrous oxide FeO, also makes the metal red-short.
42. Manganese by itself rather lessens than increases the malleableness and, indeed, the general merit of the metal, but it is added intentionally, in quantities even as large as 1.5% to palliate the effects of sulphur and oxygen. With sulphur it forms a sulphide which draws together into almost harmless drops, instead of encasing the grains of iron. With oxygen it probably forms manganous oxide, which is less harmful than ferrous oxide. (See § 35.)
43. Ores of Iron.—Even though the earth seems to be a huge iron meteor with but a thin covering of rocks, the exasperating proneness of iron to oxidize explains readily why this metal is only rarely found native, except in the form of meteorites. They are four important iron ores, magnetite, haematite, limonite and siderite, and one of less but still considerable importance, pyrite or pyrites.
44. Magnetite, Fe3O4, contains 72.41% of iron. It crystallizes in the cubical system, often in beautiful octahedra and rhombic dodecahedra. It is black with a black streak. Its specific gravity is 5.2, and its hardness 5.5 to 6.5. It is very magnetic, and sometimes polar.
45. Haematite, or red haematite, Fe2O3, contains 70% of iron. It crystallizes in the rhombohedral system. Its colour varies from brilliant bluish-grey to deep red. Its streak is always red. Its specific gravity is 5.3 and its hardness 5.5 to 6.5.
46. Limonite, 2Fe2O3, 3H2O, contains 59.9% of iron. Its colour varies from light brown to black. Its streak is yellowish-black, its specific gravity 3.6 to 4.0, and its hardness 5 to 5.5. Limonite and the related minerals, turgite, 2Fe2O3 + H2O, and göthite, Fe2O3 + H2O, are grouped together under the term “brown haematite.”
47. Siderite, or spathic iron ore, FeCO3, crystallizes in the rhombohedral system and contains 48.28% of iron. Its colour varies from yellowish-brown to grey. Its specific gravity is 3.7 to 3.9, and its hardness 3.5 to 4.5. The clayey siderite of the British coal measures is called “clay band,” and that containing bituminous matter is called “black band.”
48. Pyrite, FeS2, contains 46.7% of iron. It crystallizes in the cubic system, usually in cubes, pentagonal dodecahedra or octahedra, often of great beauty and perfection. It is golden-yellow, with a greenish or brownish-black streak. Its specific gravity is 4.83 to 5.2, its hardness 6 to 6.5. Though it contains far too much sulphur to be used in iron manufacture without first being desulphurized, yet great quantities of slightly cupriferous pyrite, after yielding nearly all their sulphur in the manufacture of sulphuric acid, and most of the remainder in the wet extraction of their copper, are then used under the name of “blue billy” or “purple ore,” as an ore of iron, a use which is likely to increase greatly in importance with the gradual exhaustion of the richest deposits of the oxidized ores.
49. The Ores actually Impure.—As these five minerals actually exist in the earth’s crust they are usually more or less impure chemically, and they are almost always mechanically mixed with barren mineral matter, such as quartz, limestone and clay, collectively called “the gangue.” In some cases the iron-bearing mineral, such as magnetite or haematite, can be separated from the gangue after crashing, either mechanically or magnetically, so that the part thus enriched or “concentrated” alone need be smelted.
50. Geological Age.—The Archaean crystalline rocks abound in deposits of magnetite and red haematite, many of them very large and rich. These of course are the oldest of our ores, and from deposits of like age, especially those of the more readily decomposed silicates, has come the iron which now exists in the siderites and red and brown haematites of the later geological formations.
51. The World’s Supply of Iron Ore.—The iron ores of the earth’s crust will probably suffice to supply our needs for a very long period, perhaps indeed for many thousand years. It is true that an official statement, which is here reproduced, given in 1905 by Professor Tornebohm to the Swedish parliament, credited the world with only 10,000,000,000 tons of ore, and that, if the consumption of iron should continue to increase hereafter as it did between 1893 and 1906, this quantity would last only until 1946. How then can it be that there is a supply for thousands of years? The two assertions are not to be reconciled by pointing out that Professor Tornebohm underestimated, for instance crediting the United States with only 1.1 billion tons, whereas the United States Geological Survey’s expert credits that country with from ten to twenty times this quantity; nor by pointing out that only certain parts of Europe and a relatively small part of North America have thus far been carefully explored for iron ore, and that the rest of these two continents and South America, Asia and Africa may reasonably be expected to yield very great stores of iron, and that pyrite, one of the richest and most abundant of ores, has not been included. Important as these considerations are, they are much less important than the fact that a very large proportion of the rocks of the earth’s crust contain more or less iron, and therefore are potential iron ores.
Table II.—Professor Tornebohm’s Estimate of the World’s Ore Supply.
| Country. | Workable Deposits. | Annual Output. | Annual Consumption. |
| tons. | tons. | tons. | |
| United States | 1,100,000,000 | 35,000,000 | 35,000,000 |
| Great Britain | 1,000,000,000 | 14,000,000 | 20,000,000 |
| Germany | 2,200,000,000 | 21,000,000 | 24,000,900 |
| Spain | 500,000,000 | 8,000,000 | 1,000,000 |
| Russia and Finland | 1,500,000,000 | 4,000,000 | 6,000,000 |
| France | 1,500,000,000 | 6,000,000 | 8,000,000 |
| Sweden | 1,000,000,000 | 4,000,000 | 1,000,000 |
| Austria-Hungary | 1,200,000,000 | 3,000,000 | 4,000,000 |
| Other countries | 5,000,000 | 1,000,000 | |
| Total | 10,000,000,000 | 100,000,000 | 100,000,000 |
Note to Table.—Though this estimate seems to be near the truth as
regards the British ores, it does not credit the United States with
one-tenth, if indeed with one-twentieth, of their true quantity as
estimated by that country’s Geological Survey in 1907.
52. What Constitutes an Iron Ore.—Whether a ferruginous rock is or is not ore is purely a question of current demand and supply. That is ore from which there is reasonable hope that metal can be extracted with profit, if not to-day, then within a reasonable length of time. Rock containing 212% of gold is ah extraordinarily rich gold ore; that with 212% of copper is a profitable one to-day; that containing 212% of iron is not so to-day, for the sole reason that its iron cannot be extracted with profit in competition with the existing richer ores. But it will become a profitable ore as soon as the richer ore shall have been exhausted. Very few of the ores which, are mined to-day contain less than 25% of iron, and some of them contain over 60%. As these richest ores are exhausted, poorer and poorer ones will be used, and the cost of iron will increase progressively if measured either in units of the actual energy used in mining and smelting it, or in its power of purchasing animal and vegetable products, cotton, wool, corn, &c., the supply of which is renewable and indeed capable of very great increase, but probably not if measured in its power of purchasing the various mineral products, e.g. the other metals, coal, petroleum and the precious stones, of which the supply is limited. This is simply one instance of the inevitable progressive increase in cost of the irrecreatable mineral relatively to the recreatable animal and vegetable. When, in the course of centuries, the exhaustion of richer ores shall have forced us to mine, crush and concentrate mechanically or by magnetism the ores which contain only 2 or 3% of iron, then the cost of iron in the ore, measured in terms of the energy needed to mine and concentrate it, will be comparable with the actual cost of the copper in the ore of the copper-mines of to-day. But, intermediate in richness between these two extremes, the iron ores mined to-day and these 2 and 3% ores, there is an incalculably great quantity of ore capable of mechanical concentration, and another perhaps vaster store of ore which we do not yet know how to concentrate mechanically, so that the day when a pound of iron in the ore will cost as much as a pound of copper in the ore costs to-day is immeasurably distant.
53. Future Cost of Ore.—The cost of iron ore is likely to rise much less rapidly than that of coal, because the additions to our known supply are likely to be very much greater in the case of ore than in that of coal, for the reason that, while rich and great iron ore beds may exist anywhere, those of coal are confined chiefly to the Carboniferous formation, a fact which has led to the systematic survey and measurement of this formation in most countries. In short, a very large part of the earth’s coal supply is known and measured, but its iron ore supply is hardly to be guessed. On the other hand, the cost of iron ore is likely to rise much faster than that of the potential aluminium ores, clay and its derivatives, because of the vast extent and richness of the deposits of this latter class. It is possible that, at some remote day, aluminium, or one of its alloys, may become the great structural material, and iron be used chiefly for those objects for which it is especially fitted, such as magnets, springs and cutting tools.
In passing, it may be noted that the cost of the ore itself forms a relatively small part of the cost even of the cruder forms of steel, hardly a quarter of the cost of such simple products as rails, and an insignificant part of the cost of many most important finished objects, such as magnets, cutting tools, springs and wire, for which iron is almost indispensable. Thus, if the use of ores very much poorer than those we now treat, and the need of concentrating them mechanically, were to double the cost of a pound of iron in the concentrated ore ready for smelting, that would increase the cost of rails by only one quarter. Hence the addition to the cost of finished steel objects which is due to our being forced to use progressively poorer and poorer ores is likely to be much less than the addition due to the progressive rise in the cost of coal and in the cost of labour, because of the ever-rising scale of living. The effect of each of these additions will be lessened by the future improvements in processes of manufacture, and more particularly by the progressive replacement of that ephemeral source of energy, coal, by the secular sources, the winds, waves, tides, sunshine, the earth’s heat and, greatest of all, its momentum.
54. Ore Supply of the Chief Iron-making Countries.—The United States mine nearly all of their iron ores, Austria-Hungary, Russia and France mine the greater part of theirs, but none of these countries exports much ore. Great Britain and Germany, besides mining a great deal of ore, still have to import much from Spain, Sweden and in the case of Germany from Luxemburg, although, because of the customs arrangement between these last two countries, this importation is not usually reported. Belgium imports nearly all of its ore, while Sweden and Spain export most of the ore which they mine.
55. Great Britain has many valuable ore beds, some rich in iron, many of them near to beds of coal and to the sea-coast, to canals or to navigable rivers. They extend from Northamptonshire to near Glasgow. About two-thirds of the ore mined is clayey siderite. In 1905 the Cleveland district in North Yorkshire supplied 41% of the total British product of iron ores; Lincolnshire, 14.8%; Northamptonshire, 13.9%; Leicestershire, 4.7%; Cumberland, 8.6%; North Lancashire, 2.7%; Staffordshire, 6.1%; and Scotland, 5.7%. The annual production of British iron ore reached 18,031,957 tons in 1882, but in 1905 it had fallen to 14,590,703 tons, valued at £3,482,184. In addition 7,344,786 tons, or about half as much as was mined in Great Britain, were imported, 78.5% of it from Spain. The most important British ore deposit is the Lower Cleveland bed of oolitic siderite in the Middle Lias, near Middlesborough. It is from 10 to 17 ft. thick, and its ore contains about 30% of iron.
56. Geographical Distribution of the British Works.—Most of the British iron works lie in and near the important coal-fields in Scotland between the mouth of the Clyde and the Forth, in Cleveland and Durham, in Cumberland and Lancashire, in south Yorkshire, Derbyshire, and Lincolnshire, in Staffordshire and Northamptonshire, and in south Wales in spite of its lack of ore.
The most important group is that of Cleveland and Durham, which makes about one-third of all the British pig iron. It has the great Cleveland ore bed and the excellent Durham coal near tidewater at Middlesbrough. The most important seat of the manufacture of cutlery and the finer kinds of steel is at Sheffield.
57. The United States have great deposits of ore in many different places. The rich beds near Lake Superior, chiefly red haematite, yielding at present about 55% of iron, are thought to contain between 112 and 2 billion tons, and the red and brown haematites of the southern states about 10 billion tons. The middle states, New York, New Jersey and Pennsylvania, are known to have many great deposits of rich magnetite, which supplied a very large proportion of the American ores till the discovery of the very cheaply mined ores of Lake Superior. In 1906 these latter formed 80% of the American production, and the southern states supplied about 13% of it, while the rich deposits of the middle states are husbanded in accordance with the law that ore bodies are drawn on in the order of their apparent profitableness.
The most important American iron-making district is in and about Pittsburg, to whose cheap coal the rich Lake Superior ores are brought nearly 1000 m., about four-fifths of the distance in the large ore steamers of the Great Lakes. Chicago, nearer to the Lake ores, though rather far from the Pittsburg coal-field, is a very important centre for rail-making for the railroads of the western states. Ohio, the Lake Erie end of New York State, eastern Pennsylvania and Maryland have very important works, the ore for which comes in part from Lake Superior and in part from Pennsylvania, New York and Cuba, and the fuel from Pennsylvania and its neighbourhood. Tennessee and Alabama in the south rely on southern ore and fuel.
58. Germany gets about two-thirds of her total ore supply from the great Jurassic “Minette” ore deposit of Luxemburg and Lorraine, which reaches also into France and Belgium. In spite of its containing only about 36% of iron, this deposit is of very great value because of its great size, and of the consequent small cost of mining. It stretches through an area of about 8 m. wide and 40 m. long, and in some places it is nearly 60 ft. thick. There are valuable deposits also in Siegerland and in many other parts of the country.
59. Sweden has abundant, rich and very pure iron ores, but her lack of coal has restricted her iron manufacture chiefly to the very purest and best classes of iron and steel, in making which her thrifty and intelligent people have developed very rare skill. The magnetite ore bodies which supply this industry lie in a band about 180 m. long, reaching from a little north of Stockholm westerly toward the Norwegian frontier, between the latitudes 59° and 61° N. In Swedish Lapland, near the Arctic circle, are the great Gellivara, Kirunavara and Luossavara magnetite beds, among the largest in Europe. From these beds, which in some parts are about 300 ft. thick, much ore is sent to Germany and Great Britain.
60. Other Countries.—Spain has large, rich and pure iron ore beds, near both her northern and her southern sea coast. She exports about 90% of all the iron ore which she mines, most of it to England. France draws most of her iron ore from her own part of the great Minette ore deposit, and from those parts of it which were taken from her when she lost Alsace and Lorraine. Russia’s most valuable ore deposit is the very large and easily mined one of Krivoi Rog in the south, from which comes about half of the Russian iron ore. It is near the Donetz coal-field, the largest in Europe. There are also important ore beds in the Urals, near the border of Finland, and at the south of Moscow. In Austria-Hungary, besides the famous Styrian Erzberg, with its siderite ore bed about 450 ft. thick, there are cheaply mined but poor and impure ores near Prague, and important ore beds in both northern and southern Hungary. Algeria, Canada, Cuba and India have valuable ore bodies.
61. Richness of Iron Ores.—The American ores now mined are decidedly richer than those of most European countries. To make a ton of pig iron needs only about 1.9 tons of ore in the United States, 2 tons in Sweden and Russia, 2.4 tons in Great Britain and Germany, and about 2.7 tons in France and Belgium, while about 3 tons of the native British ores are needed per ton of pig iron.
62. The general scheme of iron manufacture is shown diagrammatically in fig. 6. To put the iron contained in iron ore into a state in which it can be used as a metal requires essentially, first its deoxidation, and second its separation from the other mineral matter, such as clay, quartz, &c. with which it is found associated. These two things are done simultaneously by heating and melting the ore in contact with coke, charcoal or anthracite, in the iron blast furnace, from which issue intermittently two molten streams, the iron now deoxidized and incidentally carburized by the fuel with which it has been in contact, and the mineral matter, now called “slag.” This crude cast iron, called “pig iron,” may be run from the blast furnace directly into moulds, which give the metal the final shape in which it is to be used in the arts; but it is almost always either remelted, following path 1 of fig. 6, and then cast into castings of cast iron, or converted into wrought iron or steel by purifying it, following path 2.
![]() |
| Fig. 6.—General Scheme of Iron Manufacture. |
If it is to follow path 1, the castings into which it is made may be either (a) grey or (b) chilled or (c) malleable. Grey iron castings are made by remelting the pig iron either in a small shaft or “cupola” furnace, or in a reverberatory or “air” furnace, with very little change of chemical composition, and then casting it directly into suitable moulds, usually of either “baked,” i.e. oven-dried, or “green,” i.e. moist undried, sand, but sometimes of iron covered with a refractory coating to protect it from being melted or overheated by the molten cast iron. The general procedure in the manufacture of chilled and of malleable castings has been described in §§ 30 and 31.
If the pig iron is to follow path 2, the purification which converts it into wrought iron or steel consists chiefly in oxidizing and thereby removing its carbon, phosphorus and other impurities, while it is molten, either by means of the oxygen of atmospheric air blown through it as in the Bessemer process, or by the oxygen of iron ore stirred into it as in the puddling and Bell-Krupp processes, or by both together as in the open hearth process.
On its way from the blast furnace to the converter or open hearth furnace the pig iron is often passed through a great reservoir called a “mixer,” which acts also as an equalizer, to lessen the variation in composition of the cast iron, and as a purifier, removing part of the sulphur and silicon.
63. Shaping and Adjusting Processes.—Besides these extraction and purification processes there are those of adjustment and shaping. The adjusting processes adjust either the ultimate composition, e.g. carburizing wrought iron by long heating in contact with charcoal (cementation), or the proximate composition or constitution, as in the hardening, tempering and annealing of steel already described (§§ 28, 29), or both, as in the process of making malleable cast iron (§ 31). The shaping processes include the mechanical ones, such as rolling, forging and wire-drawing, and the remelting ones such as the crucible process of melting wrought iron or steel in crucibles and casting it in ingots for the manufacture of the best kinds of tool steel. Indeed, the remelting of cast iron to make grey iron castings belongs here. This classification, though it helps to give a general idea of the subject, yet like most of its kind cannot be applied rigidly. Thus the crucible process in its American form both carburizes and remelts, and the open hearth process is often used rather for remelting than for purifying.
64. The iron blast furnace, a crude but very efficient piece of apparatus, is an enormous shaft usually about 80 ft. high and 20 ft. wide at its widest part. It is at all times full from top to bottom, somewhat as sketched in figs. 7 and 8, of a solid column of lumps of fuel, ore and limestone, which are charged through a hopper at the top, and descend slowly as the lower end of the column is eaten off through the burning away of its coke by means of very hot air or “blast” blown through holes or “tuyeres” near the bottom or “hearth,” and through the melting away, by the heat thus generated, both of the iron itself which has been deoxidized in its descent, and of the other minerals of the ore, called the “gangue,” which unite with the lime of the limestone and the ash of the fuel to form a complex molten silicate called the “cinder” or “slag.”
![]() | |
| Fig. 7.—Section of Duquesne Blast Furnace. | |
GG, Flanges on the ore bucket; |
P, Cinder notch; |
![]() |
| Fig. 8.—Lower Part of the Blast Furnace. |
![]() |
* The ore and lime actually exist here in powder. They are
shown in lump form because of the difficulty of presenting to the
eye their powdered state.
![]() |
| Fig. 9.—Method of transferring charge from bucket to main charging bell, without permitting escape of furnace gas (lettering as in fig. 7). |
Interpenetrating this descending column of solid ore, limestone and coke, there is an upward rushing column of hot gases, the atmospheric nitrogen of the blast from the tuyeres, and the carbonic oxide from the combustion of the coke by that blast. The upward ascent of the column of gases is as swift as the descent of the solid charge is slow. The former occupies but a very few seconds, the latter from 12 to 15 hours.
In the upper part of the furnace the carbonic oxide deoxidizes the iron oxide of the ore by such reactions as xCO+FeOx = Fe+xCO2. Part of the resultant carbonic acid is again deoxidized to carbonic oxide by the surrounding fuel, CO2+C = 2CO, and the carbonic oxide thus formed deoxidizes more iron oxide, &c. As indicated in fig. 7, before the iron ore has descended very far it has given up nearly the whole of its oxygen, and thus lost its power of oxidizing the rising carbonic oxide, so that from here down the atmosphere of the furnace consists essentially of carbonic oxide and nitrogen.
But the transfer of heat from the rising gases to the sinking solids, which has been going on in the upper part of the furnace, continues as the solid column gradually sinks downward to the hearth, till at the “fusion level” (A in fig. 7) the solid matter has become so hot that the now deoxidized iron melts, as does the slag as fast as it is formed by the union of its three constituents, the gangue, the lime resulting from the decomposition of the limestone and the ash of the fuel. Hence from this level down the only solid matter is the coke, in lumps which are burning rapidly and hence shrinking, while between them the molten iron and slag trickle, somewhat as sketched in fig. 8, to collect in the hearth in two layers as distinct as water and oil, the iron below, the slag above.
As they collect, the molten iron is drawn off at intervals through a hole A (fig. 8), temporarily stopped with clay, at the very bottom, and the slag through another hole a little higher up, called the “cinder notch.” Thus the furnace may be said to have four zones, those of (1) deoxidation, (2) heating, (3) melting, and (4) collecting, though of course the heating is really going on in all four of them.
In its slow descent the deoxidized iron nearly saturates itself with carbon, of which it usually contains between 3.5 and 4%, taking it in part from the fuel with which it is in such intimate contact, and in part from the finely divided carbon deposited within the very lumps of ore, by the reaction 2CO = C+CO2. This carburizing is an indispensable part of the process, because through it alone can the iron be made fusible enough to melt at the temperature which can be generated in the furnace, and only when liquid can it be separated readily and completely from the slag. In fact, the molten iron is heated so far above its melting point that, instead of being run at once into pigs as is usual, it may, without solidifying, be carried even several miles in large clay-lined ladles to the mill where it is to be converted into steel.
65. The fuel has, in addition to its duties of deoxidizing and carburizing the iron and yielding the heat needed for melting both the iron and slag, the further task of desulphurizing the iron, probably by the reaction FeS+CaO+C = Fe+CaS+CO.
The desulphurizing effect of this transfer of the sulphur from union with iron to union with calcium is due to the fact that, whereas iron sulphide dissolves readily in the molten metallic iron, calcium sulphide, in the presence of a slag rich in lime, does not, but by preference enters the slag, which may thus absorb even as much as 3% of sulphur. This action is of great importance whether the metal is to be used as cast iron or is to be converted into wrought iron or steel. In the former case there is no later chance to remove sulphur, a minute quantity of which does great harm by leading to the formation of cementite instead of graphite and ferrite, and thus making the cast-iron castings too hard to be cut to exact shape with steel tools; in the latter case the converting or purifying processes, which are essentially oxidizing ones, though they remove the other impurities, carbon, silicon, phosphorus and manganese, are not well adapted to desulphurizing, which needs rather deoxidizing conditions, so as to cause the formation of calcium sulphide, than oxidizing ones.
66. The duty of the limestone (CaCO3) is to furnish enough lime to form with the gangue of the ore and the ash of the fuel a lime silicate or slag of such a composition (1) that it will melt at the temperature which it reaches at about level A, of fig. 7, (2) that it will be fluid enough to run out through the cinder notch, and (3) that it will be rich enough in lime to supply that needed for the desulphurizing reaction FeS+CaO+C = Fe+CaS+CO. In short, its duty is to “flux” the gangue and ash, and wash out the sulphur.
67. In order that the slag shall have these properties its composition usually lies between the following limits: silica, 26 to 35%; lime, plus 1.4 times the magnesia, 45 to 55%; alumina, 5 to 20%. Of these the silica and alumina are chiefly those which the gangue of the ore and the ash of the fuel introduce, whereas the lime is that added intentionally to form with these others a slag of the needed physical properties.
Thus the more gangue the ore contains, i.e. the poorer it is in iron, the more limestone must in general be added, and hence the more slag results, though of course an ore the gangue of which initially contains much lime and little silica needs a much smaller addition of limestone than one of which the gangue is chiefly silica. Further, the more sulphur there is to remove, the greater must be the quantity of slag needed to dissolve it as calcium sulphide. In smelting the rich Lake Superior ores the quantity of slag made was formerly as small as 28% of that of the pig iron, whereas in smelting the Cleveland ores of Great Britain it is usually necessary to make as much as 112 tons of slag for each ton of iron.
68. Shape and Size of the Blast-Furnace.—Large size has here, as in most metallurgical operations, not only its usual advantage of economy of installation, labour and administration per unit of product, but the further very important one that it lessens the proportion which the outer heat-radiating and hence heat-wasting surface bears to the whole. The limits set to the furnace builder’s natural desire to make his furnace as large as possible, and its present shape (an obtuse inverted cone set below an acute upright one, both of them truncated), have been reached in part empirically, and in part by reasoning which is open to question, as indeed are the reasons which will now be offered reservedly for both size and shape.
First the width at the tuyeres (fig. 7) has generally been limited to about 1212 ft. by the fear that, if it were greater, the blast would penetrate so feebly to the centre that the difference in conditions between centre and circumference would be so great as to cause serious unevenness of working. Of late furnaces have been built even as wide as 17 ft. in the hearth, and it may prove that a width materially greater than 1212 ft. can profitably be used. With the width at the bottom thus limited, the furnace builder naturally tries to gain volume as rapidly as possible by flaring or “battering” his walls outwards, i.e. by making the “bosh” or lower part of his furnace an inverted cone as obtuse as is consistent with the free descent of the solid charge. In practice a furnace may be made to work regularly if its boshes make an angle of between 73° and 76° with the horizontal, and we may assume that one element of this regularity is the regular easy sliding of the charge over this steep slope. A still steeper one not only gives less available room, but actually leads to irregular working, perhaps because it unduly favours the passage of the rising gas along the walls instead of up and through the charge, and thus causes the deoxidation of the central core to lag behind that of the periphery of the column, with the consequence that this central core arrives at the bottom incompletely deoxidized.
In the very swift-running furnaces of the Pittsburg type this outward flare of the boshes ceases at about 12 ft. above the tuyeres, and is there reversed, as in fig. 7, so that the furnace above this is a very acute upright cone, the walls of which make an angle of about 4° with the vertical, instead of an obtuse inverted cone.
In explanation or justification of this it has been said that a much easier descent must be provided above this level than is needed below it. Below this level the solid charge descends easily, because it consists of coke alone or nearly alone, and this in turn because the temperature here is so high as to melt not only the iron now deoxidized and brought to the metallic state, but also the gangue of the ore and the limestone, which here unite to form the molten slag, and run freely down between the lumps of coke. This coke descends freely even through this fast-narrowing space, because it is perfectly solid and dry without a trace of pastiness. But immediately above this level the charge is relatively viscous, because here the temperature has fallen so far that it is now at the melting or formation point of the slag, which therefore is pasty, liable to weld the whole mass together as so much tar would, and thus to obstruct the descent of the charge, or in short to “scaffold.”
The reason why at this level the walls must form an upright instead of an inverted cone, why the furnace must widen downward instead of narrowing, is, according to some metallurgists, that this shape is needed in order that, in spite of the pastiness of the slag in this formative period of incipient fusion, this layer may descend freely as the lower part of the column is gradually eaten away. To this very plausible theory it may be objected that in many slow-running furnaces, which work very regularly and show no sign of scaffolding, the outward flare of the boshes continues (though steepened) far above this region of pastiness, indeed nearly half-way to the top of the furnace. This proves that the regular descent of the material in its pasty state can take place even in a space which is narrowing downwards. To this objection it may in turn be answered that, though this degree of freedom of descent may suffice for a slow-running furnace, particularly if the slag is given such a composition that it passes quickly from the solid state to one of decided fluidity, yet it is not enough for swift-running ones, especially if the composition of the slag is such that, in melting, it remains long in a very sticky condition. In limiting the diameter at the tuyeres to 1212 ft., the height of the boshes to one which will keep their upper end below the region of pastiness, and their slope to one over which the burning coke will descend freely, we limit the width of the furnace at the top of the boshes and thus complete the outline of the lower part of the furnace.
The height of the furnace is rarely as great as 100 ft., and in the belief of many metallurgists it should not be much more than 80 ft. There are some very evident disadvantages of excessive height; for instance, that the weight of an excessively high column of solid coke, ore and limestone tends to crush the coke and jam the charge in the lower and narrowing part of the furnace, and that the frictional resistance of a long column calls for a greater consumption of power for driving the blast up through it. Moreover, this resistance increases much more rapidly than the height of the furnace, even if the rapidity with which the blast is forced through is constant; and it still further increases if the additional space gained by lengthening the furnace is made useful by increasing proportionally the rate of production, as indeed would naturally be done, because the chief motive for gaining this additional space is to increase production.
The reason why the frictional resistance would be further increased is the very simple one that the increase in the rate of production implies directly a corresponding increase in the quantity of blast forced through, and hence in the velocity of the rising gases, because the chemical work of the blast furnace needs a certain quantity of blast for each ton of iron made. In short, to increase the rate of production by lengthening the furnace increases the frictional resistance of the rising gases, both by increasing their quantity and hence their velocity and by lengthening their path.
Indeed, one important reason for the difficulties in working very high furnaces, e.g. those 100 ft. high, may be that this frictional resistance becomes so great as actually to interrupt the even descent of the charge, parts of which are at times suspended like a ball in the rising jet of a fountain, to fall perhaps with destructive violence when some shifting condition momentarily lessens the friction. We see how powerful must be the lifting effect of the rising gases when we reflect that their velocity in a 100 ft. furnace rapidly driven is probably at least as great as 2000 ft. per minute, or that of a “high wind.” Conceive these gases passing at this great velocity through the narrow openings between the adjoining lumps of coke and ore. Indeed, the velocity must be far greater than this where the edge or corner of one lump touches the side of another, and the only room for the passage of this enormous quantity of gas is that left by the roughness and irregularity of the individual lumps.
The furnace is made rather narrow at the top or “stock line,” in order that the entering ore, fuel and flux may readily be distributed evenly. But extreme narrowness would not only cause the escaping gases to move so swiftly that they would sweep much of the fine ore out of the furnace, but would also throw needless work on the blowing engines by throttling back the rising gases, and would lessen unduly the space available for the charge in the upper part of the furnace.
From its top down, the walls of the furnace slope outward at an angle of between 3° and 8°, partly in order to ease the descent of the charge, here impeded by the swelling of the individual particles of ore caused by the deposition within them of great quantities of fine carbon, by the reaction of 2CO = C+CO2. To widen it more abruptly would indeed increase the volume of the furnace, but would probably lead to grave irregularities in the distribution of the gas and charge, and hence in the working of the furnace.
When we have thus fixed the height of the furnace, its diameter at its ends, and the slope of its upper and lower parts, we have completed its outline closely enough for our purpose here.
69. Hot Blast and Dry Blast.—On its way from the blowing engine to the tuyeres of the blast-furnace, the blast, i.e. the air forced in for the purpose of burning the fuel, is usually pre-heated, and in some of the most progressive works is dried by Gayley’s refrigerating process. These steps lead to a saving of fuel so great as to be astonishing at first sight—indeed in case of Gayley’s blast-drying process incredible to most writers, who proved easily and promptly to their own satisfaction that the actual saving was impossible. But the explanation is really so very simple that it is rather the incredulity of these writers that is astonishing. In the hearth of the blast furnace the heat made latent by the fusion of the iron and slag must of course be supplied by some body which is itself at a temperature above the melting point of these bodies, which for simplicity of exposition we may call the critical temperature of the blast-furnace process, because heat will flow only from a hotter to a cooler object. Much the same is true of the heat needed for the deoxidation of the silica, SiO2+2C = Si+2CO2. Now the heat developed by the combustion of coke to carbonic oxide with cold air containing the usual quantity of moisture, develops a temperature only slightly above this critical point; and it is only the heat represented by this narrow temperature-margin that is available for doing this critical work of fusion and deoxidation. That is the crux of the matter. If by pre-heating the blast we add to the sum of the heat available; or if by drying it we subtract from the work to be done by that heat the quantity needed for decomposing the atmospheric moisture; or if by removing part of its nitrogen we lessen the mass over which the heat developed has to be spread—if by any of these means we raise the temperature developed by the combustion of the coke, it is clear that we increase the proportion of the total heat which is available for this critical work in exactly the way in which we should increase the proportion of the water of a stream, initially 100 in. deep, which should flow over a waste weir initially 1 in. beneath the stream’s surface, by raising the upper surface of the water 10 in. and thus increasing the depth of the water to 110 in. Clearly this raising the level of the water by 10% increases tenfold, or by 1000%, the volume of water which is above the level of the weir.
The special conditions of the blast-furnace actually exaggerate the saving due to this widening of the available temperature-margin, and beyond this drying the blast does great good by preventing the serious irregularities in working the furnace caused by changes in the humidity of the air with varying weather.
70. Means of Heating the Blast.—After the ascending column of gases has done its work of heating and deoxidizing the ore, it still necessarily contains so much carbonic oxide, usually between 20 and 26% by weight, that it is a very valuable fuel, part of which is used for raising steam for generating the blast itself and driving the rolling mill engines, &c., or directly in gas engines, and the rest for heating the blast. This heating was formerly done by burning part of the gases, after their escape from the furnace top, in a large combustion chamber, around a series of cast iron pipes through which the blast passed on its way from the blowing engine to the tuyeres. But these “iron pipe stoves” are fast going out of use, chiefly because they are destroyed quickly if an attempt is made to heat the blast above 1000° F. (538° C.), often a very important thing. In their place the regenerative stoves of the Whitwell and Cowper types (figs. 10 and 11) are used. With these the regular temperature of the blast at some works is about 1400° F. (760° C.), and the usual blast temperature lies between 900° and 1200° F. (480° and 650° C.).
Like the Siemens furnace, described in § 99, they have two distinct phases: one, “on gas,” during which part of the waste gas of the blast-furnace is burnt within the stove, highly heating the great surface of brickwork which for that purpose is provided within it; the other, “on wind,” during which the blast is heated by passing it back over these very surfaces which have thus been heated. They are heat-filters or heat-traps for impounding the heat developed by the combustion of the furnace gas, and later returning it to the blast. Each blast-furnace is now provided with three or even four of these stoves, which collectively may be nearly thrice as large as the furnace itself. At any given time one of these is “on wind” and the others “on gas.”
![]() |
| Fig. 10.—Whitwell Hot-Blast Stove, as modified by H. Kennedy. When “on wind,” the cold blast is forced in at A, and passes four times up and down, as shown by means of unbroken arrows, escaping as hot-blast at B. When “on gas,” the gas and air enter at the bottom of each of the three larger vertical chambers, pass once up through the stove, and escape at the top, as shown by means of broken arrows. Hence this is a four-pass stove when on wind, but a one-pass stove when on gas. |
The Whitwell stove (fig. 10), by means of the surface of several fire-brick walls, catches in one phase the heat evolved by the burning gas as it sweeps through, and in the other phase returns that heat to the entering blast as it sweeps through from left to right. In the original Whitwell stove, which lacks the chimneys shown at the top of fig. 10, both the burning gas and the blast pass up and down repeatedly. In the H. Kennedy modification, shown in fig. 10, the gas and air in one phase enter at the bottom of all three of the large vertical chambers, burn in passing upwards, and escape at once at the top, as shown by the broken arrows. In the other phase the cold blast, forced in at A, passes four times up and down, as shown by the unbroken arrows, and escapes as hot blast at B. This, then, is a “one-pass” stove when on gas but a “four-pass” one when on wind.
The Cowper stove (Fig. 11) differs from the Whitwell (1) in having not a series of flat smooth walls, but a great number of narrow vertical flues, E, for the alternate absorption and emission of the heat, with the consequence that, for given outside dimensions, it offers about one-half more heating surface than the true Whitwell stove; and (2) in that the gas and the blast pass only once up and once down through it, instead of twice up and twice down as in the modern true Whitwell stoves. As regards frictional resistance, this smaller number of reversals of direction compensates in a measure for the smaller area of the Cowper flues. The large combustion chamber B permits thorough combustion of the gas.
71. Preservation of the Furnace Walls.—The combined fluxing and abrading action of the descending charge tends to wear away the lining of the furnace where it is hottest, which of course is near its lower end, thus changing its shape materially, lessening its efficiency, and in particular increasing its consumption of fuel. The walls, therefore, are now made thin, and are thoroughly cooled by water, which circulates through pipes or boxes bedded in them. James Gayley’s method of cooling, shown in fig. 7, is to set in the brickwork walls several horizontal rows of flat water-cooled bronze boxes, RR′, extending nearly to the interior of the furnace, and tapered so that they can readily be withdrawn and replaced in case they burn through. The brickwork may wear back to the front edges of these boxes, or even, as is shown at R′, a little farther. But in the latter case their edges still determine the effective profile of the furnace walls because the depressions at the back of these edges become filled with carbon and scoriaceous matter when the furnace is in normal working. Each of these rows, of which five are shown in fig. 7, consists of a great number of short segmental boxes.
72. Blast-furnace Gas Engines.—When the gas which escapes from the furnace top is used in gas engines it generates about four times as much power as when it is used for raising steam. It has been calculated that the gas from a pair of old-fashioned blast-furnaces making 1600 tons of iron per week would in this way yield some 16,000 horse-power in excess of their own needs, and that all the available blast-furnace gas in the United States would develop about 1,500,000 horse-power, to develop which by raising steam would need about 20,000,000 tons of coal a year. Of this power about half would be used at the blast-furnaces themselves, leaving 750,000 horse-power available for driving the machinery of the rolling mills, &c.
![]() |
| Fig. 11.—Diagram of Cowper Hot-Blast Stove at Duquesne. (After J. Kennedy.) Broken arrows show the path of the gas and air while the stove is “on gas,” and solid arrows that of the blast while it is “on wind.” |
A, Entrance for blast-furnace gas. |
This use of the gas engine is likely to have far-reaching results. In order to utilize this power, the converting mill, in which the pig iron is converted into steel, and the rolling mills must adjoin the blast-furnace. The numerous converting mills which treat pig iron made at a distance will now have the crushing burden of providing in other ways the power which their rivals get from the blast-furnace, in addition to the severe disadvantage under which they already suffer, of wasting the initial heat of the molten cast iron as it runs from the blast-furnace. Before its use in the gas engine, the blast-furnace gas has to be freed carefully from the large quantity of fine ore dust which it carries in suspension.
73. Mechanical Appliances.—Moving the raw materials and the products: In order to move economically the great quantity of materials which enter and issue from each furnace daily, mechanical appliances have at many works displaced hand labour wholly, and indeed that any of the materials should be shovelled by hand is not to be thought of in designing new works.
The arrangement at the Carnegie Company’s Duquesne works (fig. 12) may serve as an example of modern methods of handling. The standard-gauge cars which bring the ore and coke to Duquesne pass over one of three very long rows of bins, A, B, and C (fig. 12), of which A and B receive the materials (ore, coke and limestone) for immediate use, while C receives those to be stored for winter use. From A and B the materials are drawn as they are needed into large buckets D standing on cars, which carry them to the foot of the hoist track EE, up which they are hoisted to the top of the furnace. Arrived here, the material is introduced into the furnace by an ingenious piece of mechanism which completely prevents the furnace gas from escaping into the air. The hoist-engineer in the house F at the foot of the furnace, when informed by means of an indicator that the bucket has arrived at the top, lowers it so that its flanges GG (fig. 7) rest on the corresponding fixed flanges HH, as shown in fig. 9. The farther descent of the bucket being thus arrested, the special cable T is now slackened, so that the conical bottom of the bucket drops down, pressing down by its weight the counter-weighted false cover J of the furnace, so that the contents of the bucket slide down into the space between this false cover and the true charging bell, K. The special cable T is now tightened again, and lifts the bottom of the bucket so as both to close it and to close the space between J and K, by allowing J to rise back to its initial place. The bucket then descends along the hoist-track to make way for the next succeeding one, and K is lowered, dropping the charge into the furnace. Thus some 1700 tons of materials are charged daily into each of these furnaces without being shovelled at all, running by gravity from bin to bucket and from bucket to furnace, and being hoisted and charged into the furnace by a single engineer below, without any assistance or supervision at the furnace-top.
![]() | ||||
| Fig. 12.—Diagram of the Carnegie Blast-Furnace Plant at Duquesne, Pa. | ||||
| A and B, | Bins for stock for immediate use. | F, | Hoist-engine house. | N, N, N, Ladles carrying the molten cast iron to the works, where it is converted into steel by the open hearth process. |
| C, | Receiving bin for winter stock pile. | LL, | Travelling crane commanding stock pile. | |
| D, D, | Ore bucket. | M, | Ore bucket receiving ore for stock pile. | |
| EE, | Hoist-track. | M′, | Bucket removing ore from stock pile. | |
The winter stock of materials is drawn from the left-hand row of bins, and distributed over immense stock piles by means of the great crane LL (fig. 12), which transfers it as it is needed to the row A of bins, whence it is carried to the furnace, as already explained.
74. Casting the Molten Pig Iron.—The molten pig iron at many works is still run directly from the furnace into sand or iron moulds arranged in a way which suggests a nursing litter of pigs; hence the name “pig iron.” These pigs are then usually broken by hand. The Uehling casting machine (fig. 13) has displaced this method in many works. It consists essentially of a series of thin-walled moulds, BB, carried by endless chains past the lip of a great ladle A. This pours into them the molten cast iron which it has just received directly from the blast-furnace. As the string of moulds, each thus containing a pig, moves slowly forward, the pigs solidify and cool, the more quickly because in transit they are sprayed with water or even submerged in water in the tank EE. Arrived at the farther sheave C, the now cool pigs are dumped into a railway car.
![]() | |
| Fig. 13.—Diagram of Pig-Casting Machine. | |
A,Ladle bringing the cast iron from the blast-furnace. |
EE, Tank in which the moulds are submerged. |
Besides a great saving of labour, only partly offset by the cost of repairs, these machines have the great merit of making the management independent of a very troublesome set of labourers, the hand pig-breakers, who were not only absolutely indispensable for every cast and every day, because the pig iron must be removed promptly to make way for the next succeeding cast of iron, but very difficult to replace because of the great physical endurance which their work requires.
75. Direct Processes for making Wrought Iron and Steel.—The present way of getting the iron of the ore into the form of wrought iron and steel by first making cast iron and then purifying it, i.e. by first putting carbon and silicon into the iron and then taking them out again at great expense, at first sight seems so unreasonably roundabout that many “direct” processes of extracting the iron without thus charging it with carbon and silicon have been proposed, and some of them have at times been important. But to-day they have almost ceased to exist.
That the blast-furnace process must be followed by a purifying one, that carburization must at once be undone by decarburization, is clearly a disadvantage, but it is one which is far out weighed by five important incidental advantages. (1) The strong deoxidizing action incidental to this carburizing removes the sulphur easily and cheaply, a thing hardly to be expected of any direct process so far as we can see. (2) The carburizing incidentally carburizes the brickwork of the furnace, and thus protects it against corrosion by the molten slag. (3) It protects the molten iron against reoxidation, the greatest stumbling block in the way of the direct processes hitherto. (4) This same strong deoxidizing action leads to the practically complete deoxidation and hence extraction of the iron. (5) In that carburizing lowers the melting point of the iron greatly, it lowers somewhat the temperature to which the mineral matter of the ore has to be raised in order that the iron may be separated from it, because this separation requires that both iron and slag shall be very fluid. Indeed, few if any of the direct processes have attempted to make this separation, or to make it complete, leaving it for some subsequent operation, such as the open hearth process.
In addition, the blast-furnace uses a very cheap source of energy, coke, anthracite, charcoal, and even certain kinds of raw bituminous coal, and owing first to the intimacy of contact between this fuel and the ore on which it works, and second to the thoroughness of the transfer of heat from the products of that fuel’s combustion in their long upward journey through the descending charge, even this cheap energy is used most effectively.
Thus we have reasons enough why the blast-furnace has displaced all competing processes, without taking into account its further advantage in lending itself easily to working on an enormous scale and with trifling consumption of labour, still further lessened by the general practice of transferring the molten cast iron in enormous ladles into the vessels in which its conversion into steel takes place. Nevertheless, a direct process may yet be made profitable under conditions which specially favour it, such as the lack of any fuel suitable for the blast-furnace, coupled with an abundance of cheap fuel suitable for a direct process and of cheap rich ore nearly free from sulphur.
76. The chief difficulty in the way of modifying the blast-furnace process itself so as to make it accomplish what the direct processes aim at, by giving its product less carbon and silicon than pig iron as now made contains, is the removal of the sulphur. The processes for converting cast iron into steel can now remove phosphorus easily, but the removal of sulphur in them is so difficult that it has to be accomplished for the most part in the blast-furnace itself. As desulphurizing seems to need the direct and energetic action of carbon on the molten iron itself, and as molten iron absorbs carbon most greedily, it is hard to see how the blast-furnace is to desulphurize without carburizing almost to saturation, i.e. without making cast iron.
77. Direct Metal and the Mixer.—Until relatively lately the cast iron for the Bessemer and open-hearth processes was nearly always allowed to solidify in pigs, which were next broken up by hand and remelted at great cost. It has long been seen that there would be a great saving if this remelting could be avoided and “direct metal,” i.e. the molten cast iron direct from the blast-furnace, could be treated in the conversion process. The obstacle is that, owing to unavoidable irregularities in the blast-furnace process, the silicon- and sulphur-content of the cast iron vary to a degree and with an abruptness which are inconvenient for any conversion process and intolerable for the Bessemer process. For the acid variety of this process, which does not remove sulphur, this most harmful element must be held below a limit which is always low, though it varies somewhat with the use to which the steel is to be put. Further, the point at which the process should be arrested is recognized by the appearance of the flame which issues from the converter’s mouth, and variations in the silicon-content of the cast iron treated alter this appearance, so that the indications of the flame become confusing, and control over the process is lost. Moreover, the quality of the resultant steel depends upon the temperature of the process, and this in turn depends upon the proportion of silicon, the combustion of which is the chief source of the heat developed. Hence the importance of having the silicon-content constant. In the basic Bessemer process, also, unforeseen variations in the silicon-content are harmful, because the quantity of lime added should be just that needed to neutralize the resultant silica and the phosphoric acid and no more. Hence the importance of having the silicon-content uniform. This uniformity is now given by the use of the “mixer” invented by Captain W. R. Jones.
This “mixer” is a great reservoir into which successive lots of molten cast iron from all the blast-furnaces available are poured, forming a great molten mass of from 200 to 750 tons. This is kept molten by a flame playing above it, and successive lots of the cast iron thus mixed are drawn off, as they are needed, for conversion into steel by the Bessemer or open-hearth process. An excess of silicon or sulphur in the cast iron from one blast-furnace is diluted by thus mixing this iron with that from the other furnaces. Should several furnaces simultaneously make iron too rich in silicon, this may be diluted by pouring into the mixer some low-silicon iron melted for this purpose in a cupola furnace. This device not only makes the cast iron much more uniform, but also removes much of its sulphur by a curious slow reaction. Many metals have the power of dissolving their own oxides and sulphides, but not those of other metals. Thus iron, at least highly carburetted, i.e. cast iron, dissolves its own sulphide freely, but not that of either calcium or manganese. Consequently, when we deoxidize calcium in the iron blast-furnace, it greedily absorbs the sulphur which has been dissolved in the iron as iron sulphide, and the sulphide of calcium thus formed separates from the iron. In like manner, if the molten iron in the mixer contains manganese, this metal unites with the sulphur present, and the manganese sulphide, insoluble in the iron, slowly rises to the surface, and as it reaches the air, its sulphur oxidizes to sulphurous acid, which escapes. Further, an important part of the silicon may be removed in the mixer by keeping it very hot and covering the metal with a rather basic slag. This is very useful if the iron is intended for either the basic Bessemer or the basic open-hearth process, for both of which silicon is harmful.
78. Conversion or Purifying Processes for converting Cast Iron into Steel or Wrought Iron.—As the essential difference between cast iron on one hand and wrought iron and steel on the other is that the former contains necessarily much more carbon, usually more silicon, and often more phosphorus that are suitable or indeed permissible in the latter two, the chief work of all these conversion processes is to remove the excess of these several foreign elements by oxidizing them to carbonic oxide CO, silica SiO2, and phosphoric acid P2O5, respectively. Of these the first escapes immediately as a gas, and the others unite with iron oxide, lime, or other strong base present to form a molten silicate or silico-phosphate called “cinder” or “slag,” which floats on the molten or pasty metal. The ultimate source of the oxygen may be the air, as in the Bessemer process, or rich iron oxide as in the puddling process, or both as in the open-hearth process; but in any case iron oxide is the chief immediate source, as is to be expected, because the oxygen of the air would naturally unite in much greater proportion with some of the great quantity of iron offered to it than with the small quantity of these impurities. The iron oxide thus formed immediately oxidizes these foreign elements, so that the iron is really a carrier of oxygen from air to impurity. The typical reactions are something like the following: Fe3O4+4C = 4CO+3Fe; Fe3O4+C = 3FeO+CO; 2P+5Fe3O4 = 12FeO+3FeO,P2O5; Si+2Fe3O4 = 3FeO,SiO2+3FeO. Beside this their chief and easy work of oxidizing carbon, silicon and phosphorus, the conversion processes have the harder task of removing sulphur, chiefly by converting it into calcium sulphide, CaS, or manganous sulphide, MnS, which rise to the top of the molten metal and there enter the overlying slag, from which the sulphur may escape by oxidizing to the gaseous compound, sulphurous acid, SO2.
79. In the puddling process molten cast iron is converted into wrought iron, i.e. low-carbon slag-bearing iron, by oxidizing its carbon, silicon and phosphorus, by means of iron oxide stirred into it as it lies in a thin shallow layer in the “hearth” or flat basin of a reverberatory furnace (fig. 14), itself lined with iron ore. As the iron oxide is stirred into the molten metal laboriously by the workman or “puddler” with his hook or “rabble,” it oxidizes the silicon to silica and the phosphorus to phosphoric acid, and unites with both these products, forming with them a basic iron silicate rich in phosphorus, called “puddling” or “tap cinder.” It oxidizes the carbon also, which escapes in purple jets of burning carbonic oxide. As the melting point of the metal is gradually raised by the progressive decarburization, it at length passes above the temperature of the furnace, about 1400° C., with the consequence that the metal, now below its melting point, solidifies in pasty grains, or “comes to nature.” These grains the puddler welds together by means of his rabble into rough 80-℔ balls, each like a sponge of metallic iron particles with its pores filled with the still molten cinder. These balls are next worked into merchantable shape, and the cinder is simultaneously expelled in large part, first by hammering them one at a time under a steam hammer (fig. 37) or by squeezing them, and next by rolling them. The squeezing is usually done in the way shown in fig. 15.
![]() |
| Fig. 14.—Puddling Furnace. |
![]() |
| Fig. 15.—Plan of Burden’s Excentric Revolving Squeezer for Puddled Balls. |
Here BB is a large fixed iron cylinder, corrugated within, and C an excentric cylinder, also corrugated, which, in turning to the right, by the friction of its corrugated surface rotates the puddled ball D which has just entered at A, so that, turning around its own axis, it travels to the right and is gradually changed from a ball into a bloom, a rough cylindrical mass of white hot iron, still dripping with cinder. This bloom is immediately rolled down into a long flat bar, called “muck bar,” and this in turn is cut into short lengths which, piled one on another, are reheated and again rolled down, sometimes with repeated cutting, piling and re-rolling, into the final shape in which it is actually to be used. But, roll and re-roll as often as we like, much cinder remains imbedded in the iron, in the form of threads and rods drawn out in the direction of rolling, and of course weakening the metal in the transverse direction.
80. Machine Puddling.—The few men who have, and are willing to exercise, the great strength and endurance which the puddler needs when he is stirring the pasty iron and balling it up, command such high wages, and with their little 500–℔ charges turn out their iron so slowly, that many ways of puddling by machinery have been tried. None has succeeded permanently, though indeed one offered by J. P. Roe is not without promise. The essential difficulty has been that none of them could subdivide the rapidly solidifying charge into the small balls which the workman dexterously forms by hand, and that if the charge is not thus subdivided but drawn as a single ball, the cinder cannot be squeezed out of it thoroughly enough.
81. Direct Puddling.—In common practice the cast iron as it runs from the blast-furnace is allowed to solidify and cool completely in the form of pigs, which are then graded by their fracture, and remelted in the puddling furnace itself. At Hourpes, in order to save the expense of this remelting, the molten cast iron as it comes from the blast-furnace is poured directly into the puddling furnace, in large charges of about 2200 ℔, which are thus about four times as large as those of common puddling furnaces. These large charges are puddled by two gangs of four men each, and a great saving in fuel and labour is effected.
Attractive as are these advances in puddling, they have not been widely adopted, for two chief reasons: First, owners of puddling works have been reluctant to spend money freely in plant for a process of which the future is so uncertain, and this unwillingness has been the more natural because these very men are in large part the more conservative fraction, which has resisted the temptation to abandon puddling and adopt the steel-making processes. Second, in puddling iron which is to be used as a raw material for making very fine steel by the crucible process, quality is the thing of first importance. Now in the series of operations, the blast-furnace, puddling and crucible processes, through which the iron passes from the state of ore to that of crucible tool steel, it is so difficult to detect just which are the conditions essential to excellence in the final product that, once a given procedure has been found to yield excellent steel, every one of its details is adhered to by the more cautious ironmasters, often with surprising conservatism. Buyers of certain excellent classes of Swedish iron have been said to object even to the substitution of electricity for water-power as a means of driving the machinery of the forge. In case of direct puddling and the use of larger charges this conservatism has some foundation, because the established custom of allowing the cast iron to solidify gives a better opportunity of examining its fracture, and thus of rejecting unsuitable iron, than is afforded in direct puddling. So, too, when several puddlers are jointly responsible for the thoroughness of their work, as happens in puddling large charges, they will not exercise such care (nor indeed will a given degree of care be so effective) as when responsibility for each charge rests on one man.
82. The removal of phosphorus, a very important duty of the puddling process, requires that the cinder shall be “basic,” i.e. that it shall have a great excess of the strong base, ferrous oxide, FeO, for the phosphoric acid to unite with, lest it be deoxidized by the carbon of the iron as fast as it forms, and so return to the iron, following the general rule that oxidized bodies enter the slag and unoxidized ones the metallic iron. But this basicity implies that for each part of the silica or silicic acid which inevitably results from the oxidation of the silicon of the pig iron, the cinder shall contain some three parts of iron oxide, itself a valuable and expensive substance. Hence, in order to save iron oxide the pig iron used should be nearly free from silicon. It should also be nearly free from sulphur, because of the great difficulty of removing this element in the puddling process. But the strong deoxidizing conditions needed in the blast-furnace to remove sulphur tend strongly to deoxidize silica and thus to make the pig iron rich in silicon.
83. The ”refinery process” of fitting pig iron for the puddling process by removing the silicon without the carbon, is sometimes used because of this difficulty in making a pig iron initially low in both sulphur and silicon. In this process molten pig iron with much silicon but little sulphur has its silicon oxidized to silica and thus slagged off, by means of a blast of air playing on the iron through a blanket of burning coke which covers it. The coke thus at once supplies by its combustion the heat needed for melting the iron and keeping it hot, and by itself dissolving in the molten metal returns carbon to it as fast as this element is burnt out by the blast, so that the “refined” cast iron which results, though still rich in carbon and therefore easy to melt in the puddling process, has relatively little silicon.
84. In the Bessemer or “pneumatic” process, which indeed might be called the “fuel-less” process, molten pig iron is converted into steel by having its carbon, silicon and manganese, and often its phosphorus and sulphur, oxidized and thus removed by air forced through it in so many fine streams and hence so rapidly that the heat generated by the oxidation of these impurities suffices in and by itself, unaided by burning any other fuel, not only to keep the iron molten, but even to raise its temperature from a point initially but little above the melting point of cast iron, say 1150° to 1250° C., to one well above the melting point of the resultant steel, say 1500° C. The “Bessemer converter” or “vessel” (fig. 16) in which this wonderful process is carried out is a huge retort, lined with clay, dolomite or other refractory material, hung aloft and turned on trunnions, DD, through the right-hand one of which the blast is carried to the gooseneck E, which in turn delivers it to the tuyeres Q at the bottom.
There are two distinct varieties of this process, the original undephosphorizing or “acid” Bessemer process, so called because the converter is lined with acid materials, i.e. those rich in silicic acid, such as quartz and clay, and because the slag is consequently acid, i.e. siliceous; and the dephosphorizing or “Thomas” or “basic Bessemer” process, so called because the converter is lined with basic materials, usually calcined dolomite, a mixture of lime and magnesia, bound together with tar, and because the slag is made very basic by adding much lime to it. In the basic Bessemer process phosphorus is readily removed by oxidation, because the product of its oxidation, phosphoric acid, P2O5, in the presence of an excess of base forms stable phosphates of lime and iron which pass into the slag, making it valuable as an artificial manure. But this dephosphorization by oxidation can be carried out only in the case slag is basic. If it is acid, i.e. if it holds much more than 20% of so powerful an acid as silica, then the phosphoric acid has so feeble a hold on the base in the slag that it is immediately re-deoxidized by the carbon of the metal, or even by the iron itself, P2O5 + 5Fe = 2P + 5FeO, and the resultant deoxidized phosphorus immediately recombines with the iron. Now in an acid-lined converter the slag is necessarily acid, because even an initially basic slag would immediately corrode away enough of the acid lining to make itself acid. Hence phosphorus cannot be removed in an acid-lined converter. Though all this is elementary to-day, not only was it unknown, indeed unguessed, at the time of the invention of the Bessemer process, but even when, nearly a quarter of a century later, a young English metallurgical chemist, Sidney Gilchrist Thomas (1850–1885), offered to the British Iron and Steel Institute a paper describing his success in dephosphorizing by the Bessemer process with a basic-lined converter and a basic slag, that body rejected it.
![]() | |
| Fig. 16.—12-15 ton Bessemer Converter. | |
A, Trunnion-ring. |
O, Tuyere-plate. |
![]() |
| Fig. 17.—Bessemer Converter, turned down in position to receive and discharge the molten metal. |
85. In carrying out the acid Bessemer process, the converter, preheated to about 1200° C. by burning coke in it, is turned into the position shown in fig. 17, and the charge of molten pig iron, which sometimes weighs as much as 20 tons, is poured into it through its mouth. The converter is then turned upright into the position shown in fig. 16, so that the blast, which has been let on just before this, entering through the great number of tuyere holes in the bottom, forces its way up through the relatively shallow layer of iron, throwing it up within the converter as a boiling foam, and oxidizing the foreign elements so rapidly that in some cases their removal is complete after 5 minutes. The oxygen of the blast having been thus taken up by the molten metal, its nitrogen issues from the mouth of the converter as a pale spark-bearing cone. Under normal conditions the silicon oxidizes first. Later, when most of it has been oxidized, the carbon begins to oxidize to carbonic oxide, which in turn burns to carbonic acid as it meets the outer air on escaping from the mouth of the converter, and generates a true flame which grows bright, then brilliant, then almost blinding, as it rushes and roars, then “drops,” i.e. shortens and suddenly grows quiet when the last of the carbon has burnt away, and no flame-forming substance remains. Thus may a 20-ton charge of cast iron be converted into steel in ten minutes.[4] It is by the appearance of the flame that the operator or “blower” knows when to end the process, judging by its brilliancy, colour, sound, sparks, smoke and other indications.
86. Recarburizing.—The process may be interrupted as soon as the carbon-content has fallen to that which the final product is to have, or it may be continued till nearly the whole of the carbon has been burned out, and then the needed carbon may be added by “recarburizing.” The former of these ways is followed by the very skilful and intelligent blowers in Sweden, who, with the temperature and all other conditions well under control, and with their minds set on the quality rather than on the quantity of their product, can thus make steel of any desired carbon-content from 0.10 to 1.25%. But even with all their skill and care, while the carbon-content is still high the indications of the flame are not so decisive as to justify them in omitting to test the steel before removing it from the converter, as a check on the accuracy of their blowing. The delay which this test causes is so unwelcome that in all other countries the blower continues the blow until decarburization is nearly complete, because of the very great accuracy with which he can then read the indications of the flame, an accuracy which leaves little to be desired. Then, without waiting to test the product, he “recarburizes” it, i.e. adds enough carbon to give it the content desired, and then immediately pours the steel into a great clay-lined casting ladle by turning the converter over, and through a nozzle in the bottom of this ladle pours the steel into its ingot moulds. In making very low-carbon steel this recarburizing proper is not needed; but in any event a considerable quantity of manganese must be added unless the pig iron initially contains much of that metal, in order to remove from the molten steel the oxygen which it has absorbed from the blast, lest this make it redshort. If the carbon-content is not to be raised materially, this manganese is added in the form of preheated lumps of “ferro-manganese,” which contains about 80% of manganese, 5% of carbon and 15% of iron, with a little silicon and other impurities. If, on the other hand, the carbon-content is to be raised, then carbon and manganese are usually added together in the form of a manganiferous molten pig iron, called spiegeleisen, i.e. “mirror-iron,” from the brilliancy of its facets, and usually containing somewhere about 12% of manganese and 4% of carbon, though the proportion between these two elements has to be adjusted so as to introduce the desired quantity of each into the molten steel. Part of the carbon of this spiegeleisen unites with the oxygen occluded in the molten iron to form carbonic oxide, and again a bright flame, greenish with manganese, escapes from the converter.
87. Darby’s Process.—Another way of introducing the carbon is Darby’s process of throwing large paper bags filled with anthracite, coke or gas-carbon into the casting ladle as the molten steel is pouring into it. The steel dissolves the carbon of this fuel even more quickly than water would dissolve salt under like conditions.
88. Bessemer and Mushet.—Bessemer had no very wide knowledge of metallurgy, and after overcoming many stupendous difficulties he was greatly embarrassed by the brittleness or “redshortness” of his steel, which he did not know how to cure. But two remedies were quickly offered, one by the skilful Swede, Göransson, who used a pig iron initially rich in manganese and stopped his blow before much oxygen had been taken up; and the other by a British steel maker, Robert Mushet, who proposed the use of the manganiferous cast iron called spiegeleisen, and thereby removed the only remaining serious obstacle to the rapid spread of the process.
From this many have claimed for Mushet a part almost or even quite equal to Bessemer’s in the development of the Bessemer process, even calling it the “Bessemer-Mushet process.” But this seems most unjust. Mushet had no such exclusive knowledge of the effects of manganese that he alone could have helped Bessemer; and even if nobody had then proposed the use of spiegeleisen, the development of the Swedish Bessemer practice would have gone on, and, the process thus established and its value and great economy thus shown in Sweden, it would have been only a question of time how soon somebody would have proposed the addition of manganese. Mushet’s aid was certainly valuable, but not more than Göransson’s, who, besides thus offering a preventive of redshortness, further helped the process on by raising its temperature by the simple expedient of further subdividing the blast, thus increasing the surface of contact between blast and metal, and thus in turn hastening the oxidation. The two great essential discoveries were first that the rapid passage of air through molten cast iron raised its temperature above the melting point of low-carbon steel, or as it was then called “malleable iron,” and second that this low-carbon steel, which Bessemer was the first to make in important quantities, was in fact an extraordinarily valuable substance when made under proper conditions.
89. Source of Heat.—The carbon of the pig iron, burning as it does only to carbonic oxide within the converter, does not by itself generate a temperature high enough for the needs of the process. The oxidation of manganese is capable of generating a very high temperature, but it has the very serious disadvantage of causing such thick clouds of smoky oxide of manganese as to hide the flame from the blower, and prevent him from recognizing the moment when the blow should be ended. Thus it comes about that the temperature is regulated primarily by adjusting the quantity of silicon in the pig iron treated, 114% of this element usually sufficing. If any individual blow proves to be too hot, it may be cooled by throwing cold “scrap” steel such as the waste ends of rails and other pieces, into the converter, or by injecting with the blast a little steam, which is decomposed by the iron by the endothermic reaction H2O + Fe = 2H + FeO. If the temperature is not high enough, it is raised by managing the blast in such a way as to oxidize some of the iron itself permanently, and thus to generate much heat.
90. The basic or dephosphorizing variety of the Bessemer process, called in Germany the “Thomas” process, differs from the acid process in four chief points: (1) that its slag is made very basic and hence dephosphorizing by adding much lime to it; (2) that the lining is basic, because an acid lining would quickly be destroyed by such a basic slag; (3) that the process is arrested not at the “drop of the flame” (§85) but at a predetermined length of time after it; and (4) that phosphorus instead of silicon is the chief source of heat. Let us consider these in turn.
91. The slag, in order that it may have such an excess of base that this will retain the phosphoric acid as fast as it is formed by the oxidation of the phosphorus of the pig iron, and prevent it from being re-deoxidized and re-absorbed by the iron, should, according to von Ehrenwerth’s rule which is generally followed, contain enough lime to form approximately a tetra-calcic silicate, 4CaO,SiO2 with the silica which results from the oxidation of the silicon of the pig iron and tri-calcic phosphate, 3CaO,P2O5, with the phosphoric acid which forms. The danger of this “rephosphorization” is greatest at the end of the blow, when the recarburizing additions are made. This lime is charged in the form of common quicklime, CaO, resulting from the calcination of a pure limestone, CaCO3, which should be as free as possible from silica. The usual composition of this slag is iron oxide, 10 to 16%; lime, 40 to 50%; magnesia, 5%; silica, 6 to 9%; phosphoric acid, 16 to 20%. Its phosphoric acid makes it so valuable as a fertilizer that it is a most important by-product. In order that the phosphoric acid may be the more fully liberated by the humic acid, &c., of the earth, a little silicious sand is mixed with the still molten slag after it has been poured off from the molten steel. The slag is used in agriculture with no further preparation, save very fine grinding.
92. The lining of the converter is made of 90% of the mixture of lime and magnesia which results from calcining dolomite, (Ca,Mg)CO3, at a very high temperature, and 10% of coal tar freed from its water by heating. This mixture may be rammed in place, or baked blocks of it may be laid up like a masonry wall. In either case such a lining is expensive, and has but a short life, in few works more than 200 charges, and in some only 100, though the silicious lining of the acid converter lasts thousands of charges. Hence, for the basic process, spare converters must be provided, so that there may always be some of them re-lining, either while standing in the same place as when in use, or, as in Holley’s arrangement, in a separate repair house, to which these gigantic vessels are removed bodily.
93. Control of the Basic Bessemer Process.—The removal of the greater part of the phosphorus takes place after the carbon has been oxidized and the flame has consequently “dropped,” probably because the lime, which is charged in solid lumps, is taken up by the slag so slowly that not until late in the operation does the slag become so basic as to be retentive of phosphoric acid. Hence in making steel rich in carbon it is not possible, as in the acid Bessemer process, to end the operation as soon as the carbon in the metal has fallen to the point sought, but it is necessary to remove practically all of the carbon, then the phosphorus, and then “recarburize,” i.e. add whatever carbon the steel is to contain. The quantity of phosphorus in the pig iron is usually known accurately, and the dephosphorization takes place so regularly that the quantity of air which it needs can be foretold closely. The blower therefore stops the process when he has blown a predetermined quantity of air through, counting from the drop of the flame; but as a check on his forecast he usually tests the blown metal before recarburizing it.
94. Source of Heat.—Silicon cannot here be used as the chief source of heat as it is in the acid Bessemer process, because most of the heat which its oxidation generates is consumed in heating the great quantities of lime needed for neutralizing the resultant silica. Fortunately the phosphorus, turned from a curse into a blessing, develops by its oxidation the needed temperature, though the fact that this requires at least 1.80% of phosphorus limits the use of the process, because there are few ores which can be made to yield so phosphoric a pig iron. Further objections to the presence of silicon are that the resultant silica (1) corrodes the lining of the converter, (2) makes the slag froth so that it both throws much of the charge out and blocks up the nose of the converter, and (3) leads to rephosphorization. These effects are so serious that until very lately it was thought that the silicon could not safely be much in excess of 1%. But Massenez and Richards, following the plan outlined by Pourcel in 1879, have found that even 3% of silicon is permissible if, by adding iron ore, the resultant silica is made into a fluid slag, and if this is removed in the early cool part of the process, when it attacks the lining of the converter but slightly. Manganese to the extent of 1.80% is desired as a means of preventing the resultant steel from being redshort, i.e. brittle at a red or forging heat. The pig iron should be as nearly free as possible from sulphur, because the removal of any large quantity of this injurious element in the process itself is both difficult and expensive.
95. The car casting system deserves description chiefly because it shows how, when the scale of operations is as enormous as it is in the Bessemer process, even a slight simplification and a slight heat-saving may be of great economic importance.
Whatever be the form into which the steel is to be rolled, it must in general first be poured from the Bessemer converter in which it is made into a large clay-lined ladle, and thence cast in vertical pyramidal ingots. To bring them to a temperature suitable for rolling, these ingots must be set in heating or soaking furnaces (§ 125), and this should be done as soon as possible after they are cast, both to lessen the loss of their initial heat, and to make way for the next succeeding lot of ingots, a matter of great importance, because the charges of steel follow each other at such very brief intervals. A pair of working converters has made 4958 charges of 10 tons each, or a total of 50,547 tons, in one month, or at an average rate of a charge every seven minutes and twenty-four seconds throughout every working day. It is this extraordinary rapidity that makes the process so economical and determines the way in which its details must be carried out. Moreover, since the mould acts as a covering to retard the loss of heat, it should not be removed from the ingot until just before the latter is to be placed in its soaking furnace. These conditions are fulfilled by the car casting system of F. W. Wood, of Sparrows Point, Md., in which the moulds, while receiving the steel, stand on a train of cars, which are immediately run to the side of the soaking furnace. Here, as soon as the ingots have so far solidified that they can be lifted without breaking, their moulds are removed and set on an adjoining train of cars, and the ingots are charged directly into the soaking furnace. The mould-train now carries its empty moulds to a cooling yard, and, as soon as they are cool enough to be used again, carries them back to the neighbourhood of the converters to receive a new lot of steel. In this system there is for each ingot and each mould only one handling in which it is moved as a separate unit, the mould from one train to the other, the ingot from its train into the furnace. In the other movements, all the moulds and ingots of a given charge of steel are grouped as a train, which is moved as a unit by a locomotive. The difficulty in the way of this system was that, in pouring the steel from ladle to mould, more or less of it occasionally spatters, and these spatterings, if they strike the rails or the running gear of the cars, obstruct and foul them, preventing the movement of the train, because the solidified steel is extremely tenacious. But this cannot be tolerated, because the economy of the process requires extreme promptness in each of its steps. On account of this difficulty the moulds formerly stood, not on cars, but directly on the floor of a casting pit while receiving the molten steel. When the ingots had so far solidified that they could be handled, the moulds were removed and set on the floor to cool, the ingots were set on a car and carried to the soaking furnace, and the moulds were then replaced in the casting pit. Here each mould and each ingot was handled as a separate unit twice, instead of only once as in the car casting system; the ingots radiated away great quantities of heat in passing naked from the converting mill to the soaking furnaces, and the heat which they and the moulds radiated while in the converting mill was not only wasted, but made this mill, open-doored as it was, so intolerably hot, that the cost of labour there was materially increased. Mr Wood met this difficulty by the simple device of so shaping the cars that they completely protect both their own running gear and the track from all possible spattering, a device which, simple as it is, has materially lessened the cost of the steel and greatly increased the production. How great the increase has been, from this and many other causes, is shown in Table III.
American Converters.
| Gross Tons per Week. | |
| 1870 | 254 |
| 1880 | 3,433 |
| 1889 | 8,549 |
| 1899 (average for a month) | 11,233 |
| 1903 | 15,704 |
Thus in thirty-three years the rate of production per pair of vessels increased more than sixty-fold. The production of European Bessemer works is very much less than that of American. Indeed, the whole German production of acid Bessemer steel in 1899 was at a rate but slightly greater than that here given for one pair of American converters; and three pairs, if this rate were continued, would make almost exactly as much steel as all the sixty-five active British Bessemer converters, acid and basic together, made in 1899.
96. Range in Size of Converters.—In the Bessemer process, and indeed in most high-temperature processes, to operate on a large scale has, in addition to the usual economies which it offers in other industries, a special one, arising from the fact that from a large hot furnace or hot mass in general a very much smaller proportion of its heat dissipates through radiation and like causes than from a smaller body, just as a thin red-hot wire cools in the air much faster than a thick bar equally hot. Hence the progressive increase which has occurred in the size of converters, until now some of them can treat a 20-ton charge, is not surprising. But, on the other hand, when only a relatively small quantity of a special kind of steel is needed, very much smaller charges, in some cases weighing even less than half a ton, have been treated with technical success.
97. The Bessemer Process for making Steel Castings.—This has been particularly true in the manufacture of steel castings, i.e. objects usually of more or less intricate shape, which are cast initially in the form in which they are to be used, instead of being forged or rolled to that form from steel cast originally in ingots. For making castings, especially those which are so thin and intricate that, in order that the molten steel may remain molten long enough to run into the thin parts of the mould, it must be heated initially very far above its melting-point, the Bessemer process has a very great advantage in that it can develop a much higher temperature than is attainable in either of its competitors, the crucible and the open-hearth processes. Indeed, no limit has yet been found to the temperature which can be reached, if matters are so arranged that not only the carbon and silicon of the pig iron, but also a considerable part of the metallic iron which is the iron itself, are oxidized by the blast; or if, as in the Walrand-Legenisel modification, after the combustion of the initial carbon and silicon of the pig iron has already raised the charge to a very high temperature, a still further rise of temperature is brought about by adding more silicon in the form of ferro-silicon, and oxidizing it by further blowing. But in the crucible and the open-hearth processes the temperature attainable is limited by the danger of melting the furnace itself, both because some essential parts of it, which, unfortunately, are of a destructible shape, are placed most unfavourably in that they are surrounded by the heat on all sides, and because the furnace is necessarily hotter than the steel made within it. But no part of the Bessemer converter is of a shape easily affected by the heat, no part of it is exposed to the heat on more than one side, and the converter itself is necessarily cooler than the metal within it, because the heat is generated within the metal itself by the combustion of its silicon and other calorific elements. In it the steel heats the converter, whereas in the open-hearth and crucible processes the furnace heats the steel.
98. The open-hearth process consists in making molten steel out of pig or cast iron and “scrap,” i.e. waste pieces of steel and iron melted together on the “open hearth,” i.e. the uncovered basin-like bottom of a reverberatory furnace, under conditions of which fig. 18 may give a general idea. The conversion of cast iron into steel, of course, consists in lessening its content of the several foreign elements, carbon, silicon, phosphorus, &c. The open-hearth process does this by two distinct steps: (1) by oxidizing and removing these elements by means of the flame of the furnace, usually aided by the oxygen of light charges of iron ore, and (2) by diluting them with scrap steel or its equivalent. The “pig and ore” or “Siemens” variety of the process works chiefly by oxidation, the “pig and scrap” or “Siemens-Martin” variety chiefly by dilution, sometimes indeed by extreme dilution, as when 10 parts of cast iron are diluted with 90 parts of scrap. Both varieties may be carried out in the basic and dephosphorizing way, i.e. in presence of a basic slag and in a basic- or neutral-lined furnace; or in the acid and undephosphorizing way, in presence of an acid, i.e. silicious slag, and in a furnace with a silicious lining.
![]() | |
| Fig. 18.—Open-Hearth Process. | |
|
Half Section showing condition of charge when boiling very gently. |
Half Section showing condition of charge when boiling violently during oreing. |
The charge may be melted down on the “open hearth” itself, or, as in the more advanced practice, the pig iron may be brought in the molten state from the blast furnace in which it is made. Then the furnaceman, controlling the decarburization and purification of the molten charge by his examination of test ingots taken from time to time, gradually oxidizes and so removes the foreign elements, and thus brings the metal simultaneously to approximately the composition needed and to a temperature far enough above its present melting-point to permit of its being cast into ingots or other castings. He then pours or taps the molten charge from the furnace into a large clay-lined casting ladle, giving it the final additions of manganese, usually with carbon and often with silicon, needed to give it exactly the desired composition. He then casts it into its final form through a nozzle in the bottom of the casting ladle, as in the Bessemer process.
The oxidation of the foreign elements must be very slow, lest the effervescence due to the escape of carbonic oxide from the carbon of the metal throw the charge out of the doors and ports of the furnace, which itself must be shallow in order to hold the flame down close to the charge. It is in large part because of this shallowness, which contrasts so strongly with the height and roominess of the Bessemer converter, that the process lasts hours where the Bessemer process lasts minutes, though there is the further difference that in the open-hearth process the transfer of heat from flame to charge through the intervening layer of slag is necessarily slow, whereas in the Bessemer process the heat, generated as it is in and by the metallic bath itself, raises the temperature very rapidly. The slowness of this rise of the temperature compels us to make the removal of the carbon slow for a very simple reason. That removal progressively raises the melting-point of the metal, after line Aa of Fig. 1, i.e. makes the charge more and more infusible; and this progressive rise of the melting-point of the charge must not be allowed to outrun the actual rise of temperature, or in other words the charge must always be kept molten, because once solidified it is very hard to remelt. Thus the necessary slowness of the heating up of the molten charge would compel us to make the removal of the carbon slow, even if this slowness were not already forced on us by the danger of having the charge froth so much as to run out of the furnace.
The general plan of the open-hearth process was certainly conceived by Josiah Marshall Heath in 1845, if not indeed by Réaumur in 1722, but for lack of a furnace in which a high enough temperature could be generated it could not be carried out until the development of the Siemens regenerative gas furnace about 1860. It was in large part through the efforts of Le Chatelier that this process, so long conceived, was at last, in 1864, put into actual use by the brothers Martin, of Sireuil in France.
99. Siemens Open-Hearth Furnace.—These furnaces are usually stationary, but in that shown in figs. 19 to 22 the working chamber or furnace body, G of fig. 22, rotates about its own axis, rolling on the rollers M shown in fig. 21. In this working chamber, a long quasi-cylindrical vessel of brickwork, heated by burning within it pre-heated gas with pre-heated air, the charge is melted and brought to the desired composition and temperature. The working chamber indeed is the furnace proper, in which the whole of the open-hearth process is carried out, and the function of all the rest of the apparatus, apart from the tilting mechanism, is simply to pre-heat the air and gas, and to lead them to the furnace proper and thence to the chimney. How this is done may be understood more easily if figs. 19 and 20 are regarded for a moment as forming a single diagrammatic figure instead of sections in different planes. The unbroken arrows show the direction of the incoming gas and air, the broken ones the direction of the escaping products of their combustion. The air and gas, the latter coming from the gas producers or other source, arrive through H and J respectively, and their path thence is determined by the position of the reversing valves K and K′. In the position shown in solid lines, these valves deflect the air and gas into the left-hand pair of “regenerators” or spacious heat-transferring chambers. In these, bricks in great numbers are piled loosely, in such a way that, while they leave ample passage for the gas and air, yet they offer to them a very great extent of surface, and therefore readily transfer to them the heat which they have as readily sucked out of the escaping products of combustion in the last preceding phase. The gas and air thus separately pre-heated to about 1100° C. (2012° F.) rise thence as two separate streams through the uptakes (fig. 22), and first mix at the moment of entering the working chamber through the ports L and L′ (fig. 19). As they are so hot at starting, their combustion of course yields a very much higher temperature than if they had been cold before burning, and they form an enormous flame, which fills the great working chamber. The products of combustion are sucked by the pull of the chimney through the farther or right-hand end of this chamber, out through the exit ports, as shown by the dotted arrows, down through the right-hand pair of regenerators, heating to perhaps 1300° C. the upper part of the loosely-piled masses of brickwork within them, and thence past the valves K and K′ to the chimney-flue O. During this phase the incoming gas and air have been withdrawing heat from the left-hand regenerators, which have thus been cooling down, while the escaping products of combustion have been depositing heat in the right-hand pair of regenerators, which have thus been heating up. After some thirty minutes this condition of things is reversed by turning the valves K and K′ 90° into the positions shown in dotted lines, when they deflect the incoming gas and air into the right-hand regenerators, so that they may absorb in passing the heat which has just been stored there; thence they pass up through the right-hand uptakes and ports into the working chamber, where as before they mix, burn and heat the charge. Thence they are sucked out by the chimney-draught through the left-hand ports, down through the uptakes and regenerators, here again meeting and heating the loose mass of “regenerator” brickwork, and finally escape by the chimney-flue O. After another thirty minutes the current is again reversed to its initial direction, and so on. These regenerators are the essence of the Siemens or “regenerative furnace”; they are heat-traps, catching and storing by their enormous surface of brickwork the heat of the escaping products of combustion, and in the following phase restoring the heat to the entering air and gas. At any given moment one pair of regenerators is storing heat, while the other is restoring it.
| Fig. 19.—Section on EF through Furnace and Port Ends. |
![]() |
| Fig. 20.—Plan through Regenerators, Flues and Reversing Valves. |
![]() |
| Fig. 21.—Section on CD through Body of Furnace. |
![]() | |||
| Fig. 22.—Section on AB through Uptake, Slag Pocket
and Regenerator. | |||
| Figs. 19 to 22.—Diagrammatic Sections of Tilting Siemens Furnace. | |||
| G, | Furnace body. | M, | Rollers on which the furnace tilts. |
| H, | Air supply. | N, | Hydraulic cylinder for tilting the furnace. |
| J, | Gas supply. | O, | Flue leading to chimney. |
| K, | Air reversing valve. | P, | Slag pockets. |
| K′, | Gas reversing valve. | R, | Charging boxes. |
| L, | Air port. | W, | Water-cooled joints between furnace |
| L′, | Gas port. | proper, G, and ports L, L′. | |
The tilting working chamber is connected with the stationary ports L and L′ by means of the loose water-cooled joint W in Campbell’s system, which is here shown. The furnace, resting on the rollers M, is tilted by the hydraulic cylinder N. The slag-pockets P (fig. 22), below the uptakes, are provided to catch the dust carried out of the furnace proper by the escaping products of combustion, lest it enter and choke the regenerators. Wellman’s tilting furnace rolls on a fixed rack instead of on rollers. By his charging system a charge of as much as fifty tons is quickly introduced. The metal is packed by unskilled labourers in iron boxes, R (fig. 21), standing on cars in the stock-yard. A locomotive carries a train of these cars to the track running beside a long line of open-hearth furnaces. Here the charging machine lifts one box at a time from its car, pushes it through the momentarily opened furnace door, and empties the metal upon the hearth of the furnace by inverting the box, which it then replaces on its car.
100. The proportion of pig to scrap used depends chiefly on the relative cost of these two materials, but sometimes in part also on the carbon content which the resultant steel is to have. Thus part at least of the carbon which a high-carbon steel is to contain may be supplied by the pig iron from which it is made. The length of the process increases with the proportion of pig used. Thus in the Westphalian pig and scrap practice, scrap usually forms 75 or even 80% of the charge, and pig only from 20 to 25%, indeed only enough to supply the carbon inevitably burnt out in melting the charge and heating it up to a proper casting temperature; and here the charge lasts only about 6 hours. In some British and Swedish “pig and ore” practice (§ 98), on the other hand, little or no scrap is used, and here the removal of the large quantity of carbon, silicon and phosphorus prolongs the process to 17 hours. The common practice in the United States is to use about equal parts of pig and scrap, and here the usual length of a charge is about ll12 hours. The pig and ore process is held back, first by the large quantity of carbon, and usually of silicon and phosphorus, to be removed, and second by the necessary slowness of their removal. The gangue of the ore increases the quantity of slag, which separates the metal from the source of its heat, the flame, and thus delays the rise of temperature; and the purification by “oreing,” i.e. by means of the oxygen of the large lumps of cold iron ore thrown in by hand, is extremely slow, because the ore must be fed in very slowly lest it chill the metal both directly and because the reaction by which it removes the carbon of the metal, Fe2O3 + C = 2FeO + CO, itself absorbs heat. Indeed, this local cooling aggravates the frothing. A cold lump of ore chills the slag immediately around it, just where its oxygen, reacting on the carbon of the metal, generates carbonic oxide; the slag becomes cool, viscous, and hence easily made to froth, just where the froth-causing gas is evolved.
The length of these varieties of the process just given refers to the basic procedure. The acid process goes on much faster, because in it the heat insulating layer of slag is much thinner. For instance it lasts only about 812 hours when equal parts of pig and scrap are used, instead of the 1112 hours of the basic process. Thus the actual cost of conversion by the acid process is materially less than by the basic, but this difference is more than outweighed in most places by the greater cost of pig and scrap free enough from phosphorus to be used in the undephosphorizing acid process.
101. Three special varieties of the open-hearth process, the Bertrand-Thiel, the Talbot and the Monell, deserve notice. Bertrand and Thiel oxidize the carbon of molten cast iron by pouring it into a bath of molten iron which has first been oxygenated, i.e. charged with oxygen, and superheated, in an open-hearth furnace. The two metallic masses coalesce, and the reaction between the oxygen of one and the carbon of the other is therefore extremely rapid because it occurs throughout their depth, whereas in common procedure oxidation occurs only at the upper surface of the bath of cast iron at its contact with the overlying slag. Moreover, since local cooling, with its consequent viscosity and tendency to froth, are avoided, the frothing is not excessive in spite of the rapidity of the reaction. The oxygenated metal is prepared by melting cast iron diluted with as much scrap steel as is available, and oxidizing it with the flame and with iron ore as it lies in a thin molten layer on the hearth of a large open-hearth furnace; the thinness of the layer hastens the oxidation, and the large size of the furnace permits considerable frothing. But the oxygenated metal might be prepared easily in a Bessemer converter.
To enlarge the scale of operations makes strongly for economy in the open-hearth process as in other high temperature ones. Yet the use of an open-hearth furnace of very great capacity, say of 200 tons per charge, has the disadvantage that such very large lots of steel, delivered at relatively long intervals, are less readily managed in the subsequent operations of soaking and rolling down to the final shape, than smaller lots delivered at shorter intervals. To meet this difficulty Mr B. Talbot carries on the process as a quasi-continuous instead of an intermittent one, operating on 100–ton or 200–ton lots of cast iron in such a way as to draw off his steel in 20–ton lots at relatively short intervals, charging a fresh 20-ton lot of cast iron to replace each lot of steel thus drawn off, and thus keeping the furnace full of metal from Monday morning till Saturday night. Besides minor advantages, this plan has the merit of avoiding an ineffective period which occurs in common open-hearth procedure just after the charge of cast iron has been melted down. At this time the slag is temporarily rich in iron oxide and silica, resulting from the oxidation of the iron and of its silicon as the charge slowly melts and trickles down. Such a slag not only corrodes the furnace lining, but also impedes dephosphorization, because it is irretentive of phosphorus. Further, the relatively low temperature impedes decarburization. Clearly, no such period can exist in the continuous process.
At a relatively low temperature, say 1300° C., the phosphorus of cast iron oxidizes and is removed much faster than its carbon, while at a higher temperature, say 1500° C., carbon oxidizes in preference to phosphorus. It is well to remove this latter element early, so that when the carbon shall have fallen to the proportion which the steel is to contain, the steel shall already be free from phosphorus, and so ready to cast. In common open-hearth procedure, although the temperature is low early in the process, viz. at the end of the melting down, dephosphorization is then impeded by the temporary acidity of the slag, as just explained. At the Carnegie works Mr Monell gets the two dephosphorizing conditions, low temperature and basicity of slag, early in the process, by pouring his molten but relatively cool cast iron upon a layer of pre-heated lime and iron oxide on the bottom of the open-hearth furnace. The lime and iron oxide melt, and, in passing up through the overlying metal, the iron oxide very rapidly oxidizes its phosphorus and thus drags it into the slag as phosphoric acid. The ebullition from the formation of carbonic oxide puffs up the resultant phosphoric slag enough to make most of it run out of the furnace, thus both removing the phosphorus permanently from danger of being later deoxidized and returned to the steel, and partly freeing the bath of metal from the heat-insulating blanket of slag. Yet frothing is not excessive, because the slag is not, as in common practice, locally chilled and made viscous by cold lumps of ore.
102. In the duplex process the conversion of the cast iron into steel is begun in the Bessemer converter and finished in the open-hearth furnace. In the most promising form of this process an acid converter and a basic open-hearth furnace are used. In the former the silicon and part of the carbon are moved rapidly, in the latter the rest of the carbon and the phosphorus are removed slowly, and the metal is brought accurately to the proper temperature and composition. The advantage of this combination is that, by simplifying the conditions with which the composition of the pig iron has to comply, it makes the management of the blast furnace easier, and thus lessens the danger of making “misfit” pig iron, i.e. that which, because it is not accurately suited to the process for which it is intended, offers us the dilemma of using it in that process at poor advantage or of putting it to some other use, a step which often implies serious loss.
For the acid Bessemer process the sulphur-content must be small and the silicon-content should be constant; for the basic open-hearth process the content of both silicon and sulphur should be small, a thing difficult to bring about, because in the blast furnace most of the conditions which make for small sulphur-content make also for large silicon-content. In the acid Bessemer process the reason why the sulphur-content must be small is that the process removes no sulphur; and the reason why the silicon-content should be constant is that, because silicon is here the chief source of heat, variations in its content cause corresponding variations in the temperature, a most harmful thing because it is essential to the good quality of the steel that it shall be finished and cast at the proper temperature. It is true that the use of the “mixer” (§ 77) lessens these variations, and that there are convenient ways of mitigating their effects. Nevertheless, their harm is not completely done away with. But if the conversion is only begun in the converter and finished on the open-hearth, then there is no need of regulating the temperature in the converter closely, and variations in the silicon-content of the pig iron thus become almost harmless in this respect. In the basic open-hearth process, on the other hand, silicon is harmful because the silica which results from its oxidation not only corrodes the lining of the furnace but interferes with the removal of the phosphorus, an essential part of the process. The sulphur-content should be small, because the removal of this element is both slow and difficult. But if the silicon of the pig iron is removed by a preliminary treatment in the Bessemer converter, then its presence in the pig iron is harmless as regards the open-hearth process. Hence the blast furnace process, thus freed from the hampering need of controlling accurately the silicon-content, can be much more effectively guided so as to prevent the sulphur from entering the pig iron.
Looking at the duplex process in another way, the preliminary desilicidizing in the Bessemer converter should certainly be an advantage; but whether it is more profitable to give this treatment in the converter than in the mixer remains to be seen.
103. In the cementation process bars of wrought iron about 12 in. thick are carburized and so converted into high carbon “blister steel,” by heating them in contact with charcoal in a closed chamber to about 1000° C. (1832° F.) for from 8 to 11 days. Low-carbon steel might thus be converted into high-carbon steel, but this is not customary. The carbon dissolves in the hot but distinctly solid γ-iron (compare fig. 1) as salt dissolves in water, and works its way towards the centre of the bar by diffusion. When the mass is cooled, the carbon changes over into the condition of cementite as usual, partly interstratified with ferrite in the form of pearlite, partly in the form of envelopes enclosing kernels of this pearlite (see Alloys, Pl. fig. 13). Where the carbon, in thus diffusing inwards, meets particles of the slag, a basic ferrous silicate which is always present in wrought iron, it forms carbonic oxide, FeO+C = Fe+CO, which puffs the pliant metal up and forms blisters. Hence the name “blister steel.” It was formerly sheared to short lengths and formed into piles, which were then rolled out, perhaps to be resheared and rerolled into bars, known as “single shear” or “double shear” steel according to the number of shearings. But now the chief use for blister steel is for remelting in the crucible process, yielding a product which is asserted so positively, so universally and by such competent witnesses to be not only better but very much better than that made from any other material, that we must believe that it is so, though no clear reason can yet be given why it should be. For long all the best high-carbon steel was made by remelting this blister steel in crucibles (§ 106), but in the last few years the electric processes have begun to make this steel (§ 108).
104. Case Hardening.—The many steel objects which need an extremely hard outer surface but a softer and more malleable interior may be carburized superficially by heating them in contact with charcoal or other carbonaceous matter, for instance for between 5 and 48 hours at a temperature of 800° to 900° C. This is known as “case hardening.” After this carburizing these objects are usually hardened by quenching in cold water (see § 28).
105. Deep Carburizing; Harvey and Krupp Processes.—Much of the heavy side armour of war-vessels (see Armour-Plate) is made of nickel steel initially containing so little carbon that it cannot be hardened, i.e. that it remains very ductile even after sudden cooling. The impact face of these plates is given the intense hardness needed by being converted into high-carbon steel, and then hardened by sudden cooling. The impact face is thus carburized to a depth of about 114 in. by being held at a temperature of 1100° for about a week, pressed strongly against a bed of charcoal (Harvey process). The plate is then by Krupp’s process heated so that its impact face is above while its rear is below the hardening temperature, and the whole is then cooled suddenly with sprays of cold water. Under these conditions the hardness, which is very extreme at the impact face, shades off toward the back, till at about quarter way from face to back all hardening ceases, and the rest of the plate is in a very strong, shock-resisting state. Thanks to the glass-hardness of this face, the projectile is arrested so abruptly that it is shattered, and its energy is delivered piecemeal by its fragments; but as the face is integrally united with the unhardened, ductile and slightly yielding interior and back, the plate, even if it is locally bent backwards somewhat by the blow, neither cracks nor flakes.
106. The crucible process consists essentially in melting one or another variety of iron or steel in small 80-℔. charges in closed crucibles, and then casting it into ingots or other castings, though in addition the metal while melting may be carburized. Its chief, indeed almost its sole use, is for making tool steel, the best kinds of spring steel and other very excellent kinds of high-carbon and alloy steel. After the charge has been fully melted, it is held in the molten state from 30 to 60 minutes. This enables it to take up enough silicon from the walls of the crucible to prevent the evolution of gas during solidification, and the consequent formation of blowholes or internal gas bubbles. In Great Britain the charge usually consists of blister steel, and is therefore high in carbon, so that the crucible process has very little to do except to melt the charge. In the United States the charge usually consists chiefly of wrought iron, and in melting in the crucible it is carburized by mixing with it either charcoal or “washed metal,” a very pure cast iron made by the Bell-Krupp process (§ 107).
Compared with the Bessemer process, which converts a charge of even as much as 20 tons of pig iron into steel in a few minutes, and the open-hearth process which easily treats charges of 75 tons, the crucible process is, of course, a most expensive one, with its little 80-℔ charges, melted with great consumption of fuel because the heat is kept away from the metal by the walls of the crucible, themselves excellent heat insulators. But it survives simply because crucible steel is very much better than either Bessemer or open-hearth steel. This in turn is in part because of the greater care which can be used in making these small lots, but probably in chief part because the crucible process excludes the atmospheric nitrogen, which injures the metal, and because it gives a good opportunity for the suspended slag and iron oxide to rise to the surface. Till Huntsman developed the crucible process in 1740, the only kinds of steel of commercial importance were blister steel made by carburizing wrought iron without fusion, and others which like it were greatly injured by the presence of particles of slag. Huntsman showed that the mere act of freeing these slag-bearing steels from their slag by melting them in closed crucibles greatly improved them. It is true that Réaumur in 1722 described his method of making molten steel in crucibles, and that the Hindus have for centuries done this on a small scale, though they let the molten steel resolidify in the crucible. Nevertheless, it is to Huntsman that the world is immediately indebted for the crucible process. He could make only high-carbon steel, because he could not develop within his closed crucibles the temperature needed for melting low-carbon steel. The crucible process remained the only one by which slagless steel could be made, till Bessemer, by his astonishing invention, discovered at once low-carbon steel and a process for making both it and high-carbon steel extremely cheaply.
107. In the Bell-Krupp or “pig-washing” process, invented independently by the famous British iron-master, Sir Lowthian Bell, and Krupp of Essen, advantage is taken of the fact that, at a relatively low temperature, probably a little above 1200° C., the phosphorus and silicon of molten cast iron are quickly oxidized and removed by contact with molten iron oxide, though carbon is thus oxidized but slowly. By rapidly stirring molten iron oxide into molten pig iron in a furnace shaped like a saucer, slightly inclined and turning around its axis, at a temperature but little above the melting-point of the metal itself, the phosphorus and silicon are removed rapidly, without removing much of the carbon, and by this means an extremely pure cast iron is made. This is used in the crucible process as a convenient source of the carbon needed for high-carbon steel.
![]() |
| Fig. 23.—Heroult Double-arc Electric Steel Purifying Furnace. |
108. Electric steel-making processes, or more accurately processes in which electrically heated furnaces are used, have developed very rapidly. In steel-making, electric furnaces are used for two distinct purposes, first for making steel sufficiently better than Bessemer and open-hearth steels to replace these for certain important purposes, and second for replacing the very expensive crucible process for making the very best steel. The advantages of the electric furnaces for these purposes can best be understood after examining the furnaces themselves and the way in which they are used. The most important ones are either “arc” furnaces, i.e. those heated by electric arcs, or “induction” ones, i.e. those in which the metal under treatment is heated by its own resistance to a current of electricity induced in it from without. The Heroult furnace, the best known in the arc class, and the Kjellin and Roechling-Rodenhauser furnaces, the best known of the induction class, will serve as examples.
The Heroult furnace (fig. 23) is practically a large closed crucible, ABCA, with two carbon electrodes, E and F, “in series” with the bath, H, of molten steel. A pair of electric arcs play between these electrodes and the molten steel, passing through the layer of slag, G, and generating much heat. The lining of the crucible may be of either magnesite (MgO) or chromite (FeO·Cr2O3). The whole furnace, electrodes and all, rotates about the line KL for the purpose of pouring out the molten slag and purified metal through the spout J at the end of the process. This spout and the charging doors A, A are kept closed except when in actual use for pouring or charging.
![]() |
| Fig. 24.—Kjellin Induction Electric Steel Melting Furnace. |
The Kjellin furnace consists essentially of an annular trough, AA (fig. 24), which contains the molten charge. This charge is heated, like the filaments of a common household electric lamp, by the resistance which it offers to the passage of a current of electricity induced in it by means of the core C and the frame EEE. The ends of this core are connected above, below and at the right of the trough A, by means of that frame, so that the trough and this core and frame stand to each other in a position like that of two successive links of a common oval-linked chain. A current of great electromotive force (intensity or voltage) passed through the coil D, induces, by means of the core and frame, a current of enormous quantity (volume or amperage), but very small electromotive force, in the metal in the trough. Thus the apparatus is analogous to the common transformers used for inducing from currents of great electromotive force and small quantity, which carry energy through long distances, currents of great quantity and small electromotive force for incandescent lights and for welding. The molten metal in the Kjellin trough forms the “secondary” circuit. Like the Heroult furnace, the Kjellin furnace may be lined with either magnesite or chromite, and it may be tilted for the purpose of pouring off slag and metal.
The shape which the molten metal under treatment has in the Kjellin furnace, a thin ring of large diameter, is evidently bad, inconvenient for manipulation and with excessive heat-radiating surface. In the Roechling-Rodenhauser induction furnace (fig. 25), the molten metal lies chiefly in a large compact mass A, heated at three places on its periphery by the current induced in it there by means of the three coils and cores CCC. The molten metal also extends round each of these three coils, in the narrow channels B. It is in the metal in these channels and in that part of the main mass of metal which immediately adjoins the coils that the current is induced by means of the coils and cores, as in the Kjellin furnace.

Fig. 25.—Plan of Roechling-Rodenhauser Induction Electric Furnace.
When the Heroult furnace is used for completing the purification of molten steel begun in the Bessemer or open-hearth process, and this is its most appropriate use, the process carried out in it may be divided into two stages, first dephosphorization, and second deoxidation and desulphurization.
In the first stage the phosphorus is removed from the molten steel by oxidizing it to phosphoric acid, P2O5, by means of iron oxide contained in a molten slag very rich in lime, and hence very basic and retentive of that phosphoric acid. This slag is formed by melting lime and iron oxide, with a little silica sand if need be. Floating on top of the molten metal, it rapidly oxidizes its phosphorus, and the resultant phosphoric acid combines with the lime in the overlying slag as phosphate of lime. When the removal of the phosphorus is sufficiently complete, this slag is withdrawn from the furnace.
Next comes the deoxidizing and desulphurizing stage, of which the first step is to throw some strongly deoxidizing substance, such as coke or ferro-silicon, upon the molten metal, in order to remove thus the chief part of the oxygen which it has taken up during the oxidation of the phosphorus in the preceding stage. Next the metal is covered with a very basic slag, made by melting lime with a little silica and fluor spar. Coke now charged into this slag first deoxidizes any iron oxide contained in either slag or metal, and next deoxidizes part of the lime of the slag and thus forms calcium, which, uniting with the sulphur present in the molten metal, forms calcium sulphide, CaO + FeS + C = CaS + Fe + CO. This sulphide is nearly insoluble in the metal, but is readily soluble in the overlying basic slag, into which it therefore passes. The thorough removal of the sulphur is thus brought about by the deoxidation of the calcium. It is by forming calcium sulphide that sulphur is removed in the manufacture of pig iron in the iron blast furnace, in the crucible of which, as in the electric furnaces, the conditions are strongly deoxidizing. But in the Bessemer and open-hearth processes this means of removing sulphur cannot be used, because in each of them there is always enough oxygen in the atmosphere to re-oxidize any calcium as fast as it is deoxidized. Here sulphur may indeed be removed to a very important degree in the form of manganese sulphide, which distributes itself between metal and slag in rough accord with the laws of equilibrium. But if we rely on this means we have difficulty in reducing the sulphur content of the metal to 0.03% and very great difficulty in reducing it to 0.02%, whereas with the calcium sulphide of the electric furnaces we can readily reduce it to less than 0.01%.
When the desulphurization is sufficiently complete, the sulphur-bearing slag is removed, the final additions needed to give the metal exactly the composition aimed at are made, and the molten steel is tapped out of the furnace into its moulds. If the initial quantity of phosphorus or sulphur is large, or if the removal of these impurities is to be made very thorough, the dephosphorizing or the desulphurizing slagging off may be repeated. While the metal lies tranquilly on the bottom of the furnace, any slag mechanically suspended in it has a chance to rise to the surface and unite with the slag layer above.
In addition to this work of purification, the furnace may be used for melting down the initial charge of cold metal, and for beginning the purification—in short not only for finishing but also for roughing. But this is rarely expedient, because electricity is so expensive that it should be used for doing only those things which cannot be accomplished by any other and cheaper means. The melting can be done much more cheaply in a cupola or open-hearth furnace, and the first part of the purification much more cheaply in a Bessemer converter or open-hearth furnace.
The normal use of the Kjellin induction furnace is to do the work usually done in the crucible process, i.e. to melt down very pure iron for the manufacture of the best kinds of steel, such as fine tool and spring steel, and to bring the molten metal simultaneously to the exact composition and temperature at which it should be cast into its moulds. This furnace may be used also for purifying the molten metal, but it is not so well suited as the arc furnaces for dephosphorizing. The reason for this is that in it the slag, by means of which all the purification must needs be done, is not heated effectively; that hence it is not readily made thoroughly liquid; that hence the removal of the phosphoric slag made in the early dephosphorizing stage of the process is liable to be incomplete; and that hence, finally, the phosphorus of any of this slag which is left in the furnace becomes deoxidized during the second or deoxidizing stage, and is thereby returned to befoul the underlying steel. The reason why the slag is not heated effectively is that the heat is developed only in the layer of metal itself, by its resistance to the induced current, and hence the only heat which the slag receives is that supplied to its lower surface by the metal, while its upper side is constantly radiating heat away towards the relatively cool roof above.
The Roechling-Rodenhauser furnace is unfitted, by the vulnerability of its interior walls, for receiving charges of cold metal to be melted down, but it is used to good advantage for purifying molten basic Bessemer steel sufficiently to fit it for use in the form of railway rails.
We are now in a position to understand why electricity should be used as a source of heat in making molten steel. Electric furnaces are at an advantage over others as regards the removal of sulphur and of iron oxide from the molten steel, because their atmosphere is free from the sulphur always present in the flame of coal-fired furnaces, and almost free from oxygen, because this element is quickly absorbed by the carbon and silicon of the steel, and in the case of arc furnaces by the carbon of the electrodes themselves, and is replaced only very slowly by leakage, whereas through the Bessemer converter and the open-hearth furnace a torrent of air is always rushing. As we have seen, the removal of sulphur can be made complete only by deoxidizing calcium, and this cannot be done if much oxygen is present. Indeed, the freedom of the atmosphere of the electric furnaces from oxygen is also the reason indirectly why the molten metal can be freed from mechanically suspended slag more perfectly in them than in the Bessemer converter or the open-hearth furnace. In order that this finely divided slag shall rise to the surface and there coalesce with the overlying layer, the metal must be tranquil. But tranquillity is clearly impossible in the Bessemer converter, in which the metal can be kept hot only by being torn into a spray by the blast. It is practically unattainable in the open-hearth furnace, because here the oxygen of the furnace atmosphere indirectly oxidizes the carbon of the metal which is kept boiling by the escape of the resultant carbonic oxide. In short the electric furnaces can be used to improve the molten product of the Bessemer converter and open-hearth furnace, essentially because their atmosphere is free from sulphur and oxygen, and because they can therefore remove sulphur, iron oxide and mechanically suspended slag, more thoroughly than is possible in these older furnaces. They make a better though a dearer steel.
Further, the electric furnaces, e.g. the Kjellin, can be used to replace the crucible melting process (§ 106), chiefly because their work is cheaper for two reasons. First, they treat a larger charge, a ton or more, whereas the charge of each crucible is only about 80 pounds. Second, their heat is applied far more economically, directly to the metal itself, whereas in the crucible process the heat is applied most wastefully to the outside of the non-conducting walls of a closed crucible within which the charge to be heated lies. Beyond this sulphur and phosphorus can be removed in the electric furnace, whereas in the crucible process they cannot. In short electric furnaces replace the old crucible furnace primarily because they work more cheaply, though in addition they may be made to yield a better steel than it can.
Thus we see that the purification in these electric furnaces has nothing to do with electricity. We still use the old familiar purifying agents, iron oxide, lime and nascent calcium. The electricity is solely a source of heat, free from the faults of the older sources which for certain purposes it now replaces. The electric furnaces are likely to displace the crucible furnaces completely, because they work both more cheaply and better. They are not likely to displace either the open-hearth furnace or the Bessemer converter, because their normal work is only to improve the product of these older furnaces. Here their use is likely to be limited by its costliness, because for the great majority of purposes the superiority of the electrically purified steel is not worth the cost of the electric purification.
109. Electric Ore-smelting Processes.—Though the electric processes which have been proposed for extracting the iron from iron ore, with the purpose of displacing the iron blast furnace, have not become important enough to deserve description here, yet it should be possible to devise one which would be useful in a place (if there is one) which has an abundance of water power and iron ore and a local demand for iron, but has not coke, charcoal or bituminous coal suitable for the blast furnace. But this ancient furnace does its fourfold work of deoxidizing, melting, removing the gangue and desulphurizing, so very economically that it is not likely to be driven out in other places until the exhaustion of our coal-fields shall have gone so far as to increase the cost of coke greatly.
110. Comparison of Steel-making Processes.—When Bessemer discovered that by simply blowing air through molten cast iron rapidly he could make low-carbon steel, which is essentially wrought iron greatly improved by being freed from its essential defect, its necessarily weakening and embrittling slag, the very expensive and exhausting puddling process seemed doomed, unable to survive the time when men should have familiarized themselves with the use of Bessemer steel, and should have developed the evident possibilities of cheapness of the Bessemer process. Nevertheless the use of wrought iron actually continued to increase. The first of the United States decennial censuses to show a decrease in the production of wrought iron was that in 1890, 35 years after the invention of the Bessemer process. It is still in great demand for certain normal purposes for which either great ease in welding or resistance to corrosion by rusting is of great importance; for purposes requiring special forms of extreme ductility which are not so confidently expected in steel; for miscellaneous needs of many users, some ignorant, some very conservative; and for remelting in the crucible process. All the best cutlery and tool steel is made either by the crucible process or in electric furnaces, and indeed all for which any considerable excellence is claimed is supposed to be so made, though often incorrectly. But the great mass of the steel of commerce is made by the Bessemer and the open-hearth processes. Open-hearth steel is generally thought to be better than Bessemer, and the acid variety of each of these two processes is thought to yield a better product than the basic variety. This may not necessarily be true, but the acid variety lends itself more readily to excellence than the basic. A very large proportion of ores cannot be made to yield cast iron either free enough from phosphorus for the acid Bessemer or the acid open-hearth process, neither of which removes that most injurious element, or rich enough in phosphorus for the basic Bessemer process, which must rely on that element as its source of heat. But cast iron for the basic open-hearth process can be made from almost any ore, because its requirements, comparative freedom from silicon and sulphur, depend on the management of the blast-furnace rather than on the composition of the ore, whereas the phosphorus-content of the cast iron depends solely on that of the ore, because nearly all the phosphorus of the ore necessarily passes into the cast iron. Thus the basic open-hearth process is the only one which can make steel from cast iron containing more than 0.10% but less than 1.80% of phosphorus.
The restriction of the basic Bessemer process to pig iron containing at least 1.80% of phosphorus has prevented it from getting a foothold in the United States; the restriction of the acid Bessemer process to pig iron very low in phosphorus, usually to that containing less than 0.10% of that element, has almost driven it out of Germany, has of late retarded, indeed almost stopped, the growth of its use in the United States, and has even caused it to be displaced at the great Duquesne works of the Carnegie Steel Company by the omnivorous basic open-hearth process, the use of which has increased very rapidly. Under most conditions the acid Bessemer process is the cheapest in cost of conversion, the basic Bessemer next, and the acid open-hearth next, though the difference between them is not great. But the crucible process is very much more expensive than any of the others.
Until very lately the Bessemer process, in either its acid or its basic form, made all of the world’s rail steel; but even for this work it has now begun to be displaced by the basic open-hearth process, partly because of the fast-increasing scarcity of ores which yield pig iron low enough in phosphorus for the acid Bessemer process, and partly because the increase in the speed of trains and in the loads on the individual engine- and car-wheels has made a demand for rails of a material better than Bessemer steel.
111. Iron founding, i.e. the manufacture of castings of cast iron, consists essentially in pouring the molten cast iron into moulds, and, as preparatory steps, melting the cast iron itself and preparing the moulds. These are usually made of sand containing enough clay to give it the needed coherence, but of late promising attempts have been made to use permanent iron moulds. In a very few places the molten cast iron as it issues from the blast furnace is cast directly in these moulds, but in general it is allowed to solidify in pigs, and then remelted either in cupola furnaces or in air furnaces. The cupola furnace (fig. 26) is a shaft much like a miniature blast furnace, filled from top to bottom by a column of lumps of coke and of iron. The blast of air forced in through the tuyeres near the bottom of the furnace burns the coke there, and the intense heat thus caused melts away the surrounding iron, so that this column of coke and iron gradually descends; but it is kept at its full height by feeding more coke and iron at its top, until all the iron needed for the day’s work has thus been charged. As the iron melts it runs out through a tap hole and spout at the bottom of the furnace, to be poured into the moulds by means of clay-lined ladles. The air furnace is a reverberatory furnace like that used for puddling (fig. 14), but larger, and in it the pigs of iron, lying on the bottom or hearth, are melted down by the flame from the coal which burns in the firebox. The iron is then held molten till it has grown hot enough for casting and till enough of its carbon has been burnt away to leave just the carbon-content desired, and it is then tapped out and poured into the moulds.
![]() |
| Fig. 26.—Cupola Furnace for Remelting Pig Iron. |
Of the two the cupola is very much the more economical of fuel, thanks to the direct transfer of heat from the burning coke to the pig iron with which it is in contact. But this contact both causes the iron to absorb sulphur from the coke to its great harm, and prevents it from having any large part of its carbon burnt away, which in many cases would improve it very greatly by strengthening it. Thus it comes about that the cupola, because it is so economical, is used for all but the relatively few cases in which the strengthening of the iron by the removal of part of its carbon and the prevention of the absorption of sulphur are so important as to compensate for the greater cost of the air-furnace melting.
112. Cast iron for foundry purposes, i.e. for making castings of cast iron. Though, as we have seen in § 19, steel is rarely given a carbon-content greater than 1.50% lest its brittleness should be excessive, yet cast iron with between 3 and 4% of carbon, the usual cast iron of the foundry, is very useful. Because of the ease and cheapness with which, thanks to its fluidity and fusibility (fig. 1), it can be melted and run even into narrow and intricate moulds, castings made of it are very often more economical, i.e. they serve a given purpose more cheaply, in the long run, than either rolled or cast steel, in spite of their need of being so massive that the brittleness of the material itself shall be endurable. Indeed this high carbon-content, 3 to 4%, in practice actually leads to less brittleness than can readily be had with somewhat less carbon, because with it much of the carbon can easily be thrown into the relatively harmless state of graphite, whereas if the carbon amounts to less than 3% it can be brought to this state only with difficulty. For crushing certain kinds of rock, the hardness of which cast iron is capable really makes it more valuable, pound for pound, than steel.
113. Qualities needed in Cast Iron Castings.—Different kinds of castings need very different sets of qualities, and the composition of the cast iron itself must vary from case to case so as to give each the qualities needed. The iron for a statuette must first of all be very fluid, so that it will run into every crevice in its mould, and it must expand in solidifying, so that it shall reproduce accurately every detail of that mould. The iron for most engineering purposes needs chiefly to be strong and not excessively brittle. That for the thin-walled water mains must combine strength with the fluidity needed to enable it to run freely into its narrow moulds; that for most machinery must be soft enough to be cut easily to an exact shape; that for hydraulic cylinders must combine strength with density lest the water leak through; and that for car-wheels must be intensely hard in its wearing parts, but in its other parts it must have that shock-resisting power which can be had only along with great softness. Though all true cast iron is brittle, in the sense that it is not usefully malleable, i.e. that it cannot be hammered from one shape into another, yet its degree of brittleness differs as that of soapstone does from that of glass, so that there are the intensely hard and brittle cast irons, and the less brittle ones, softer and unhurt by a shock which would shiver the former.
Of these several qualities which cast iron may have, fluidity is given by keeping the sulphur-content low and phosphorus-content high; and this latter element must be kept low if shock is to be resisted; but strength, hardness, endurance of shock, density and expansion in solidifying are controlled essentially by the distribution of the carbon between the states of graphite and cementite, and this in turn is controlled chiefly by the proportion of silicon, manganese and sulphur present, and in many cases by the rate of cooling.
114. Constitution of Cast Iron.—Cast iron naturally has a high carbon-content, usually between 3 and 4%, because while molten it absorbs carbon greedily from the coke with which it is in contact in the iron blast furnace in which it is made, and in the cupola furnace in which it is remelted for making most castings. This carbon may all be present as graphite, as in typical grey cast iron; or all present as cementite, Fe3C, as in typical white cast iron; or, as is far more usual, part of it may be present as graphite and part as cementite. Now how does it come about that the distribution of the carbon between these very unlike states determines the strength, hardness and many other valuable properties of the metal as a whole? The answer to this is made easy by a careful study of the effect of this same distribution on the constitution of the metal, because it is through controlling this constitution that the condition of the carbon controls these useful properties. To fix our ideas let us assume that the iron contains 4% of carbon. If this carbon is all present as graphite, so that in cooling the graphite-austenite diagram has been followed strictly (§ 26), the constitution is extremely simple; clearly the mass consists first of a metallic matrix, the carbonless iron itself with whatever silicon, manganese, phosphorus and sulphur happen to be present, in short an impure ferrite, encased in which as a wholly distinct foreign body is the graphite. The primary graphite (§ 26) generally forms a coarse, nearly continuous skeleton of curved black plates, like those shown in fig. 27; the eutectic graphite is much finer; while the pro-eutectoid and eutectoid graphite, if they exist, are probably in very fine particles. We must grasp clearly this conception of metallic matrix and encased graphite skeleton if we are to understand this subject.

Fig. 27.—Graphite in Grey Cast Iron.
Now this matrix itself is equivalent to a very low-carbon steel, strictly speaking to a carbonless steel, because it consists of pure ferrite, which is just what such a steel consists of; and the cast iron as a whole is therefore equivalent to a matrix of very low-carbon steel in which is encased a skeleton of graphite plates, besides some very fine scattered particles of graphite.
Next let us imagine that, in a series of cast irons all containing 4% of carbon, the graphite of the initial skeleton changes gradually into cementite and thereby becomes part of the matrix, a change which of course has two aspects, first, a gradual thinning of the graphite skeleton and a decrease of its continuity, and second, a gradual introduction of cementite into the originally pure ferrite matrix. By the time that 0.4% of graphite has thus changed, and in changing has united with 0.4 × 14 = 5.6% of the iron of the original ferrite matrix, it will have changed this matrix from pure ferrite into a mixture of
| Cementite | 0.4 + 5.6 = 6.0 |
| Ferrite | 96.0 − 5.6 = 90.4 |
| —— | |
| 96.4 | |
| The residual graphite skeleton forms | 4 − 0.4 = 3.6 |
| —— | |
| 100.0 |
But this matrix is itself equivalent to a steel of about 040% of carbon (more accurately 0.40 × 100 ÷ 96.4 = 0.415%), a rail steel, because it is of just such a mixture of ferrite and cementite in the ratio of 90.4 : 6 or 94% and 6%, that such a rail steel consists. The mass as a whole, then, consists of 96.4 parts of metallic matrix, which itself is in effect a 0.415% carbon rail steel, weakened and embrittled by having its continuity broken up by this skeleton of graphite forming 3.6% of the whole mass by weight, or say 12% by volume.
As, in succeeding members of this same series of cast irons, more of the graphite of the initial skeleton changes into cementite and thereby becomes part of the metallic matrix, so the graphite skeleton becomes progressively thinner and more discontinuous, and the matrix richer in cementite and hence in carbon and hence equivalent first to higher and higher carbon steel, such as tool steel of 1% carbon, file steel of 1.50%, wire-die steel of 2% carbon and then to white cast iron, which consists essentially of much cementite with little ferrite. Eventually, when the whole of the graphite of the skeleton has changed into cementite, the mass as a whole becomes typical or ultra white cast iron, consisting of nothing but ferrite and cementite, distributed as follows (see fig. 2):—
| Eutectoid ferrite | 40.0 |
| Eutectoid cementite | 6.7 |
| —— | |
| Eutectoid Interstratified as pearlite | 46.7 |
| Cementite, primary, eutectoid and pro-eutectoid | 53.3 |
| —— | |
| 100.0 | |
| Total ferrite | 40.0 |
| Total cementite | 60.0 |
| —— | |
| 100.0 |

Fig. 28.—Physical Properties and assumed Microscopic Constitution of Cast Iron containing 4% of
carbon, as affected by the distribution of that carbon between the combined and graphitic states.
The constitution and properties of such a series of cast irons, all containing 4% of carbon but with that carbon shifting progressively from the state of graphite to that of cementite as we pass from specimen to specimen, may, with the foregoing picture of a skeleton-holding matrix clearly in our minds be traced by means of fig. 28. The change from graphite into cementite is supposed to take place as we pass from left to right. BC and OH give the proportion of ferrite and cementite respectively in the matrix, DEF, KS and TU reproduced from fig. 3 give the consequent properties of the matrix, and GAF, RS and VU give, partly from conjecture, the properties of the cast iron as a whole. Above the diagram are given the names of the different classes of cast iron to which different stages in the change from graphite to cementite correspond, and above these the names of kinds of steel or cast iron, to which at the corresponding stages the constitution of the matrix corresponds, while below the diagram are given the properties of the cast iron as a whole corresponding to these stages, and still lower the purposes for which these stages fit the cast iron, first because of its strength and shock-resisting power, and second because of its hardness.
115. Influence of the Constitution of Cast Iron on its Properties.—How should the hardness, strength and ductility, or rather shock-resisting power, of the cast iron be affected by this progressive change from graphite into cementite? First, the hardness (VU) should increase progressively as the soft ferrite and graphite are replaced by the glass-hard cementite. Second, though the brittleness should be lessened somewhat by the decrease in the extent to which the continuity of the strong matrix is broken up by the graphite skeleton, yet this effect is outweighed greatly by that of the rapid substitution in the matrix of the brittle cementite for the very ductile copper-like ferrite, so that the brittleness increases continuously (RS), from that of the very grey graphitic cast irons, which, like that of soapstone, is so slight that the metal can endure severe shock and even indentation without breaking, to that of the pure white cast iron which is about as brittle as porcelain. Here let us recognize that what gives this transfer of carbon from graphite skeleton to metallic matrix such very great influence on the properties of the metal is the fact that the transfer of each 1% of carbon means substituting in the matrix no less than 15% of the brittle, glass-hard cementite for the soft, very ductile ferrite. Third, the tensile strength of steel proper, of which the matrix consists, as we have already seen (fig. 3), increases with the carbon-content till this reaches about 1.25%, and then in turn decreases (fig. 28, DEF). Hence, as with the progressive transfer of the carbon from the graphitic to the cementite state in our imaginary series of cast irons, the combined carbon present in the matrix increases, so does the tensile strength of the mass as a whole for two reasons; first, because the strength of the matrix itself is increasing (DE), and second, because the discontinuity is decreasing with the decreasing proportion of graphite. With further transfer of the carbon from the graphitic to the combined state, the matrix itself grows weaker (EF); but this weakening is offset in a measure by the continuing decrease of discontinuity due to the decreasing proportion of graphite. The resultant of these two effects has not yet been well established; but it is probable that the strongest cast iron has a little more than 1% of carbon combined as cementite, so that its matrix is nearly equivalent to the strongest of the steels. As regards both tensile strength and ductility not only the quantity but the distribution of the graphite is of great importance. Thus it is extremely probable that the primary graphite, which forms large sheets, is much more weakening and embrittling than the eutectic and other forms, and therefore that, if either strength or ductility is sought, the metal should be free from primary graphite, i.e. that it should not be hyper-eutectic.
The presence of graphite has two further and very natural effects. First, if the skeleton which it forms is continuous, then its planes of junction with the metallic matrix offer a path of low resistance to the passage of liquids or gases, or in short they make the metal so porous as to unfit it for objects like the cylinders of hydraulic presses, which ought to be gas-tight and water-tight. For such purposes the graphite-content should be low. Second, the very genesis of so bulky a substance as the primary and eutectic graphite while the metal is solidifying (fig. 5) causes a sudden and permanent expansion, which forces the metal into even the finest crevices in its mould, a fact which is taken advantage of in making ornamental castings and others which need great sharpness of detail, by making them rich in graphite.
To sum this up, as graphite is replaced by carbon combined as cementite, the hardness, brittleness and density increase, and the expansion in solidification decreases, in both cases continuously, while the tensile strength increases till the combined carbon-content rises a little above 1%, and then in turn decreases. That strength is good and brittleness bad goes without saying; but here a word is needed about hardness. The expense of cutting castings accurately to shape, cutting on them screw threads and what not, called “machining” in trade parlance, is often a very large part of their total cost; and it increases rapidly with the hardness of the metal. On the other hand, the extreme hardness of nearly graphiteless cast iron is of great value for objects of which the chief duty is to resist abrasion, such as parts of crushing machinery. Hence objects which need much machining are made rich in graphite, so that they may be cut easily, and those of the latter class rich in cementite so that they may not wear out.
116. Means of controlling the Constitution of Cast Iron.—The distribution of the carbon between these two states, so as to give the cast iron the properties needed, is brought about chiefly by adjusting the silicon-content, because the presence of this element favours the formation of graphite. Beyond this, rapid cooling and the presence of sulphur both oppose the formation of graphite, and hence in cast iron rich in sulphur, and in thin and therefore rapidly cooling castings, the silicon-content must be greater than in thick ones and in those freer from sulphur. Thus thick machinery castings usually contain between 1.50 and 2.25% of silicon, whereas thin castings and ornamental ones which must reproduce the finest details of the mould accurately may have as much as 3 or even 3.40% of it. Castings which, like hydraulic press cylinders and steam radiators, must be dense and hence must have but little graphite lest their contents leak through their walls, should not have more than 1.75% of silicon and may have even as little as 1% if impenetrability is so important that softness and consequent ease of machining must be sacrificed to it. Cast iron railroad car-wheels, the tread or rim of which must be intensely hard so as to endure the grinding action of the brakeshoe while their central parts must have good shock-resisting power, are given such moderate silicon-content, preferably between 0.50 and 0.80%, as in and by itself leaves the tendencies toward graphite-forming and toward cementite-forming nearly in balance, so that they are easily controlled by the rate of cooling. The “tread” or circumferential part of the mould itself is made of iron, because this, by conducting the heat away from the casting rapidly, makes it cool quickly, and thus causes most of the carbon here to form cementite, and thus in turn makes the tread of the wheel intensely hard; while those parts of the mould which come in contact with the central parts of the wheel are made of sand, which conducts the heat away from the molten metal so slowly that it solidifies slowly, with the result that most of its carbon forms graphite, and here the metal is soft and shock-resisting.
117. Influence of Sulphur.—Sulphur has the specific harmful effects of shifting the carbon from the state of graphite to that of cementite, and thus of making the metal hard and brittle; of making it thick and sluggish when molten, so that it does not run freely in the moulds; and of making it red short, i.e. brittle at a red heat, so that it is very liable to be torn by the aeolotachic contraction in cooling from the molten state; and it has no good effects to offset these. Hence the sulphur present is, except in certain rare cases, simply that which the metallurgist has been unable to remove. The sulphur-content should not exceed 0.12%, and it is better that it should not exceed 0.08 % in castings which have to be soft enough to be machined, nor 0.05% in thin castings the metal for which must be very fluid.
118. Influence of Manganese.—Manganese in many cases, but not in all, opposes the formation of graphite and thus hardens the iron, and it lessens the red shortness (§ 40), which sulphur causes, by leading to the formation of the less harmful manganese sulphide instead of the more harmful iron sulphide. Hence the manganese-content needed increases with the sulphur-content which has to be endured. In the better classes of castings it is usually between 0.40 and 0.70%, and in chilled railroad car-wheels it may well be between 0.15 and 0.30%; but skilful founders, confronted with the task of making use of cast iron rich in manganese, have succeeded in making good grey iron castings with even as much as 2.20% of this element.
119. Influence of Phosphorus.—Phosphorus has, along with its great merit of giving fluidity, the grave defect of causing brittleness, especially under shock. Fortunately its embrittling effect on cast iron is very much less than on steel, so that the upper limit or greatest tolerable proportion of phosphorus, instead of being 0.10 or better 0.08% as in the case of rail steel, may be put at 0.50% in case of machinery castings even if they are exposed to moderate shocks; at 1.60% for gas and water mains in spite of the gravity of the disasters which extreme brittleness here might cause; and even higher for castings which are not exposed to shock, and are so thin that the iron of which they are made must needs be very fluid. The permissible phosphorus-content is lessened by the presence of either much sulphur or much manganese, and by rapid cooling, as for instance in case of thin castings, because each of these three things, by leading to the formation of the brittle cementite, in itself creates brittleness which aggravates that caused by phosphorus.
120. Defects in Steel Ingots.—Steel ingots and other steel castings are subject to three kinds of defects so serious as to deserve notice here. They are known as “piping,” “blowholes” and “segregation.”
![]() |
| Fig. 29.—Diagram showing how a Pipe is formed. |
A, Superficial |
121. Piping.—In an early period of the solidification of a molten steel ingot cast in a cold iron mould we may distinguish three parts: (1) the outer layers, i.e. the outermost of the now solid metal; (2) the inner layers, i.e. the remainder of the solid metal; and (3) the molten lake, i.e. the part which still is molten. At this instant the outer layers, because of their contact with the cold mould, are cooling much faster than the inner ones, and hence tend to contract faster. But this excess of their contraction is resisted by the almost incompressible inner layers so that the outer layers are prevented from contracting as much as they naturally would if unopposed, and they are thereby virtually stretched. Later on the cooling of the inner layers becomes more rapid than that of the outer ones, and on this account their contraction tends to become greater than that of the outer ones. Because the outer and inner layers are integrally united, this excess of contraction of the inner layers makes them draw outward towards and against the outer layers, and because of their thus drawing outward the molten lake within no longer suffices to fill completely the central space, so that its upper surface begins to sink. This ebb continues, and, combined with the progressive narrowing of the molten lake as more and more of it solidifies and joins the shore layers, gives rise to the pipe, a cavity like an inverted pear, as shown at C in fig. 29. Because this pipe is due to the difference in the rates of contraction of interior and exterior, it may be lessened by retarding the cooling of the mass as a whole, and it may be prevented from stretching down deep by retarding the solidification of the upper part of the ingot, as, for instance, by preheating the top of the mould, or by covering the ingot with a mass of burning fuel or of molten slag. This keeps the upper part of the mass molten, so that it continues to flow down and feed the pipe during the early part of its formation in the lower and quicker-cooling part of the ingot. In making castings of steel this same difficulty arises; and much of the steel-founder’s skill consists either in preventing these pipes, or in so placing them that they shall not occur in the finished casting, or at least not in a harmful position. In making armour-plates from steel ingots, as much as 40% of the metal may be rejected as unsound from this cause. An ingot should always stand upright while solidifying, so that the unsound region due to the pipe may readily be cut off, leaving the rest of the ingot solid. If the ingot lay on its side while solidifying, the pipe would occur as shown in fig. 30, and nearly the whole of the ingot would be unsound.
122. Blowholes.—Iron, like water and many other substances, has a higher solvent power for gases, such as hydrogen and nitrogen, when molten, i.e. liquid, than when frozen, i.e. solid. Hence in the act of solidifying it expels any excess of gas which it has dissolved while liquid, and this gas becomes entangled in the freezing mass, causing gas bubbles or blowholes, as at A and B in fig. 29. Because the volume of the pipe represents the excess of the contraction of the inner walls and the molten lake jointly over that of the outer walls, between the time when the lake begins to ebb and the time when even the axial metal is too firm to be drawn further open by this contraction, the space occupied by blowholes must, by compensating for part of this excess, lessen the size of the pipe, so that the more abundant and larger the blowholes are, the smaller will the pipe be. The interior surface of a blowhole which lies near the outer crust of the ingot, as at A in fig. 29, is liable to become oxidized by the diffusion of the atmospheric oxygen, in which case it can hardly be completely welded later, since welding implies actual contact of metal with metal; it thus forms a permanent flaw. But deep-seated blowholes like those at B are relatively harmless in low-carbon easily welding steel, because the subsequent operation of forging or rolling usually obliterates them by welding their sides firmly together.

Fig. 30.—Diagram showing a Pipe so formed as to render Ingot unsound.
Blowholes may be lessened or even wholly prevented by adding to the molten metal shortly before it solidifies either silicon or aluminium, or both; even as little as 0.002% of aluminium is usually sufficient. These additions seem to act in part by deoxidizing the minute quantity of iron oxide and carbonic oxide present, in part by increasing the solvent power of the metal for gas, so that even after freezing it can retain in solution the gas which it had dissolved when molten. But, because preventing blowholes increases the volume of the pipe, it is often better to allow them to form, but to control their position, so that they shall be deep-seated. This is done chiefly by casting the steel at a relatively low temperature, and by limiting the quantity of manganese and silicon which it contains. Brinell finds that, for certain normal conditions, if the sum of the percentage of manganese plus 5.2 times that of the silicon equals 1.66, there will be no blowholes; if this sum is less, blowholes will occur, and will be injuriously near the surface unless this sum is reduced to 0.28. He thus finds that this sum should be either as great as 1.66, so that blowholes shall be absent; or as low as 0.28, so that they shall be harmlessly deep-seated. These numbers must be varied with the variations in other conditions, such as casting temperature, rapidity of solidification, &c.
123. Segregation.—The solidification of an ingot of steel takes place gradually from without inwards, and each layer in solidifying tends to expel into the still molten interior the impurities which it contains, especially the carbon, phosphorus, and sulphur, which by this process are in part concentrated or segregated in the last-freezing part of the ingot. This is in general around the lower part of the pipe, so that here is a second motive for rejecting the piped part of the ingot. While segregation injures the metal here, often fatally, by giving it an indeterminate excess of phosphorus and sulphur, it clearly purifies the remainder of the ingot, and on this account it ought, under certain conditions, to be promoted rather than restrained. The following is an extreme case:—
| Carbon. | Silicon. | Manganese. | Phosphorus. | Sulphur. | |
| Composition of the initial metal per cent | 0.24 | 0.336 | 0.97 | 0.089 | 0.074 |
| Composition of the segregate | 1.27 | 0.41 | 1.08 | 0.753 | 0.418 |
The surprising fact that the degree of segregation does not increase greatly either with the slowness of solidification or with the size of the ingot, at least between the limits of 5 in. sq. and 16 in. sq., has been explained by the theory that the relative quiet due to the gentleness of the convection currents in a slowly cooling mass favours the formation of far outshooting pine-tree crystals, and that the tangled branches of these crystals landlock much of the littoral molten mother metal, and thus mechanically impede that centreward diffusion and convection of the impurities which is the essence of segregation.
124. Castings and Forgings.—There are two distinct ways of making the steel objects actually used in the arts, such as rails, gear wheels, guns, beams, &c., out of the molten steel made by the Bessemer, open hearth, or crucible process, or in an electric furnace. The first is by “steel founding,” i.e. casting the steel as a “steel casting” in a mould which has the exact shape of the object to be made, e.g. a gear wheel, and letting it solidify there. The second is by casting it into a large rough block called an “ingot,” and rolling or hammering this out into the desired shape. Though the former certainly seems the simpler way, yet its technical difficulties are so great that it is in fact much the more expensive, and therefore it is in general used only in making objects of a shape hard to give by forging or rolling. These technical difficulties are due chiefly to the very high melting point of the metal, nearly 1500° C (2732° F.), and to the consequent great contraction which it undergoes in cooling through the long range between this temperature and that of the room. The cooling of the thinner, the outer, and in general the more exposed parts of the casting outruns that of the thicker and less exposed parts, with the consequence that, at any given instant, the different parts are contracting at very different rates, i.e. aeolotachically; and this aeolotachic contraction is very likely to concentrate severe stress on the slowest cooling parts at the time when they are passing from the molten to the solid state, when the steel is mushy, with neither the fluidity of a liquid nor the strength and ductility of a solid, and thus to tear it apart. Aeolotachic contraction further leads to the “pipes” or contraction cavities already described in § 121, and the procedure must be carefully planned first so as to reduce these to a minimum, and second so as to induce them to form either in those parts of the casting which are going to be cut off and re-melted, or where they will do little harm. These and kindred difficulties make each new shape or size a new problem, and in particular they require that for each and every individual casting a new sand or clay mould shall be made with care by a skilled workman. If a thousand like gears are to be cast, a thousand moulds must be made up, at least to an important extent by hand, for even machine moulding leaves something for careful manipulation by the moulder. It is a detail, one is tempted to say a retail, manufacture.
In strong contrast with this is the procedure in making rolled products such as rails and plates. The steel is cast in lots, weighing in some cases as much as 75 tons, in enduring cast iron moulds into very large ingots, which with their initial heat are immediately rolled down by a series of powerful roll trains into their final shape with but slight wear and tear of the moulds and the machinery. But in addition to the greater cost of steel founding as compared with rolling there are two facts which limit the use of steel castings: (1) they are not so good as rolled products, because the kneading which the metal undergoes in rolling improves its quality, and closes up its cavities; and (2) it would be extremely difficult and in most cases impracticable to cast the metal directly into any of the forms in which the great bulk of the steel of commerce is needed, such as rails, plates, beams, angles, rods, bars, and wire, because the metal would become so cool as to solidify before running far in such thin sections, and because even the short pieces which could thus be made would pucker or warp on account of their aeolotachic contraction.
125. Heating Furnaces are used in iron manufacture chiefly for bringing masses of steel or wrought iron to a temperature proper for rolling or forging. In order to economize power in these operations, the metal should in general be as soft and hence as hot as is consistent with its reaching a low temperature before the rolling or forging is finished, because, as explained in § 32, undisturbed cooling from a high temperature injures the metal. Many of the furnaces used for this heating are in a general way like the puddling furnace shown in fig. 14, except that they are heated by gas, that the hearth or bottom of the chamber in which they are heated is nearly flat, and that it is usually very much larger than that of a puddling furnace. But in addition there are many special kinds of furnaces arranged to meet the needs of each case. Of these two will be shown here, the Gjers soaking pit for steel ingots, and the Eckman or continuous furnace, as modified by C. H. Morgan for heating billets.
![]() |
| Fig. 31.—Section of Gjers Soaking Pit. |
126. Gjers Soaking Pit.—When the outer crust of a large ingot in which a lot of molten steel has been cast has so far cooled that it can be moved without breaking, the temperature of the interior is still far above that suitable for rolling or hammering—so far above that the surplus heat of the interior would more than suffice to reheat the now cool crust to the rolling temperature, if we could only arrest or even greatly retard the further escape of heat from that crust. Bringing such an ingot, then, to the rolling temperature is not really an operation of heating, because its average temperature is already above the rolling temperature, but one of equalizing the temperature, by allowing the internal excess of heat to “soak” through the mass. Gjers did this by setting the partly-solidified ingot in a well-closed “pit” of brickwork, preheated by the excess heat of previous lots of ingots. The arrangement, shown in fig. 31, has three advantages—(1) that the temperature is adjusted with absolutely no consumption of fuel; (2) that the waste of iron due to the oxidation of the outer crust of the ingot is very slight, because the little atmospheric oxygen initially in the pit is not renewed, whereas in a common heating furnace the flame brings a constant fresh supply of oxygen; and (3) that the ingot remains upright during solidification, so that its pipe is concentrated at one end and is thus removable. (See § 121.) In this form the system is rather inflexible, for if the supply of ingots is delayed the pits grow unduly cool, so that the next ensuing lot of ingots either is not heated hot enough or is delayed too long in soaking. This defect is usually remedied by heating the pits by the Siemens regenerative system (see § 99); the greater flexibility thus gained outweighs the cost of the fuel used and the increased loss of iron by oxidation by the Siemens gas flame.
127. Continuous Heating Furnace.—The Gjers system is not applicable to small ingots or “billets,”[5] because they lack the inner surplus heat of large ingots; indeed, they are now allowed to cool completely. To heat these on the intermittent plan for further rolling, i.e. to charge a lot of them as a whole in a heating furnace, bring them as a whole to rolling temperature, and then withdraw them as a whole for rolling, is very wasteful of heat, because it is only in the first part of the heating that the outside of the ingots is cool enough to abstract thoroughly the heat from the flame. During all the latter part of the heating, when the temperature of the ingot has approached that of the flame, only an ever smaller and smaller part of the heat of that flame can be absorbed by the ingots. Hence in the intermittent system most of the heat generated within the furnace escapes from it with the products of combustion. The continuous heating system (fig. 32) recovers this heat by bringing the flame into contact with successively cooler and cooler billets, A-F, and finally with quite cold ones, of consequently great heat-absorbing capacity.
![]() | |||
| Fig. 32.—Diagram of C. H. Morgan’s Continuous Heating Furnace for 2-inch billets 30 ft. long. | |||
| A, | Hottest billet ready for rolling. | H, | The incoming air preheated by G and by the pipes N and |
| B, | Exit door. | brought from above G to between N by a flue not shown. | |
| C, | Pusher, for forcing billets forward. | J, | The incoming gas. |
| D, | Water-cooled pipe on which billets are pushed forward. | L, | The flame. |
| E, | Magnesite bricks on which the hot billets slide forward. | M, | The escaping products of combustion. |
| F, | The billet last entered. | N, | Pipes through which the products of combustion pass. |
| G, | The suspended roof. | ||
As soon as a hot billet A is withdrawn by pushing it endwise out of the exit door B, the whole row is pushed forward by a set of mechanical pushers C, the billets sliding on the raised water-cooled pipes D, and, in the hotter part of the furnace, on the magnesite bricks E, on which iron slides easily when red-hot. A new cold billet is then charged at the upper end of the hearth, and the new cycle begins by pushing out through B a second billet, and so forth. To lessen the loss in shape of “crop ends,” and for general economy, these billets are in some cases 30 ft. long, as in the furnace shown in fig. 32. It is to make it wide enough to receive such long billets that its roof is suspended, as here shown, by two sets of iron tie-rods. As the foremost end of the billet emerges from the furnace it enters the first of a series of roll-trains, and passes immediately thence to others, so that before half of the billet has emerged from the furnace its front end has already been reduced by rolling to its final shape, that of merchant-bars, which are relatively thin, round or square rods, in lengths of 300 ft.
![]() |
| Fig. 33.—Wire undergoing Reduction in the Die. |
![]() |
| Fig. 34.—Two-high Rolling Mill. |
In the intermittent system the waste heat can, it is true, be utilized either for raising steam (but inefficiently and inconveniently, because of the intermittency), or by a regenerative method like the Siemens, fig. 19; but this would probably recover less heat than the continuous system, first, because it transfers the heat from flame to metal indirectly instead of directly; and, second, because the brickwork of the Siemens system is probably a poorer heat-catcher than the iron billets of the continuous system, because its disadvantages of low conductivity and low specific heat probably outweigh its advantages of roughness and porosity.
128. Rolling, Forging, and Drawing.—The three chief processes for shaping iron and steel, rolling, forging (i.e. hammering, pressing or stamping) and drawing, all really proceed by squeezing the metal into the desired shape. In forging, whether under a hammer or under a press, the action is evidently a squeeze, however skilfully guided. In drawing, the pull of the pincers (fig. 33) upon the protruding end, F, of the rod, transmitted to the still undrawn part, E, squeezes the yielding metal of the rod against the hard unyielding die, C. As when a half-opened umbrella is thrust ferrule-foremost between the balusters of a staircase, so when the rod is drawn forward, its yielding metal is folded and forced backwards and centrewards by the resistance of the unyielding die, and thus it is reduced in diameter and simultaneously lengthened proportionally, without material change of volume or density.
129. Methods of Rolling.—Of rolling much the same is true. The rolling mill in its simplest form is a pair of cylindrical rollers, BB (figs. 34 and 35) turning about their axes in opposite directions as shown by the arrows, and supported at their ends in strong frames called “housings,” CC (fig. 35). The skin of the object, D, which is undergoing rolling, technically called “the piece,” is drawn forward powerfully by the friction of the revolving rolls, and especially of that part of their surface which at any given instant is moving horizontally (HH in fig. 34), much as, the rod is drawn through the die in fig. 33, while the vertical component of the motion of the rear part JJ of the rolls forces the plastic metal of that part of “the piece” with which they are in contact backwards and centrewards, reducing its area and simultaneously lengthening it proportionally, here again as in drawing through a die. The rolls thus both draw the piece forward like the pincers of a wire die, and themselves are a die which like a river ever renews or rather maintains its fixed shape and position, though its particles themselves are moving constantly forward with “the piece” which is passing between them.
![]() |
| Fig. 35.—Two-high Rolling Mill. |
![]() |
| Fig. 36.—Three-high Rolling Mill. |
After the piece has been reduced in thickness by its first passage or “pass” between the rolls, it may be given a second reduction and then a third and so on, either by bringing the two rolls nearer together, as in case of the plain rolls BB at the left in fig. 35, or by passing the piece through an aperture, F′, smaller than the first F, as in case of the grooved rolls, AA, shown at the right, or by both means jointly. If, as sketched in fig. 34, the direction in which each of the rolls turns is constant, then after the piece has passed once through the rolls to the right, it cannot undergo a second pass till it has been brought back to its initial position at the left. But bringing it back wastes power and, still worse, time, heat, and metal, because the yellow- or even white-hot piece is rapidly cooling down and oxidizing. In order to prevent this waste the direction in which the rolls move may be reversed, so that the piece may be reduced a second time in passing to the left, in which case the rolls are usually driven by a pair of reversing engines; or the rolls may be “three high,” as shown in fig. 36, with the upper and the lower roll moving constantly to the right and the middle roll constantly to the left, so that the piece first passes to the right between the middle and lower rolls, and then to the left between the middle and upper rolls. The advantage of the “reversing” system is that it avoids lifting the piece from below to above the middle roll, and again lowering it, which is rather difficult because the white-hot piece cannot be guided directly by hand, but must be moved by means of hooks, tongs, or even complex mechanism. The advantage of the three-high mill is that, because each of its moving parts is always moving in the same direction, it may be driven by a relatively small and hence cheap engine, the power delivered by which between the passes is taken up by a powerful fly-wheel, to be given up to the rolls during the next pass. (See also Rolling Mill.)
130. Advantages and Applicability of Rolling.—Rolling uses very much less power than drawing, because the friction against the fixed die in the latter process is very great. For much the same reason rolling proceeds much faster than drawing, and on both these accounts it is incomparably the cheaper of the two. It is also very much cheaper than forging, in large part because it works so quickly. The piece travels through the rolls very rapidly, so that the reduction takes place over its whole length in a very few seconds, whereas in forging, whether under hammer or press, after one part of the piece has been compressed the piece must next be raised, moved forward, and placed so that the hammer or press may compress the next part of its length. This moving is expensive, because it has to be done, or at least guided, by hand, and it takes up much time, during which both heat and iron are wasting. Thus it comes about that rolling is so very much cheaper than either forging or drawing that these latter processes are used only when rolling is impracticable. The conditions under which it is impracticable are (1) when the piece has either an extremely large or an extremely small cross section, and (2) when its cross section varies materially in different parts of its length. The number of great shafts for marine engines, reaching a diameter of 2218 in. in the case of the “Lusitania,” is so small that it would be wasteful to instal for their manufacture the great and costly rolling mill needed to reduce them from the gigantic ingots from which they must be made, with its succession of decreasing passes, and its mechanism for rotating the piece between passes and for transferring it from pass to pass. Great armour plates can indeed be made by rolling, because in making such flat plates the ingot is simply rolled back and forth between a pair of plain cylindrical rolls, like BB of fig. 35, instead of being transferred from one grooved pass to another and smaller one. Moreover, a single pair of rolls suffices for armour plates of any width or thickness, whereas if shafts of different diameters were to be rolled, a special final groove would be needed for each different diameter, and, as there is room for only a few large grooves in a single set of rolls, this would imply not only providing but installing a separate set of rolls for almost every diameter of shaft. Finally the quantity of armour plate needed is so enormous that it justifies the expense of installing a great rolling mill. Krupp’s armour-plate mill, with rolls 4 ft. in diameter and 12 ft. long, can roll an ingot 4 ft. thick.
Pieces of very small cross section, like wire, are more conveniently made by drawing through a die than by rolling, essentially because a single draft reduces the cross section of a wire much more than a single pass between rolls can. This in turn is because the direct pull of the pincers on the protruding end of the wire is much stronger than the forward-drawing pull due to the friction of the cold rolls on the wire, which is necessarily cold because of its small section.
Pieces which vary materially in cross section from point to point in their length cannot well be made by rolling, because the cross section of the piece as it emerges from the rolls is necessarily that of the aperture between the rolls from which it is emerging, and this aperture is naturally of constant size because the rolls are cylindrical. Of course, by making the rolls eccentric, and by varying the depth and shape of the different parts of a given groove cut in their surface, the cross section of the piece made in this groove may vary somewhat from point to point. But this and other methods of varying the cross section have been used but little, and they do not seem capable of wide application.
The fact that rolling is so much cheaper than forging has led engineers to design their pieces so that they can be made by rolling, i.e. to make them straight and of uniform cross section. It is for this reason, for instance, that railroad rails are of constant uniform section throughout their length, instead of having those parts of their length which come between the supporting ties deeper and stronger than the parts which rest on the ties. When, as in the case of eye bars, it is imperative that one part should differ materially in section from the rest, this part may be locally thickened or thinned, or a special part may here be welded on. When we come to pieces of very irregular shape, such as crank-shafts, anchors, trunnions, &c., we must resort to forging, except for purposes for which unforged castings are good enough.
![]() |
| Fig. 37.—Steam Hammer. |
A, Round bar to be hammered. |
131. Forging proceeds by beating or squeezing the piece under treatment from its initial into its final shape, as for instance by hammering a square ingot or bloom first on one corner and then on another until it is reduced to a cylindrical shape as shown at A in fig. 37. As the ingot is reduced in section, it is of course lengthened proportionally. Much as in the smith’s forge the object forged rests on a massive anvil and anvil block, B and C, and is struck by the tup D of the hammer. This tup is raised and driven down by steam pressure applied below or above the piston E of the steam cylinder mounted aloft, and connected with the tup by means of the strong piston-rod F. The demand for very large forgings, especially for guns and armour plate, led to the building of enormous steam hammers. The falling parts of the largest of these, that at Bethlehem, Pa., weigh 125 tons.
The first cost of a hammer of moderate size is much less than that of a hydraulic press of like capacity, as is readily understood when we stop to reflect what powerful pressure, if gradually applied, would be needed to drive the nail which a light blow from our hand hammer forces easily into the woodwork. Nevertheless the press uses much less power than the hammer, because much of the force of the latter is dissipated in setting up useless—indeed harmful, and at times destructive—vibrations in the foundations and the surrounding earth and buildings. Moreover, the effect of the sharp blow of the hammer is relatively superficial, and does not penetrate to the interior of a large piece as the slowly applied pressure of the hydraulic press does. Because of these facts the great hammers have given place to enormous forging presses, the 125–ton Bethlehem hammer, for instance, to a 14,000-ton hydraulic press, moved by water under a pressure of 7000 ℔ per square inch, supplied by pumps of 16,000 horse power.
| Place represented. | Operation represented. | Period covered. | Cost, Profit and Production, at End of Period in Percentage of that at Beginning of Period. | |||||||
| From | To | Cost. | Profit per Ton. | Production per Furnace &c., per Day. | ||||||
| Ore. | Fuel. | Labour. | Total. | Total excluding raw Material. | ||||||
| A large Southern Establishment | Manufacture of Pig Iron | 1889 | 1898 | 79 | 64.1 | 51.9 | 63.4 | .. | 47.9 | 167.7 |
| North-eastern District | ” ” | 1890 | 1898 | 103.7 | 97 | 61.1 | 65.8 | .. | 33.9 | 163.3 |
| Pittsburg District | ” ” | 1887 | 1897 | .. | .. | 46 | .. | 44 | .. | .. |
| Eastern District | Manufacture of Bessemer Steel Ingots | 1891 | 1898 | .. | .. | 75 | 64.39 | .. | .. | 107 |
| Pittsburg | ” ” | 1887 | 1897 | .. | .. | .. | .. | 52 | .. | .. |
| Not stated | Rolling Wire Rods | 1888 | 1898 | .. | .. | .. | 63.6 | .. | .. | 325 |
132. Statistics.—The cheapening of manufacture by improvements in processes and machinery, and by the increase in the scale of operations, has been very great. The striking examples of it shown in Table IV. are only typical of what has been going on continuously since 1868. Note, for instance, a reduction of some 35% in the total cost, and an even greater reduction in the cost of labour, reaching in one case 54%, in a period of between seven and ten years. This great economy is not due to reduction in wages. According to Mr Carnegie, in one of the largest American steel works the average wages in 1900 for all persons paid by the day, including labourers, mechanics and boys, were more than $4 (say, 16s. 6d.) a day for the 311 working days. How economical the methods of mining, transportation and manufacture have become is shown by the fact that steel billets have been sold at $13.96 (£2, 17s. 8d.) per ton, and in very large quantities at $15 (£3, 2s.) per ton, in the latter case, according to Mr Carnegie, without further loss than that represented by interest, although the cost of each ton includes that of mining 2 tons of ore and carrying them 1000 miles, mining and coking 1.3 tons of coal and carrying its coke 50 m., and quarrying one-third of a ton of limestone and carrying it 140 m., besides the cost of smelting the ore, converting the resultant cast iron into steel, and rolling that steel into rails.
| Date. | Yearly average Price in Pennsylvania, gross tons. | |||||
| Bar (Wrought) Iron. | Wrought Iron Rails. | Steel Rails. | No. 1 Foundry Pig Iron. | |||
| 1800 | $100.50 | Hammered | ||||
| 1815 | 144.50 | |||||
| 1824 | 82.50 | |||||
| 1837 | 111.00 | |||||
| 1850 | 59.54 | Best refined rolled | $47.88 | $20.88 | ||
| 1865 | 106.46 | 98.62 | $158.463 | 46.08 | ||
| 1870 | 78.96 | 72.25 | 106.79 | 33.23 | ||
| 1880 | 62.04 | 49.25 | 67.52 | 28.48 | ||
| 1890 | 45.83 | 25.182 | 31.78 | 18.41 | ||
| 1898 | 28.65 | 12.392 | 17.62 | 11.66 | ||
| 1900 | 44.00 | 19.512 | 32.29 | 19.98 | ||
| 1906 | .. | 23.032 | 28.00 | 20.98 | ||
| 19081 | 31.00 | 18.252 | 28.00 | 17.25 | ||
Table V. shows the reduction in prices. The price of wrought iron in Philadelphia reached $155 (£32, 0s. 8d.) in 1815, and, after declining to $80 (£16, 10s. 8d.), again reached $115 (£23, 15s. 4d.) in 1837. Bessemer steel rails sold at $174 in the depreciated currency of 1868 (equivalent to about £25, 17s. 4d. in gold), and at $17 (£3, 10s. 3d.) in 1898.
133. Increase in Production.—In 1810 the United States made about 7%, and in 1830, 1850 and 1860 not far from 10% of the world’s production of pig iron, though, indeed, in 1820 their production was only about one-third as great as in 1810. But after the close of the Civil War the production increased by leaps and bounds, till in 1907 it was thirty-one times as great as in 1865; and the percentage which it formed of the world’s production rose to some 14% in 1870, 21% in 1880, 35% in 1900 and 43% in 1907. In this last year the United States production of pig iron was nearly 7 times, and that of Germany and Luxemburg nearly 5 times, that of 1880. In this same period the production of Great Britain increased 28%, and that of the world more than tripled. The corresponding changes in the case of steel are even more striking. The United States production in 1907 was 1714 times that of 1865, and the proportion which it formed of the world’s steel rose from 3% in 1865 to 10% in 1870, 30% in 1880; 36% in 1890, 40% in 1899 and 46% in 1907. In 1907 the British steel production was nearly five times, that of the United States nearly nineteen times, as great as in 1880. Of the combined wrought iron and steel of the United States, steel formed only 2% in 1865, but 37% in 1880, 85% in 1899 and 91% in 1907. Thus in the nineteen years between 1880 and 1899 the age of iron gave place to that of steel.
The per capita consumption of iron in Great Britain, excluding exports, has been calculated as 144 ℔ in 1855 and 250 ℔ in 1890, that of the United States as 117 ℔ for 1855, 300 ℔ for 1890 and some 378 ℔ for 1899, and that of the United Kingdom, the United States and Germany for 1906 as about a quarter of a ton, so that the British per capita consumption is about four-fold and the American about five-fold that of 1855. This great increase in the per capita consumption of iron by the human race is of course but part of the general advance in wealth and civilization. Among the prominent causes of this increase is the diversion of mankind from agricultural to manufacturing, i.e. machinery-using work, nearly all machinery being necessarily made of iron. This diversion may be unwelcome, but it is inevitable for the two simple reasons that the wonderful improvements in agriculture decrease the number of men needed to raise a given quantity of food, i.e. to feed the rest of the race; and that with every decade our food forms a smaller proportion of our needs, so rapidly do these multiply and diversify. Among the other causes of the increase of the per capita consumption of iron are the displacement of wood by iron for ships and bridge-building; the great extension of the use of iron beams, columns and other pieces in constructing buildings of various kinds; the growth of steam and electric railways; and the introduction of iron fencing. The increased importance of Germany and Luxemburg may be referred in large part to the invention of the basic Bessemer and open-hearth processes by Thomas, who by them gave an inestimable value to the phosphoric ores of these countries. That of the United States is due in part to the growth of its population; to the introduction of labour-saving machinery in iron manufacture; to the grand scale on which this manufacture is carried on; and to the discovery of the cheap and rich ores of the Mesabi region of Lake Superior. But, given all these, the 1000 m. which separate the ore fields of Lake Superior from the cheap coal of Pennsylvania would have handicapped the American iron industry most seriously but for the remarkable cheapening of transportation which has occurred. As this in turn has been due to the very men who have developed the iron industry, it can hardly be questioned that, on further analysis, this development must in considerable part be referred to racial qualities. The same is true of the German iron development. We may note with interest that the three great iron producers so closely related by blood—Great Britain, the United States and Germany and Luxemburg—made in 1907 81% of the world’s pig iron and 83% of its steel; and that the four great processes by which nearly all steel and wrought iron are made—the puddling, crucible and both the acid and basic varieties of the Bessemer and open-hearth processes, as well as the steam-hammer and grooved rolls for rolling iron and steel—were invented by Britons, though in the case of the open-hearth process Great Britain must share with France the credit of the invention.
Tables VI., VII., VIII. and IX. are compiled mainly from figures given in J. M. Swank’s Reports (American Iron and Steel Association). Other authorities are indicated as follows: a, The Mineral Industry (1892); b, Idem (1899); c, Idem (1907); e, Journal Iron and Steel Institute (1881), 2; i, Eckel in Mineral Resources of the United States, (published by the United States Geological Survey (1906), pp. 92-93.
| Year. | United States. | Great Britain. | Germany and Luxemburg. | The World. |
| 1800 | .. | .. | .. | 825 |
| 1810 | 54 | .. | .. | .. |
| 1830 | 165 | 677 | .. | 1,825 |
| 1850 | 565 | .. | .. | 4,750 |
| 1865 | 832 | 4825 | 972 | 9,250 |
| 1870 | 1,665 | 5964 | 1,369 | 11,900 |
| 1880 | 3,835 | 7749 | 2,685 | 17,950 |
| 1890 | 9,203 | 7904 | 4,583 | 27,157 |
| 1900 | 13,789 | 8960 | 8,386 | 38,973c |
| 1907 | 25,781 | 9924 | 12,672 | 59,721c |
(in thousands of long tons).
| Year. | Anthracite. | Charcoal. | Coke and Bituminous. | Total. |
| 1880 | 1614 | 480 | 1,741 | 3,835 |
| 1885 | 1299 | 357 | 2,389 | 4,045 |
| 1890 | 2186 | 628 | 6,388 | 9,203 |
| 1895 | 1271 | 225 | 7,950 | 9,446 |
| 1900 | 1677 | 384 | 11,728 | 13,789 |
| 1907 | 1372 | 437 | 23,972 | 25,781 |
“Anthracite” here includes iron made with anthracite and coke
mixed, “Bituminous” includes iron made with coke, with raw
bituminous coal, or with both, and “Charcoal” in 1900 and 1907
includes iron made either with charcoal alone or with charcoal mixed
with coke.
(in thousands of long tons).
| Wrought Iron. | Bloomary Iron direct from the Ore. | |
| 1870. | ||
| United States | 1153 | .. |
| Great Britain | .. | .. |
| 1880. | ||
| United States | 2083(1) | 36 |
| Great Britain | .. | .. |
| 1890. | ||
| United States | 2518(1) | 7 |
| Great Britain | 1894 | .. |
| 1899. | ||
| United States | .. | 3 |
| Great Britain | 1202 | .. |
| 1900. | ||
| United States | .. | 4 |
| Great Britain | .. | .. |
| 1907. | ||
| United States | 2200 | .. |
| Great Britain | 975 | .. |
| Bessemer. | Open- Hearth. | Crucible and Miscellaneous. | Total. | ||
| 1870. | |||||
| United States | 37 | 1 | 31 | 69 | |
| Great Britain | 215 | 78 | .. | 292a | |
| (for 1873) | |||||
| The World | .. | .. | .. | 692a | |
| 1880. | |||||
| United States | 1,074 | 101 | 72 | 1,247 | |
| Great Britain | 1,044 | 251 | 80 | 1,375 | |
| Germany and | |||||
| Luxemburg | 608a | 87a | 33 | 728 | |
| The World | .. | .. | .. | 4,205a | |
| 1890. | |||||
| United States | 3,689 | 513 | 75 | 4,277 | |
| Great Britain | 2,015 | 1,564 | 100 | 3,679 | |
| Germany and | |||||
| Luxemburg | .. | .. | .. | 2,127 | |
| The World | .. | .. | .. | 11,902a | |
| 1900. | |||||
| United States | Acid Basic | 6,685 | 853 2,545 | 105 | 10,188 |
| 0 | |||||
| Great Britain | Acid Basic | 1,254 491 | 3,156 | 149 | 5,050 |
| Germany and | |||||
| Luxemburg | .. | .. | .. | 6,541 | |
| The World | .. | .. | .. | 28,273 | |
| 1907. | |||||
| United States | Acid Basic | 11,668 | 1,270 10,279 | 145 | 23,363 |
| 0 | |||||
| Great Britain | Acid Basic | 1,280 | 3,389 1,279 | .. | 6,5232 |
| Germany and | Acid Basic | 3811 | 2091 3,9761 | 2083 | 11,873 |
| Luxemburg | 7,0981 | ||||
| The World | .. | .. | .. | 50,375 | |
under Survey of Lloyd’s Registry (in thousands of tons).
| 1877. | 1880. | 1885. | 1890. | 1895. | 1900. | 1906. | |
| Wrought Iron | 443 | 460 | 304 | 50 | 8 | 14 | 0 |
| Steel | 0 | 35 | 162 | 1079 | 863 | 1305 | 1492 |
| 1905. | 1906. | 1907. | |||
| Thousands of Long Tons. | Per Cent. | Thousands of Long Tons. | Per Cent. | Thousands of Long Tons. | |
| United States | 42,526 | 37.4 | 47,750 | 38.6 | 51,721 |
| Germany and Luxemburg | 23,074 | 20.3 | 26,312 | 21.3 | 27,260 |
| Great Britain | 14,591 | 12.8 | 15,500 | 12.5 | 15,732 |
| Spain | 8,934 | 7.9 | 9,299 | 7.5 | .. |
| France | 7,279 | 6.4 | 8,347 | 6.7 | .. |
| Russia | 5,9541 | 5.2 | 3,812 | 3.1 | 4,3302 |
| Sweden | 4,297 | 3.8 | 4,431 | 3.6 | .. |
| Austria-Hungary | 3,639 | 3.2 | 4,024 | 3.3 | .. |
| Other Countries | 3,457 | 3.0 | 4,297 | 3.5 | .. |
| Total | 113,751 | 100.0 | 123,773 | 100.1 | |
- ↑ The word “iron” was in O. Eng. iren, isern or isen, cf. Ger. Eisen, Dut. ysen, Swed. järn, Dan. jern; the original Teut. base is isarn, and cognates are found in Celtic, Ir. iarun, Gael, iarunn, Breton, houarn, &c. The ulterior derivation is unknown; connexion has been suggested without much probability with is, ice, from its hard bright surface, or with Lat. ars, aeris, brass. The change from isen to iren (in 16th cent. yron) is due to rhotacism, but whether direct from isen or through isern, irern is doubtful. “Steel” represents the O. Eng. stél or stéle (the true form; only found, however, with spelling stýle, cf. stýl-ecg, steel-edged), cognate with Ger. Stahl, Dut. and Dan. staal, &c.; the word is not found outside Teutonic. Skeat (Etym. Dict., 1898) finds the ultimate origin in the Indo-European base stak-, to be firm or still, and compares Lat. stagnum, standing-water.
- ↑ A “eutectic” is the last-freezing part of an alloy, and corresponds to what the mother-liquor of a saline solution would become if such a solution, after the excess of saline matter had been crystallized out, were finally completely frozen. It is the mother-liquor or “bittern” frozen. Its striking characteristics are: (1) that for given metals alloyed together its composition is fixed, and does not vary with the proportions in which those metals are present, because any “excess metal,” i.e. so much of either metal as is present in excess over the eutectic ratio, freezes out before the eutectic; (2) that though thus constant, its composition is not in simple atomic proportions; (3) that its freezing-point is constant; and (4) that, when first formed, it habitually consists of interstratified plates of the metals which compose it. If the alloy has a composition very near that of its own eutectic, then when solidified it of course contains a large proportion of the eutectic, and only a small proportion of the excess metal. If it differs widely from the eutectic in composition, then when solidified it consists of only a small quantity of eutectic and a very large quantity of the excess metal. But, far below the freezing-point, transformations may take place in the solid metal, and follow a course quite parallel with that of freezing, though with no suggestion of liquidity. A “eutectoid” is to such a transformation in solid metal what a eutectic is to freezing proper. It is the last part of the metal to undergo this transformation and, when thus transformed, it is of constant though not atomic composition, and habitually consists of interstratified plates of its component metals.
- ↑ Note the distinction between the “eutectic” or alloy of lowest freezing-point, 1130°, B, with 4.30% of carbon, and the “eutectoid,” hardenite and pearlite, or alloy of lowest transformation-point, 690° S, with 0.90% of carbon. (See § 17.)
- ↑ The length of the blow varies very greatly, in general increasing with the proportion of silicon and with the size of charge. Thus the small Swedish charges with but little silicon may be blown in 5 minutes, but for a 20-ton charge the time is more likely to reach, or exceed 10 minutes, and sometimes reaches 20 minutes or even more.
- ↑ A “billet” is a bar, 5 in. sq. or smaller, drawn down from a bloom, ingot, or pile for further manufacture.
































