I stumbled across this and I'm pretty sure it came from some harmony book or textbook as they usually do (and if anyone knows which one, please tell). Could anyone give me any insights on how to interpret this chart? Can the I-chord be followed by anything? Also, are those polychords? In that case, this is the first time I've seen a functional 'formula' involving polychords, though my knowledge is quite rudimentary
-
There are no polychords in this picture; only the most idiomatic diatonic chords of a major key. Besides V⁷/IV and V⁷/V, one could in principle add other applied chords, but those will be further away from the tonic and thus not as relevant. The Neapolitan and French augmented sixth are really borrowed from the parallel minor, so they are not as common in major. – Remy Mar 26 '18 at 03:18
2 Answers
These types of charts are really common in harmony textbooks, though I don't know exactly which book this one came from.
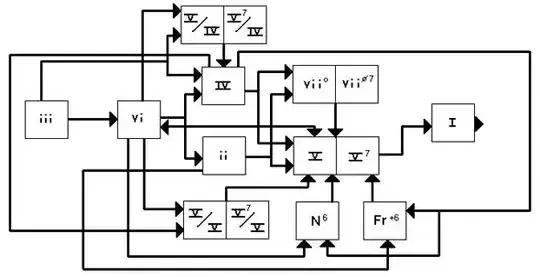
Yes, from I you can move anywhere, and I is always the ultimate goal (at least according to this chart).
Then, wherever you move to, you use the chart to determine what comes next. If you go from I to iii, you can then move from iii to either V(7)/IV, IV, or vi. Let's say you move to vi; now, following the chart, you can move to either V(7)/IV, IV, ii, V(7)/V, or to N6.
With that said, there are a few problems with this chart. I'll list just a few:
- It only includes V(7) of V and IV, missing all other applied chords. To an early learner, this might suggest that these are the only applied chords, which is not true.
- It only includes the French augmented sixth and not the Italian or German (or other types, depending on your training).
- It doesn't include IV moving to ii, a very common progression within the predominant zone.
- It's missing a few possible resolutions. For instance, vii°7 moves to I all the time, but it's not on here!
Chords like "V7/V" are not polychords, but are rather called "secondary dominants" or "applied chords." See also What is a secondary dominant chord?
You may also be interested in Old Books with chord progression charts or matrices?, but the two questions are quite different.
- 82,618
- 16
- 186
- 360
-
https://www.ultimate-guitar.com/forum/showthread.php?t=1730068 This was where I found the image. That person seems to imply that this chart applies to both major and minor or something. I don't understand that – minusatwelfth Mar 26 '18 at 03:27
-
1They're saying that these Roman-numeral progressions work in both major and minor, based on the qualities of those triads in either mode. But honestly, that claim brings up even *more* problems in the chart. I recommend checking out a different source! – Richard Mar 26 '18 at 03:29
-
So that means I could interchange the I-chord for an i-chord, etc? – minusatwelfth Mar 26 '18 at 03:39
-
-
Let us [continue this discussion in chat](https://chat.stackexchange.com/rooms/75081/discussion-between-minusatwelfth-and-richard). – minusatwelfth Mar 26 '18 at 04:51
-
-
@StarWeaver Oh, you're right; I misread the chart. But now I realize that there's no IV to ii arrow! Thanks for the help, I'll edit my answer. – Richard Mar 26 '18 at 10:48
-
-
@TreFox They are the "augmented sixth" and "Neapolitan" chords, respectively. Searching on this site should result in answers that help clarify both of them. – Richard Mar 26 '18 at 11:40
-
-
1@Mast Of what kind of notation? The chords are shown in Roman numeral notation. – Richard Mar 26 '18 at 18:29
-
I got that. But do the arrows indicate anything beyond telling which order to follow? I'm not familiar with N^6 and Fr^+6 chords either. – Mast Mar 26 '18 at 18:34
-
1@Mast Nope, the arrows just show order. It's just a flowchart answering "Where can I go from here?" Those two chords you mention are the augmented sixth and Neapolitan, respectively. I believe there are answers elsewhere on this site that explain them. (Not that I don't want to help, it's just tough to answer in the comments.) – Richard Mar 26 '18 at 18:35
This is a very advanced version of this chart. I've seen many similar chats that are simpler and will link one after answering your questions.
Could anyone give me any insights on how to interpret this chart?
The chart is showing you a tonal progression and where the chords typical end up. For example V and V7 want to go to I, ii wants to got to V or V7, V7/V or V/V wants to got to V or V7, ect.
Can the I-chord be followed by anything?
Simply put, yes. That's what the arrow is telling you. The reason why it's not point anywhere else is because on I is where tonal progressions feel at rest.
Also, are those polychords?
No. The slashes represent secondary dominants in Roman Numeral analysis.
There are some advanced concepts on this chart like secondary dominant and augmented 6th chords which if you are new to theory might confuse you more than help you. musictheory.net has a very similar chart shown below:
- 47,095
- 22
- 150
- 281
-
ultimate-guitar.com/forum/showthread.php?t=1730068 This was where I found the image. That person seems to imply that the complicated chart applies to both major and minor or something, as opposed to the simpler Kostka-Payne version which you linked. Do you know what he means by that? – minusatwelfth Mar 26 '18 at 03:30
-
@minusatwelfth The chart your using does not show minor progressions hence the not showing iio, iv, III, VII which are important distinctions. What they do show on that is how secondary dominants and augmented 6th come into play. Richard's answer shows you some problems with that though and in general, don't assume a picture you find accurately depicts something unless someone who knows their stuff can verify it. – Dom Mar 26 '18 at 03:43

