NEMA
First let's take a moment to understand what NEMA is, and how it relates to receptacles and cord-and-plug appliances. National Electrical Manufacturers Association (NEMA) is a standards organization, that creates standards for electrical equipment.
Each standard has a number associated with it, so you may see something like NEMA 5. That simply means that any device that conforms to standard 5, will display the characteristics described in the standard.
When dealing with receptacles and plugs, you'll often see something like this NEMA 1-15. The number after the dash represents the maximum current rating of the device. So in our example, the device would have a current rating of 15 amperes.
You may also see an R or P, following the current rating. This simply denotes whether it's a receptacle (R), or plug (P) (Where "Plug" means the actual device at the end of a cord that connects to a receptacle. Not to be confused with the receptacle itself, which is often known as "outlet", "plug", or some other slang term).
NEMA 1
In older homes grounding conductors were not commonly run to each outlet, so NEMA 1 devices are common. NEMA 1-15 would be the most common. NEMA 1 devices are rated for a maximum of 125 volts, and are made up of two blades (or slots) one of which is slightly larger than the other. Where the smaller blade/slot is the ungrounded (hot) conductor, and the larger is the grounded (neutral) conductor.

NEMA 1-15R
NEMA 5
In modern homes a grounding conductor is run to each outlet, so NEMA 5 devices are common. Again NEMA 5-15 and 5-20, devices being the most common. NEMA 5 devices are also reated for 125 volts, and are made up of two blades (or slots) and one pin (or hole). The blades/slots are arranged in the same manner as the NEMA 1 devices, and the pin/hole is the grounding conductor (not to be confused with the grounded conductor).


NEMA 5-15R - NEMA 5-20R
NEMA 6
NEMA 6 devices are not very common in US residential applications, though may be found in the garage supplying arc welders, compressors, or other similar applications. These devices consist of two blades/slots that are ungrounded (hot) conductors, and a pin/hole that is a grounding conductor. Because of this, these devices are rated at 250 volts, and are not capable of supplying 125 volts.


NEMA 6-20R - NEMA 6-30R
NEMA 10
Before grounding conductors were common, NEMA 10 devices were used for larger appliances. NEMA 10-30 was commonly used for electric clothes dryers, while NEMA 10-50 were used for electric ranges. The NEMA 10 devices were rated at 125/250 volts, and consisted of 3 blades/slots. Two of the blades/slots; commonly marked X and Y, were ungrounded (hot) conductors. The third blade/slot was a grounded (neutral) conductor, typically labeld W.


NEMA 10-30R - NEMA 10-50R
NEMA 14
When grounding conductors became common place, NEMA 14 devices replaced NEMA 10 devices. These devices are also rated at 125/250 volts and have 3 blades/slots, but they have the addition of a pin/hole used for grounding. Again they have two blades/slots that are ungrounded (hot) conductors (X, Y), one blade/slot that is a grounded (neutral) conductor (W), and a pin/hole that is a grounding conductor (GND).
NEMA 10 and NEMA 14 devices are capable of providing both 125 volts, and 250 volts. This is due to the way electricity is commonly distributed throughout the United States.


NEMA 14-30R - NEMA 14-50R
Distribution
The most common distribution system in the United States, is the single split-phase system. Though 3-phase distribution can be found.
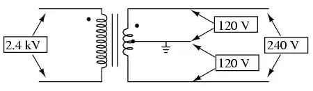
120/240V
In a split-phase system, electricity is transmitted at high voltage from the power producer to a local distribution station. The high voltage electricity is stepped down to ~240 volts, using a step down transformer. The transformer has a center tap on the secondary winding (this is why it's known as "split-phase"), which allows a supplied voltage of 120 volts. The cable supplying electricity to the home, will be made up of 3 conductors. Two ungrounded (hot) conductors, which have a 240 volt potential between them. And one grounded (neutral) conductor, which has a 120 volt potential between it and either ungrounded conductor.

208Y/120
In a 3-pahse system, 4 conductors will be supplied to the building. Three ungrounded (hot) conductors, which have a 208 volt potential between themselves and any other ungrounded conductor. And one grounded (neutral) conductor, which has a 120 volt potential between it and any of the ungrounded conductors. Each ungrounded conductor is 120° out of phase with any of the other ungrounded conductors, which is why it's known as a "3-phase" system. This is a less common form of residential distribution in the US, but it can be found in some places (more common in rural areas).
