4

This feels like a bit of a dumb question, to preface.

I need 50 feet of 10/3 to run from my panel in basement up to attic for a steam generator. It needs 25 amps, so 10 guage at 240v. I'm being frugal, and have access to some free 10/2 with ground in metal conduit. I assume there is no issue with buying equal length of stranded 10 guage THHN and running that right alongside the 10-2 sheathed in metal.

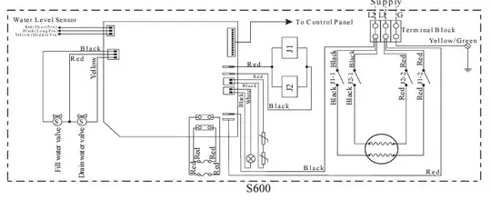
Adding this in the post: Maybe I don't need a 3-wire at all? In this situation, can I use the 10/2 with ground and wire the hot and neutral to a two-pole breaker to feed the 240 required? WIring diagram below for the steam unit.

enter image description here

Thank you!

David S
  • 41
  • 2
  • AFAIK, you assume incorrectly. I'm sure the electricians will be by shortly to quote you chapter and verse where that is _not_ allowed. Unless it's a retrofit ground (which it's not). – FreeMan Sep 15 '22 at 19:00
  • If you use simple single wire conduit it should pass – Ruskes Sep 15 '22 at 19:03
  • Wait you have 10/2 (two hots) where does the Neutral comes from – Ruskes Sep 15 '22 at 19:20
  • 1
    Use the black and white as hots, so no neutral needed. Tape/paint the white at both ends, black or red. Do you have a wire ground or just the metal sheath? That might make life difficult to attach to ground terminal. – crip659 Sep 15 '22 at 19:32
  • What kind of metal conduit? Maybe include a picture of the actual wire you have available (including the conduit) - someone here will be able to identify it. – FreeMan Sep 15 '22 at 19:36
  • @Ruskes that's a common thing, but there are appliances that don't need a neutral, if you look at the wiring diagram, there's no place to connect a neutral. – George Anderson Sep 15 '22 at 19:42
  • @GeorgeAnderson you are right, I just assumed it needs 120 for the circuits – Ruskes Sep 15 '22 at 19:49
  • *It needs 25 amps* - How defined? Instructions say "25A breaker"? Nameplate says "25A"? Something else? That is critical to determining wire size and breaker requirements. – manassehkatz-Moving 2 Codidact Sep 15 '22 at 21:10

2 Answers2

5

According to the wiring diagram, (supply) it doesn't appear that your device needs a neutral, just 2 hots & a ground, so you should be fine with the 10/2 with ground on it's own.

Responding to your edit: I think you're calling the white wire in the 10/2 a neutral. It's only a neutral if you connected it that way. It's common to use the white wire in a cable as a hot in a 240v circuit. Code now requires to "code tape it", which simply means wrap the ends of it with some black electrical tape to identify it as a hot.

The only other thing is I'm not sure if this steam generator is considered a "continuous load". If so the circuit would need to be derated by 20%. 30 amps x 20% = 6. 30-6 is 24 amps. So you'd be slightly over the limit by 1 amp. Personally, I doubt it would be a problem, but just wanted to let you know.

Again, given that the "supply" area of the wiring diagram doesn't show a neutral connection, I believe you're good to go with 10/2 w/ground.

George Anderson
  • 22,321
  • 3
  • 31
  • 76
  • 2
    Marking the white wire as a "hot" with phase tape or other means is *mandatory* as of NEC 2002 give or take. It used to be omittable if the usage was "obvious", but then DIY happened, and there are a whole bunch of novices to whom it is *not* obvious. – Harper - Reinstate Monica Sep 15 '22 at 21:12
  • @Harper-ReinstateMonica thanks for the info. I'll edit my answer. In many years of helping friends with electrical, I've never seen it done, usually there's just a white wire on a 240v breaker along with the black. I've never liked that and always code taped them. I"m not a licensed electrician and have never taken any money for helping/doing. ...just want them to get it done right. Thanks again for the code update! – George Anderson Sep 15 '22 at 22:00
5

You can use the 10/2 all by itself.

There is a common misconception that "everything needs neutral" in US circuits. But that is not actually the case. Only devices that need 120V need neutral, including devices that need both 120V and 240V (e.g., clothes dryers). Devices that only need 240V (water heaters, air conditioning compressors, etc.) do not need neutral. Based on your wiring diagram, your steam generator does not need neutral. So two wires are all you need.

There is another common misconception that "white = neutral". That is not true. Neutral is always white (or gray). But white can also be:

  • Second hot in a 2-wire cable (your situation)
  • Hot in a switch loop cable (prior to "neutral required at all switches" rule)

It is possible in a retrofit situation to add a separate ground wire (green or bare) outside of a cable. But ground is not neutral, and this is a new installation, and you already have a ground wire.

As far as why you can't (if you needed neutral) combine a 10/2 with a single wire: There are a bunch of reasons, including the issue of how the hot(s) and neutral wires interact (keeping all the wires for a circuit together has some real benefits), individual wires are not protected the way cables (whether NM or armored cable) are protected from damage, and the very real possibility that if you have an individual wire outside the main cable that it could get damaged - or simply removed by someone in the future who doesn't know why it is there.

As far as wire and breaker size: 10 AWG is good for 30A. If your steam machine actually uses a full 25A and is classified as a continuous load then it would need 25 * 1.25 = 31.25 A, which push it up to a larger than 30A breaker and wire size.

If it actually only uses 24A (or less) continuous then 10 AWG wire and 30A breaker is correct.

And if it actually uses 20A (or less) continuous then you still need 10 AWG (unless 16A or less) but a 25A breaker is fine. (I actually found out about that recently - my air conditioning compressor was on a 30A fuse and 10 AWG wire, but my electrician put it on a 25A breaker based on a nameplate rating of 16.1A.)

So the meaning of "needs 25A" will determine the wire and the breaker.